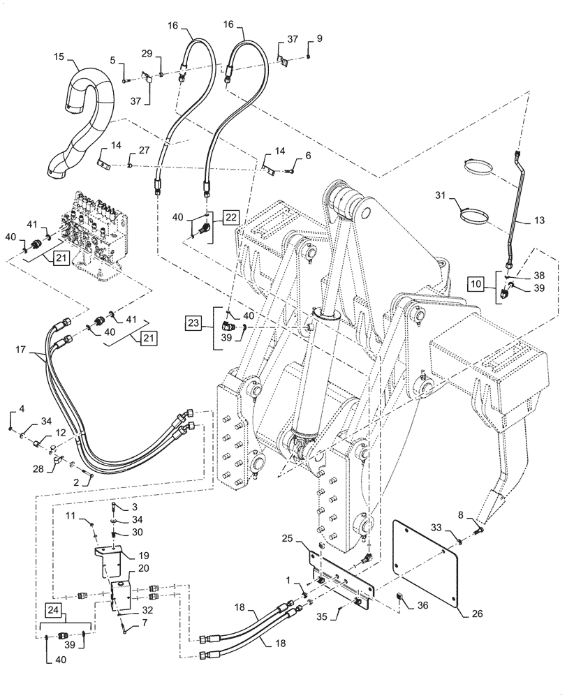
Запчасти Case 2050M XLT PAT (89.128.020) - VAR - 784007 - RIPPER, HYDRAULIC SYSTEM (89) - TOOLS

Схема запчастей Case 2050M XLT PAT - (89.128.020) - VAR - 784007 - RIPPER, HYDRAULIC SYSTEM (89) - TOOLS
16
39
37
14
40
37
12
36
41
16
25
26
39
30
35
27
6
33
29
9
24
17
1
15
14
22
40
3
19
7
40
39
18
8
13
2
5
10
11
38
21
32
34
28
41
40
18
21
4
23
40
20
34
31
FIT
1:1
100%

Артикул

Название

Примечание

Количество

1

201-903

TUBE NUT,Blkhd, 13/16"-16

2шт.

2

614-10070

BOLT,Hex, M10 x 1.5 x 70mm, Cl 8.8, Full Thd

1шт.

3

827-10050

BOLT,Hex, M10 x 1.5 x 50mm, Cl 10.9

2шт.

4

829-1410

NUT,M10 x 1.5, Cl 10.9

1шт.

5

43248

BOLT,Hex, M10 x 1.5 x 40mm, Cl 10.9

1шт.

6

43263

BOLT,Hex, M12 x 1.75 x 60mm, Cl 10.9

1шт.

7

379748

BOLT,Hex, M8 x 1.25 x 80mm, Cl 10.9

2шт.

8

412398

BOLT,Hex, M16 x 2 x 50mm, Cl 10.9, Full Thd

6шт.

9

8475948

NUT,M10 x 1.5, Cl 8

1шт.

10

9991973

ELBOW,1-14" ORFS x 1-1/16"-12 ORB

Incl 38, 39

1шт.

11

16104121

NUT,M8 x 1.25, Cl 10

2шт.

12

47377940

SPACER,11mm ID x 25.4mm OD x 25.4mm L

1шт.

13

47516491

TUBE

1шт.

14

47517705

CLAMP

2шт.

15

47518240

PROTECTIVE SLEEVE

1шт.

16

47519074

HOSE,12.7mm ID x 1597mm L, SAE 100R16

2шт.

17

47550267

HOSE

2шт.

18

47550890

HOSE,15.88mm ID x 710mm L, SAE 100R16

2шт.

19

48103122

BRACKET

1шт.

20

47552155

CHECK VALVE

1шт.

21

47739429

HYD CONNECTOR,1 - 5/16 - 12 ORB 1 - 3/16 - 12 ORFS

Incl 40, 41

2шт.

22

47739431

HYD CONNECTOR,13/16 - 16 ORFS

Incl (2) 40

2шт.

23

47743800

90 ELBOW

Incl 39, 40

1шт.

24

47743826

HYD CONNECTOR

Incl 39, 40

4шт.

25

84402706

PLATE

1шт.

26

84402707

PLATE

1шт.

27

84420571

SPACER,13.51mm ID x 19.05mm OD x 20mm L

1шт.

28

86625038

CLAMP,25.4mm, Coat, 13.5mm Bolt Hole, P Type

2шт.

29

87302487

SPACER,13.8mm ID x 21.3mm OD x 10.3mm L

1шт.

30

87417721

THREADED INSERT,M10 x 1.5-6H x 29 L

2шт.

31

87530426

HOSE CLAMP,6.25" - 7.12", Worm Gear

2шт.

32

87655042

SPECIAL WASHER,8.8mm ID x 17.5mm OD x 2.2mm Thk

2шт.

33

87655044

SPECIAL WASHER,17.75mm ID x 31.50mm OD x 4.20mm, HTS Boron, ZNM

6шт.

34

87687101

WASHER,10.65mm ID x 31mm OD x 3.3mm Thk

4шт.

35

336371A1

PIN,4.88mm OD x 14.23mm L

2шт.

36

405737A2

SQUARE NUT,M16 x 26mm x 26mm x 16mm H ZND CL 5A

2шт.

37

434130A1

HOSE CLAMP

2шт.

38

9992069

O-RING,0.07" Thk x 0.614" ID, -16, Cl 6, 90 Duro

1шт.

39

167266

O-RING,0.116" Thk x 0.924" ID, -912, Cl 6, 90 Duro

6шт.

40

9991976

O-RING,0.07" Thk x 0.739" ID, -18, Cl 6, 90 Duro

11шт.

41

570186

O-RING,0.118" Thk x 1.475" ID, -920, Cl 6, 90 Duro

2шт.

Выбрано товаров: 41