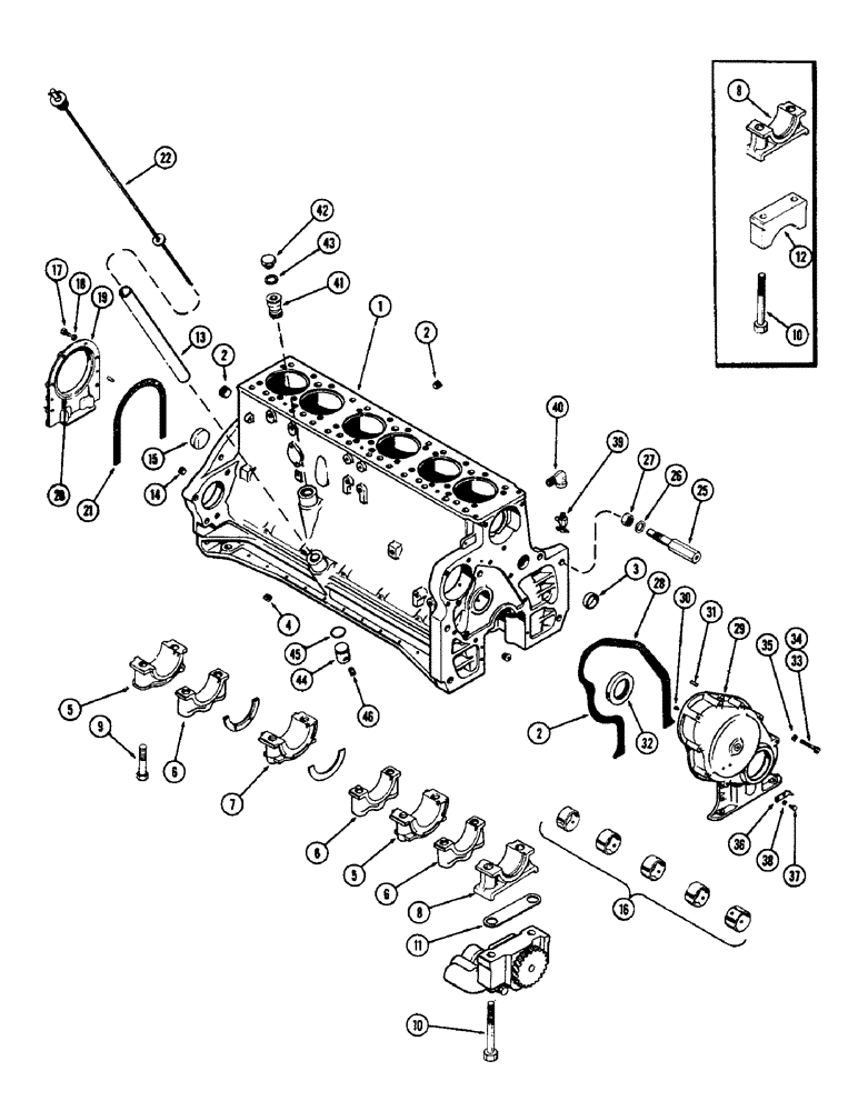
Запчасти Case 1150 (016) - CYLINDER BLOCK ASSEMBLY, (401) DIESEL ENGINE, 1ST USED ENG. 2174169 (01) - ENGINE

Схема запчастей Case 1150 - (016) - CYLINDER BLOCK ASSEMBLY, (401) DIESEL ENGINE, 1ST USED ENG. 2174169 (01) - ENGINE
8
6
25
45
11
9
17
19
35
14
13
26
20
6
7
28
21
42
40
32
1
12
2
29
2
16
37
27
5
15
43
31
34
6
5
18
38
3
4
10
44
22
30
8
36
46
10
33
2
41
39
FIT
1:1
100%

Артикул

Название

Примечание

Количество

A41234

BLOCK

ASSY. - cylinder, short (Not illust.) (Incl. stripped block, conn. rods & brgs., camshaft, crankshaft, pistons & sleeves, rear sea, l & retainer, Includes: Ref. 1-22

1шт.

1

A41220

NO LONGER SERVICED

BLOCK ASSY. - cylinder, stripped, Includes: Ref. 2-16

1шт.

2

221-843

PLUG,Hex Soc, 3/8"-18

- pipe, 3/8" hex. sckt. hd.

6шт.

3

41-1628

PLUG,Cup, 1 3/4", Stainless

- cup, front water gallery (1-3/4")

1шт.

4

221-41

PLUG

- pipe, 1/8" slotted hd.

5шт.

5

A24941

CAP

- brg., crankshaft (Wide)

2шт.

6

A24942

CYLINDER END CAP

CAP - brg., crankshaft (Narrow)

3шт.

7

A24943

CAP

- brg., crankshaft (Thrust)

1шт.

8

A34937

HOLDER

CAP - brg., crankshaft, front main

1шт.

9

A27836

SPECIAL BOLT,5/8" - 11 x 3 1/4"

SCREW - cap brg. cap

12шт.

10

113-637

BOLT

- oil pump to brg. cap, 5/8 x 6" N.C. hex.

2шт.

11

A34948

X

SHIM - oil pump to brg. cap (.005")

1шт.

11

A34949

SHIM,.002" Thk

Oil pump to brg. cap .002" Thk

2шт.

12

NSS

NOT SOLD SEPARAT

SPACER - cam drive pump

1шт.

Loose oil pump gear & oil pump spacer included w/this block are not used w/front mtd. oil pump application.

1шт.

13

A22602

X

SOCKET - oil level gauge

1шт.

14

221-26

DRAIN PLUG,Sq Soc, 1"-11 1/2, NTPF

PLUG - pipe, 1" ctsk. hd.

1шт.

15

A24361

PLUG

- cup, rear camshaft hole

1шт.

16

A23544

BUSHING

KIT - camshaft (Set of 5)

1шт.

17

13-620

BOLT,Hex, 3/8" - 16 x 1-1/4", Gr 5, Full Thd

6шт.

18

92-6

LOCK WASHER,3/8"

6шт.

19

A32182

RETAINER

ASSY. - rear crankshaft

1шт.

20

A23085

OIL SEAL

- retainer

1шт.

21

A32830

GASKET

-, Serial Range: retainer-block

1шт.

22

A22589

ELECTRICAL GAUGE

DIPSTICK - oil level indicator

1шт.

258

A22683

CARRIER

- generator

1шт.

26

92-12

LOCK WASHER,3/4"

WASHER, LOCK, 3/4"

1шт.

27

25-1112

NUT,3/4"-16, G5

- 3/4" N.F. hex.

1шт.

28

A33018

GASKET

- timing gear cover

1шт.

29

A34974

COVER ASSY. - timing gear, Includes: Ref. 30-32

1шт.

30

A27869

BUTTON - thrust

2шт.

31

A27840

PIN

- locating, timing cover

2шт.

32

A23433

OIL SEAL

- front crankshaft

1шт.

33

13-640

BOLT,Hex, 3/8" - 16 x 2-1/2", Gr 5

- 3/8 x 2-1/2" N.C. hex.

8шт.

34

13-616

BOLT,Hex, 3/8" - 16 x 1", Gr 5, Full Thd

2шт.

35

92-6

LOCK WASHER,3/8"

10шт.

36

A21362

CLIP

POINTER - timing

1шт.

37

13-48

BOLT,Hex, 1/4" - 20 x 1/2", Gr 5

2шт.

38

193-44

LOCK WASHER,Ext-Int Tooth, 1/4"

WASHER - Shakeproof, 1/4" int.-ext.

2шт.

39

A23656

COCK, DRAIN

VALVE - drain, cyl. block

1шт.

40

221-412

ELBOW,90 Degree, 1/4"-27, NPT

- 90 degrees x 1/4"

1шт.

41

A34266

DRIVE

ASSY. - tachometer

1шт.

42

A22594

CAP

- tachometer drive (Shipping purposes)

1шт.

43

A27968

RING

WASHER - cap, 57/64 x 1-1/8 x 1/16" (Shipping purposes)

1шт.

44

A34964

PLUG

- cyl. block oil gallery hole

1шт.

45

A27355

O-RING,0.139" Thk x 1.17" ID, -217, Cl 5, 75 Duro

"O" RING - plug

1шт.

46

A22593

SET SCREW,1/4" - 18 x 7/8"

- set, oil gallery plug

1шт.

Выбрано товаров: 47