Запчасти Case 1150 (030) - DRY TYPE AIR CLEANER AND EXTENSIONS (01) - ENGINE

Схема запчастей Case 1150 - (030) - DRY TYPE AIR CLEANER AND EXTENSIONS (01) - ENGINE
10
7
5
20
21
4
20
2
15
19
17
11
13
1
9
8
12
21
3
16
6
18
19
14
FIT
1:1
100%

Артикул

Название

Примечание

Количество

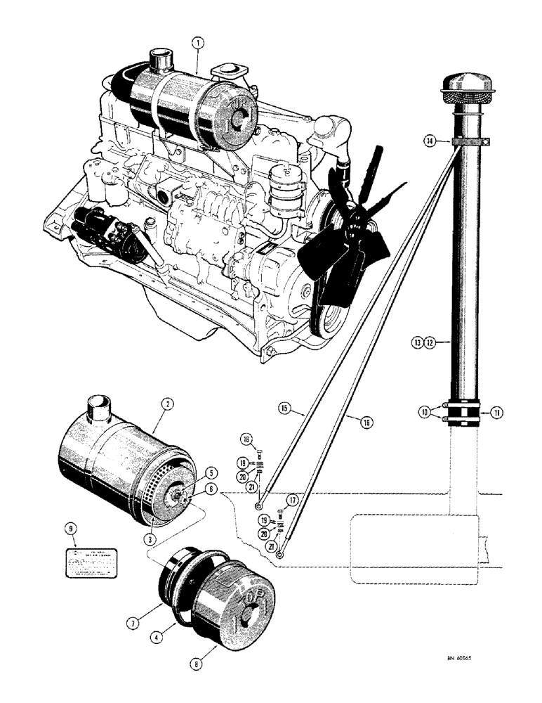
1

D36261

CLEANER

AIR CLEANER - dry type, standard (See Figure 031A for optional air cleaner), Includes: Ref. 2-9

1шт.

2

NSS

NOT SOLD SEPARAT

BODY - air cleaner

1шт.

3

D37975

FILTER

ELEMENT - air cleaner

1шт.

4

R15731

CLAMP

- air cleaner

1шт.

5

D78354

WING NUT

GASKET - wing nut (Replaced D37976)

1шт.

6

D78354

WING NUT

NUT - winged (Replaced D37977)

1шт.

7

D37979

BAFFLE

- air cleaner

1шт.

8

D37980

CUP

- air cleaner

1шт.

9

D37974

DECAL

- service instructions

1шт.

10

214-264

HOSE CLAMP,#52, 2.81" - 3.75", Type F Worm

CLAMP - hose

2шт.

11

R19030

HOSE

- air, Serial Range: cleaner-extension

1шт.

12

R19036

TUBE - extension, 36" (Use with dry type air cleaner only)

1шт.

13

R19037

TUBE

- extension, 72" (Use with dry type air cleaner only)

1шт.

14

R19604

CLAMP

- brace

1шт.

15

R19594

BRACE

- extension, R.H.

1шт.

16

R19593

BRACE - extension, L.H.

1шт.

17

13-624

BOLT,Hex, 3/8" - 16 x 1-1/2", Gr 5

HHCS - 3/8" - 16 NC x 1-1/2"

1шт.

18

13-620

BOLT,Hex, 3/8" - 16 x 1-1/4", Gr 5, Full Thd

1шт.

19

195-25

WASHER,3/8"

- plain () 3/8"

4шт.

20

92-6

LOCK WASHER,3/8"

2шт.

21

25-106

NUT,3/8"-16, G5

- hex. (3/8" - 16 NC)

2шт.

Выбрано товаров: 21