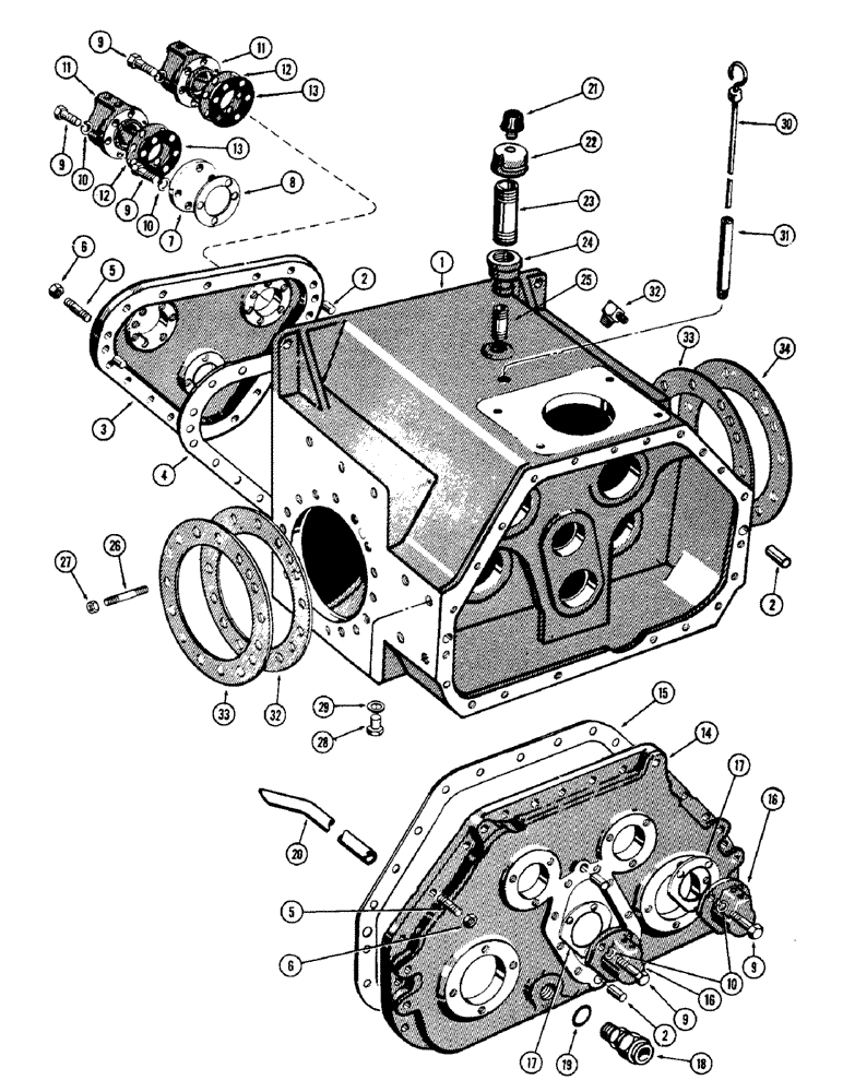
Запчасти Case 1150 (065A) - TRANSMISSION HOUSING AND COVERS, USED PRIOR TO TRANS. SN 2625401 (03) - TRANSMISSION

Схема запчастей Case 1150 - (065A) - TRANSMISSION HOUSING AND COVERS, USED PRIOR TO TRANS. SN 2625401 (03) - TRANSMISSION
17
9
7
26
2
9
23
6
34
30
9
5
8
9
19
29
11
16
12
10
24
4
15
2
33
9
28
12
25
10
18
27
31
32
1
21
33
2
11
16
6
3
14
13
5
13
17
20
10
32
22
FIT
1:1
100%

Артикул

Название

Примечание

Количество

A50315

TRANSMISSION & FINAL DRIVE ASSY. - complete, Includes: Ref. 1 - 34

1шт.

A50314

TRANSMISSION ASSY. - unit, Includes: Ref. 1-17

1шт.

1

A50152

HOUSING - transmission, main

1шт.

2

70205

PIN

- dowel, cover locating

6шт.

3

A50161

COVER - rear, transmission (Replaced A50157)

1шт.

4

70844

GASKET

- rear cover mtg.

1шт.

5

A50342

STUD

- mtg., frt. & rear cover

39шт.

6

131-354

LOCK NUT,1/2"-13, GA

NUT - lock, mtg. stud, 1/2" N.C. hex.

39шт.

7

70838

COVER

- rear cover drive shaft

1шт.

8

A50058

GASKET

- drive shaft cover mtg.

1шт.

9

13-616

BOLT,Hex, 3/8" - 16 x 1", Gr 5, Full Thd

16шт.

10

A22317

WASHER

- cover bolt, copper

16шт.

11

51200262

REAR COVER

COVER - oil inlet, rear

2шт.

12

72223

BLOCK

SHIM - cover mtg., .018" to .022" thick

1шт.

13

1342255C1

SHIM

- cover mtg., .007" to .0063" thick

1шт.

14

A50157

X

COVER - transmission front

1шт.

15

70845

GASKET

- front cover mtg.

1шт.

16

R11414

COVER

- oil inlet, frt. cover

2шт.

17

R11428

GASKET

- frt. oil inlet cover

2шт.

18

A50242

FITTING - return tube

1шт.

19

A27577

O-RING,0.139" Thk x 1.234" ID, -218, Cl 5, 75 Duro

"O" RING - fitting

1шт.

20

A50243

TUBE

- oil return

1шт.

21

31543

BREATHER

FILTER - breather

1шт.

22

70665

CAP - pipe, filter mounting

1шт.

23

221-314

NIPPLE - pipe, 2" N.P.T. x 6-1/2"

1шт.

24

221-360

REDUCER - pipe, 3/4" N.P.T. to 2" N.P.T.

1шт.

25

221-218

PIPE,Nipple, 3/4" NPT x 3 1/2"

NIPPLE - pipe, 3/4" N.P.T. x 3-1/2"

1шт.

26

A50237

STUD

- mtg., final drive

32шт.

27

230-4117

LOCK NUT,7/16"-14, GA

NUT - 5/8" N.C. hex.

32шт.

28

R14777

PLUG

- drain, transmission hsg.

1шт.

29

A27947

X

WASHER - drain plug

1шт.

30

R12345

DIPSTICK

- oil level gauge

1шт.

31

R12344

SUPPORT ASSY.

SUPPORT - dipstick

1шт.

32

R19880

FITTING

ELBOW - trans. oil return, 90 degrees

1шт.

33

70822

SHIM

- drive hsg. to main hsg. (.005")

1шт.

34

70821

SHIM

- drive hsg. to main hsg. (.010")

1шт.

Выбрано товаров: 36