Запчасти Case 1150 (078) - R20723 TRANSMISSION CONTROL VALVE (03) - TRANSMISSION

Схема запчастей Case 1150 - (078) - R20723 TRANSMISSION CONTROL VALVE (03) - TRANSMISSION
8
6
13
20
9
8
18
9
1
10
12
15
16
4
3
22
4
21
3
7
11
6
14
10
5
17
19
17
2
16
20
11
FIT
1:1
100%

Артикул

Название

Примечание

Количество

R20723

VALVE

ASSY. - trans. control (4 spool), Includes: Ref. 1-22

1шт.

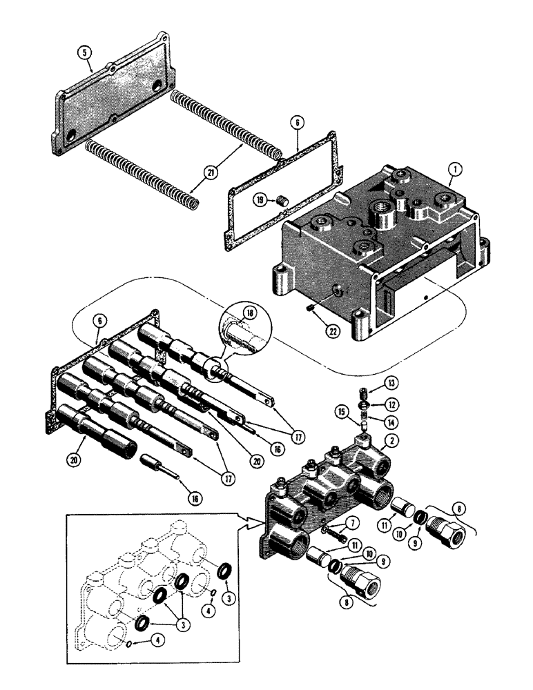
1

R21379

HOUSING

BODY - control valve

1шт.

2

R13942

COVER

ASSY. - front, valve, Includes: Ref. 3

1шт.

3

35015

SEAL - oil, shifter shaft spool

4шт.

4

51200266

SEAL

- oil, brake valve spool

2шт.

5

R21380

COVER - rear, control valve

1шт.

6

71113

GASKET

- cover, front & rear

2шт.

7

193-511

HEX SOC SCREW,Sems, 1/4"-28 x 5/8"

SCREW ASSY. - sems, 1/4" x 5/8" N.F.

12шт.

8

72989

X

HOUSING ASSY. - brake piston, Includes: Ref. 9

2шт.

9

71121

WIPER SEAL,15.88mm ID x 20.78mm OD x 2.74mm Thk

- oil, brake valve piston hsg.

1шт.

10

51200265

RING

"O" RING - oil seal, brake valve

2шт.

11

71129

X

PISTON - brake valve

2шт.

12

131-407

LOCK NUT,Pal, 3/8" - 16, 0.145" High

4шт.

13

178-655

SET SCREW,Hex Soc, 3/8"-16 x 1/2"

SCREW - set, 3/8" x 1/2" N.C., sckt. hd. oval pt.

4шт.

14

71119

SPRING

- detent, spool

4шт.

15

71120

VALVE

DETENT - valve spool

4шт.

16

71141

ROD

- push, brake valve

2шт.

17

G107659

ROD

SPOOL ASSY. - valve, Includes: Ref. 18

4шт.

18

71144

RING

- snap, valve spool

1шт.

19

221-42

X,Sltd, 1/4" NPT

PLUG - pipe, 1/4" hex. socket hd.

1шт.

20

74916

SPOOL

ASSY. - brake valve

2шт.

21

71125

SPRING

- brake valve spool

2шт.

22

221-1849

PLUG

- pipe, 1/8" hex. socket hd.

2шт.

Выбрано товаров: 23