Запчасти Case 1150 (128) - SEAT AND TANK (05) - UPPERSTRUCTURE CHASSIS

Схема запчастей Case 1150 - (128) - SEAT AND TANK (05) - UPPERSTRUCTURE CHASSIS
17
23
16
21
46
1
34
42
19
48
39
30
50
49
24
18
9
44
54
11
29
33
38
26
52
29
37
35
13
5
3
56
22
10
55
6
2
4
12
43
57
45
40
25
14
8
36
15
51
32
7
53
47
28
31
FIT
1:1
100%

Артикул

Название

Примечание

Количество

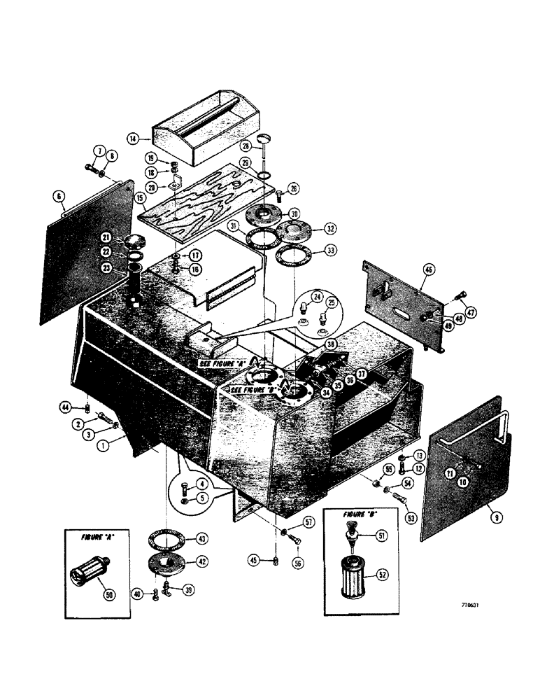
1

D36300

SEAT AND TANK - crawler

1шт.

2

13-1024

BOLT,Hex, 5/8" - 11 x 1-1/2", Gr 5, Full Thd

3шт.

3

A28084

WASHER

- special

3шт.

4

13-1032

BOLT,Hex, 5/8" - 11 x 2", Gr 5

8шт.

5

92-10

LOCK WASHER,5/8"

WASHER, LOCK, 5/8"

8шт.

6

D36330

PLATE

- side, L.H.

1шт.

7

13-816

BOLT,Hex, 1/2" - 13 x 1", Gr 5, Full Thd

4шт.

8

92-8

LOCK WASHER,1/2"

4шт.

9

D36275

PLATE - side, R.H.

1шт.

10

13-816

BOLT,Hex, 1/2" - 13 x 1", Gr 5, Full Thd

2шт.

11

92-8

LOCK WASHER,1/2"

2шт.

12

13-820

BOLT,Hex, 1/2" - 13 x 1-1/4", Gr 5, Full Thd

2шт.

13

92-8

LOCK WASHER,1/2"

2шт.

14

R18452

TRAY - tool (Used before tractor serial no. 7107603)

1шт.

14

D39415

TRAY - tool (Used on tractor serial no. 7107603 and after)

1шт.

15

D36329

BOARD - bottom (Used before tractor serial no. 7107603)

1шт.

D40245

BOARD - bottom (Used on tractor serial no. 7107603 and after)

1шт.

16

13-620

BOLT,Hex, 3/8" - 16 x 1-1/4", Gr 5, Full Thd

(Used with D36329 board only) Hex, 3/8"-16 x 1 1/4", G5, Full Thd

1шт.

17

195-25

WASHER,3/8"

- plain () 3/8"

1шт.

18

92-6

LOCK WASHER,3/8"

1шт.

19

25-106

NUT,3/8"-16, G5

- hex. (3/8" - 16 NC)

1шт.

20

70613

ANGLE - tray stop (Used with D36329 board only)

1шт.

21

D31747

COVER

CAP - fuel tank

1шт.

22

D34975

GASKET

- cap

1шт.

23

D36346

STRAINER ELEMENT

STRAINER - fuel

1шт.

24

D33027

BREATHER

VALVE - air inlet, fuel tank

1шт.

25

D33028

VALVE

- relief, fuel tank

1шт.

26

D50550

BOLT

- special

12шт.

28

D36276

DIPSTICK

- hydraulic oil

1шт.

29

A7552

O-RING,0.21" Thk x 1.975" ID, -329, Cl 5, 75 Duro

SEAL - "O" ring

1шт.

30

D34977

CAP

COVER - hydraulic tank

1шт.

31

D34978

GASKET

- cover

1шт.

32

D34976

COVER - hydraulic tank

1шт.

33

D34978

GASKET

- cover

1шт.

34

221-130

PIPE,Nipple, 1/4" NPT x 7/8"

NIPPLE - pipe, reducing

1шт.

35

221-431

TEE

- pipe, reducing

1шт.

36

221-51

SUN VISOR,Hex, 1/4" x 1/8" NPT

BUSHING - pipe, 1/4" NPT x 1/8" NPT

1шт.

37

D38663

VENT

VALVE - relief, hydraulic tank

1шт.

38

R15538

VALVE

- air inlet, hydraulic tank

1шт.

39

217-81

VALVE

DRAIN COCK - fuel tank

1шт.

40

D50550

BOLT

- special

6шт.

42

D34979

COVER

- fuel tank drain

1шт.

43

D50547

GASKET,1.52mm Thk

- cover

1шт.

44

221-14

DRAIN PLUG,Sq Hd, 1/2"-14 NPTF

PLUG - pipe, square head (1/2" NPT)

1шт.

45

221-15

PLUG,Sq Hd, 3/4"-14

- pipe, square head (3/4" NPT)

1шт.

46

D36340

PLATE - heel

1шт.

47

13-1020

BOLT,Hex, 5/8" - 11 x 1-1/4", Gr 5, Full Thd

4шт.

48

92-10

LOCK WASHER,5/8"

WASHER, LOCK, 5/8"

4шт.

49

25-108

NUT,1/2"-13, G5

- hex. (5/8" - 11 NC)

2шт.

50

D33557

FILTER, ELEMENT

FILTER - hydraulic tank, suction line

1шт.

51

D35996

VALVE PRESSURE RELIE

VALVE - pressure relief

1шт.

52

D35995

STRAINER ELEMENT

FILTER - hydraulic tank, return line

1шт.

53

13-1028

BOLT,Hex, 5/8" - 11 x 1-3/4", Gr 5, Full Thd

2шт.

54

A28084

WASHER

- special

4шт.

55

25-1010

NUT,5/8"-11, G5

2шт.

56

13-1028

BOLT,Hex, 5/8" - 11 x 1-3/4", Gr 5, Full Thd

3шт.

57

A28084

WASHER

- special

3шт.

Выбрано товаров: 57