Запчасти Case 1150 (186) - RIPPER (05) - UPPERSTRUCTURE CHASSIS

Схема запчастей Case 1150 - (186) - RIPPER (05) - UPPERSTRUCTURE CHASSIS
24
26
36
33
16
39
43
25
32
45
22
2
7
18
6
11
42
15
12
13
34
32
27
44
14
3
23
19
20
46
35
31
21
4
37
41
38
29
23
9
28
5
36
8
10
40
1
17
30
FIT
1:1
100%

Артикул

Название

Примечание

Количество

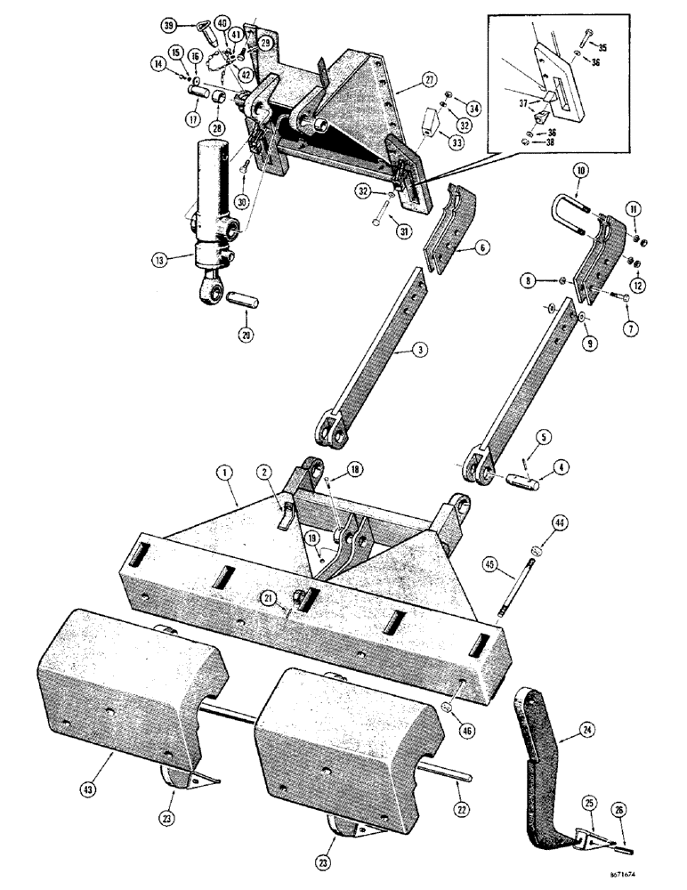
1

D33699

FRAME KIT - ripper, Includes: Ref. 2

1шт.

2

D33698

BRACKET

- ripper latch

1шт.

3

D38106

ARM

- attaching

2шт.

4

73592

AXLE PIN

PIN - arm mounting

2шт.

5

138-180

LOCK PIN,3/8" x 2 1/2", Slotted

PIN, 3/8" x 2 1/2", Slotted

4шт.

6

D38105

BRACKET

- ripper attaching

2шт.

7

13-1660

BOLT,Hex, 1" - 8 x 3-3/4", Gr 5

6шт.

8

25-1016

NUT,1"-8, G5

6шт.

9

95-16

WASHER,1 1/16" x 2 1/2" x .164"

- standard wrot (1")

12шт.

10

70884

BOLT

"U" BOLT - bracket

2шт.

11

92-10

LOCK WASHER,5/8"

WASHER, LOCK, 5/8"

4шт.

12

25-1110

NUT,5/8"-18, G5

- hex. (5/8" - 18 NF)

4шт.

13

D36345

CYLINDER - ripper (Parts list Figure 222)

1шт.

14

13-1020

BOLT,Hex, 5/8" - 11 x 1-1/4", Gr 5, Full Thd

2шт.

15

92-10

LOCK WASHER,5/8"

WASHER, LOCK, 5/8"

2шт.

16

70523

WASHER,16.67mm ID x 47.63mm OD x 6.35mm Thk

- retaining

2шт.

17

D33697

PIN

- cylinder mounting

2шт.

18

13-648

BOLT,Hex, 3/8" - 16 x 3", Gr 5

HHCS - 3/8" - 16 NC x 3"

1шт.

19

131-352

LOCK NUT,3/8"-16, GA

NUT - hex., lock (3/8" - 16 NC)

1шт.

20

D31841

AXLE PIN

PIN - cylinder mounting

1шт.

21

138-180

LOCK PIN,3/8" x 2 1/2", Slotted

PIN, 3/8" x 2 1/2", Slotted

1шт.

22

R21067

ROD

- teeth retaining

1шт.

23

R18255

TOOTH

ASSEMBLY, Includes: Ref. 24-26

3шт.

24

NSS

NOT SOLD SEPARAT

SHANK

1шт.

25

74172

TOOTH

1шт.

26

138-207

LOCK PIN,1/2" x 2 1/4", Slotted

PIN, 1/2" x 2 1/4", Slotted

1шт.

27

D33684

FUNNEL

FRAME - ripper mounting, for models with early production "wedge blocks" order with (2) 13-872 cap screws, (2) 195-33 plain washers, (2) 131-354 locknuts and (2) D40785 wedge blocks for service (See ref. no. 37)

1шт.

28

D30929

BUSHING,38.33mm ID x 47.63mm OD x 38.1mm L

- frame

2шт.

29

13-1224

BOLT,Hex, 3/4" - 10 x 1-1/2", Gr 5

8шт.

30

13-1248

BOLT,Hex, 3/4" - 10 x 3", Gr 5

4шт.

31

13-880

BOLT,Hex, 1/2" - 13 x 5", Gr 5

2шт.

32

195-33

WASHER,1/2"

- plain () 1/2"

4шт.

33

D40785

BLOCK

- wedge (Late production)

2шт.

34

131-354

LOCK NUT,1/2"-13, GA

NUT - hex., lock (1/2" - 13 NC)

2шт.

35

13-848

BOLT,Hex, 1/2" - 13 x 3", Gr 5

HHCS - 1/2" - 13 NC x 3"

2шт.

36

95-8

WASHER,1/2"

- standard wrot 1/2"

4шт.

37

D33696

BLOCK - wedge (Early production) For service, order D13877 mounting kit

1шт.

38

131-354

LOCK NUT,1/2"-13, GA

NUT - hex., lock (1/2" - 13 NC)

2шт.

39

D39129

AXLE PIN

PIN - ripper lock

1шт.

40

13-512

BOLT,Hex, 5/16" - 18 x 3/4", Gr 5

1шт.

41

95-5

WASHER,3/8" x 7/8" x .083"

- standard wrot (5/16")

1шт.

42

35393

AXLE-SHAFT, ARTICULA

CHAIN - pin retaining

1шт.

43

70885

WEIGHT

- ripper, 875 lbs.

2шт.

44

25-1016

NUT,1"-8, G5

4шт.

45

D35937

STUD

- 1" - 8 NC x 15-1/2"

4шт.

46

230-41116

NUT,1"-8, GA

NUT - hex., lock (1" - 8 NC)

4шт.

Выбрано товаров: 46