Запчасти Case 1150 (182) - EQUIPMENT CONTROL VALVE AND LEVERS, 3 SPOOL DOZER (07) - HYDRAULIC SYSTEM

Схема запчастей Case 1150 - (182) - EQUIPMENT CONTROL VALVE AND LEVERS, 3 SPOOL DOZER (07) - HYDRAULIC SYSTEM
27b
14
35
7
16
5
21
32
2
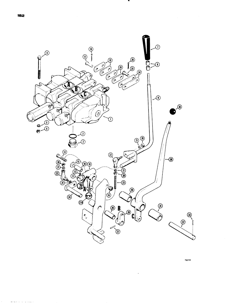
1
31
15
34
28
22
36
26
21
21
20
27
21
30
10
8
29
3
20
33
27a
13
12
22
4
24
23
19
9
25
17
20
11
19
18
6
FIT
1:1
100%

Артикул

Название

Примечание

Количество

1

D41536

VALVE

hydraulic, dozer control (Parts list Figure 212), used on power tilt, with drawbar

1шт.

2

273916

PLUG,Hex, 1-5/16" - 12 ORB

Hydraulic, No. 3 spool (If used), Includes Ref. 3, used on power tilt dozer with drawbar Hex Hd, 1 5/16"-12 ORB

2шт.

3

218-5010

O-RING,0.116" Thk x 1.171" ID, -916, Cl 6, 90 Duro

SEAL - "O"ring, used on power tilt dozer with drawbar

1шт.

4

13-872

BOLT,Hex, 1/2" - 13 x 4-1/2", Gr 5

Used on Power tilt dozer with drawbar Hex, 1/2"-13 x 4 1/2", G5

3шт.

5

92-8

LOCK WASHER,1/2"

used on power tilt dozer with drawbar 1/2"

3шт.

6

25-108

NUT,1/2"-13, G5

- hex (1/2" - 13 NC), used on power tilt dozer with drawbar

3шт.

7

D37550

KNOB

HANDLE - control lever, used on power tilt dozer with drawbar

1шт.

8

D38662

RING

- spacer, used on power tilt dozer with drawbar

2шт.

9

D42994

LEVER

- dozer control, used on power tilt, with drawbar

1шт.

10

D40877

PIVOT

LEVER - pivot, used on power tilt dozer with drawbar

1шт.

11

D43620

COLLAR

- control lever, used on power tilt dozer with drawbar

1шт.

12

83-54

SET SCREW,Hex Soc, 5/16"-18 x 1/4", Cup Pt

Used on power tilt dozer with drawbar Hex Soc, 5/16"-18 x 1/4", Cup Pt

1шт.

13

14-840

BOLT,Hex, 1/2" - 20 x 2-1/2", Gr 5

HHCS - 1/2" - 20 NF x 2-1/2", used on power tilt dozer with drawbar

1шт.

14

25-158

JAM NUT,Jam, 1/2"-20, G5

- hex, jam (1/2" - 20 NF), used on power tilt dozer with drawbar

1шт.

15

195-33

WASHER,1/2"

- plain (), used on power tilt dozer with drawbar 1/2"

1шт.

16

D40893

BUSHING

- pivot lever, used on power tilt dozer with drawbar

1шт.

17

141-6

CLEVIS PIN,1/2" x 1.360"

PIN - clevis, used on power tilt dozer with drawbar

4шт.

18

132-48

COTTER PIN,1/8" x 1"

Pin, Split (Cotter), , Used on power tilt dozer with drawbar 1/8" x 1"

4шт.

19

R22269

LINK

- control lever to valve, used on power tilt dozer with drawbar

4шт.

20

25-116

NUT,Hex, 3/8"-24, G5

- hex (3/8" - 24 NF), used on power tilt dozer with drawbar

3шт.

21

92-6

LOCK WASHER,3/8"

used on power tilt dozer with drawbar 3/8"

4шт.

22

D45509

BALL

JOINT, used on power tilt dozer with drawbar

2шт.

23

D40917

STUD

BOLT - stud, used on power tilt dozer with drawbar

1шт.

24

D43161

PIN

- linkage, used on power tilt dozer with drawbar

1шт.

25

D42980

BUSHING

- linkage bracket, used on power tilt dozer with drawbar

1шт.

26

D42952

LEVER

- pin to valve link, used on power tilt dozer with drawbar

1шт.

27

138-97

LOCK PIN,3/16" x 1 1/8", Slotted

PIN, , Used on power tilt dozer with drawbar 3/16" x 1 1/8", Slotted

1шт.

27a

219-103

FITTING

- grease, straight (1/8" NPT), used on power tilt dozer with drawbar

1шт.

27b

219-55

LUBE NIPPLE,90 Degree Elbow, 1/8" - 27 NPTF

NIPPLE, LUBE, , Used on power tilt dozer with drawbar 90º, 1/8" NPT x .84" lg

1шт.

28

D43165

LEVER

- control, Includes: Ref. 29, used on power tilt dozer with ripper or power angle tilt dozer with drawbar

1шт.

29

D36231

BUSHING

- lever, used on power tilt dozer with ripper or power angle tilt dozer with drawbar

1шт.

30

70213

KNOB

- control lever, used on power tilt dozer with ripper or power angle tilt dozer with drawbar

1шт.

31

F62203

BUSHING

SPACER - lever, used on power tilt dozer with ripper or power angle tilt dozer with drawbar

1шт.

32

D42983

SHAFT

PIN - mounting, lever, used on power tilt dozer with ripper or power angle tilt dozer with drawbar

1шт.

33

138-102

LOCK PIN,3/16" x 1 3/4", Slotted

PIN, , Used on power tilt dozer with ripper or power angle tilt dozer with drawbar 3/16" x 1 3/4", Slotted

1шт.

34

D36230

LEVER

LINK - control lever to valve, used on power tilt dozer with ripper or power angle tilt dozer with drawbar

2шт.

35

141-6

CLEVIS PIN,1/2" x 1.360"

PIN - clevis, used on power tilt dozer with ripper or power angle tilt dozer with drawbar

2шт.

36

132-48

COTTER PIN,1/8" x 1"

Pin, Split (Cotter), , Used on power tilt dozer with ripper or power angle tilt dozer with drawbar 1/8" x 1"

2шт.

Выбрано товаров: 38