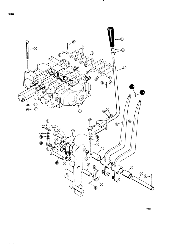
Запчасти Case 1150 (184) - EQUIPMENT CONTROL VALVE AND LEVERS, 4 SPOOL DOZER, USED ON POWER TILT DOZER W/ DUAL PULL BEHIND (07) - HYDRAULIC SYSTEM

Схема запчастей Case 1150 - (184) - EQUIPMENT CONTROL VALVE AND LEVERS, 4 SPOOL DOZER, USED ON POWER TILT DOZER W/ DUAL PULL BEHIND (07) - HYDRAULIC SYSTEM
9
13
1
17
19
19
27
18
32
20
18
11
29
2
35
31
17
10
18
21
28
6
20
24
25
4
12
19
7
5
38
33
19
37
16
33
30
26
34
14
8
15
3
23
22
FIT
1:1
100%

Артикул

Название

Примечание

Количество

1

D42607

VALVE - hydraulic, dozer control (Parts list Figure 212)

1шт.

2

13-872

BOLT,Hex, 1/2" - 13 x 4-1/2", Gr 5

3шт.

3

92-8

LOCK WASHER,1/2"

3шт.

4

25-108

NUT,1/2"-13, G5

- hex (1/2" - 13 NC)

3шт.

5

D37550

KNOB

HANDLE - control lever

1шт.

6

D38662

RING

- spacer

2шт.

7

D42994

LEVER

- dozer control

1шт.

8

D40877

PIVOT

LEVER - pivot

1шт.

9

D43620

COLLAR

- control lever

1шт.

10

83-54

SET SCREW,Hex Soc, 5/16"-18 x 1/4", Cup Pt

1шт.

11

14-840

BOLT,Hex, 1/2" - 20 x 2-1/2", Gr 5

HHCS - 1/2" - 20 NF x 2-1/2"

1шт.

12

25-108

NUT,1/2"-13, G5

- hex, jam (1/2" - 20 NF)

1шт.

13

195-33

WASHER,1/2"

- plain () 1/2"

1шт.

14

D40893

BUSHING

- pivot lever

1шт.

15

141-6

CLEVIS PIN,1/2" x 1.360"

PIN - clevis

4шт.

16

132-48

COTTER PIN,1/8" x 1"

Pin, Split (Cotter), 1/8" x 1"

4шт.

17

R22269

LINK

- control lever to valve, No. 1 and No. 2 spools

4шт.

18

25-116

NUT,Hex, 3/8"-24, G5

- hex (3/8" - 24 NF)

3шт.

19

92-6

LOCK WASHER,3/8"

4шт.

20

D45509

BALL

JOINT

2шт.

21

D40917

STUD

BOLT - stud

1шт.

22

D43161

PIN

- linkage

1шт.

23

D42980

BUSHING

- linkage bracket

1шт.

24

D42952

LEVER

- pin to valve link

1шт.

25

138-97

LOCK PIN,3/16" x 1 1/8", Slotted

PIN, 3/16" x 1 1/8", Slotted

1шт.

26

D43165

LEVER

- control, No. 3 spool, Includes: Ref. 27

1шт.

27

D36231

BUSHING

- lever

1шт.

28

D43166

LEVER - control, No. 4 spool, Includes: Ref. 29

1шт.

29

D36231

BUSHING

- lever

1шт.

30

70213

KNOB

- control lever

2шт.

31

D42983

SHAFT

PIN - lever mounting

1шт.

32

138-102

LOCK PIN,3/16" x 1 3/4", Slotted

PIN, 3/16" x 1 3/4", Slotted

1шт.

33

D36230

LEVER

LINK - control lever to valve, No. 3 and No. 4 spools

4шт.

34

141-6

CLEVIS PIN,1/2" x 1.360"

PIN - clevis

4шт.

35

132-48

COTTER PIN,1/8" x 1"

Pin, Split (Cotter), 1/8" x 1"

4шт.

36

219-103

FITTING

- grease, straight (1/8" NPT)

1шт.

37

219-55

LUBE NIPPLE,90 Degree Elbow, 1/8" - 27 NPTF

NIPPLE, LUBE, 90º, 1/8" NPT x .84" lg

1шт.

Выбрано товаров: 37