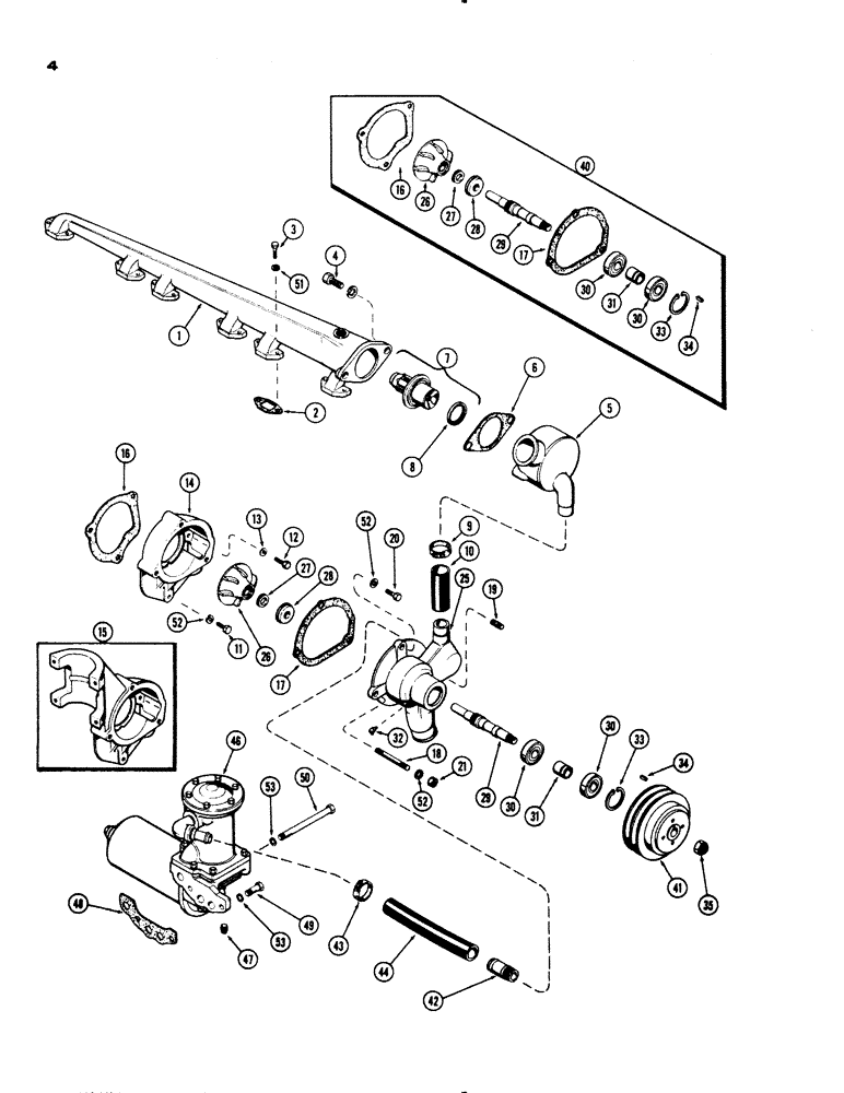
Запчасти Case 1150 (004) - WATER PUMP & OIL COOLER SYSTEM, (401) DIESEL ENGINE, USED PRIOR TO ENG. SN 2306516 (01) - ENGINE

Схема запчастей Case 1150 - (004) - WATER PUMP & OIL COOLER SYSTEM, (401) DIESEL ENGINE, USED PRIOR TO ENG. SN 2306516 (01) - ENGINE
19
53
31
16
35
28
30
34
26
27
29
53
20
30
16
43
40
51
30
28
8
11
2
17
13
5
47
52
14
12
15
30
4
17
52
34
26
44
9
33
42
52
25
7
29
31
1
18
33
50
21
46
27
32
3
41
10
6
48
49
FIT
1:1
100%

Артикул

Название

Примечание

Количество

1

A11419

HOSE ASSY.

MANIFOLD - water

1шт.

2

A27905

GASKET

- water manifold mounting

6шт.

3

13-518

BOLT,Hex, 5/16" - 18 x 1-1/8", Gr 5

12шт.

4

13-620

BOLT,Hex, 3/8" - 16 x 1-1/4", Gr 5, Full Thd

2шт.

5

A34002

HOUSING

- thermostat

1шт.

6

A11421

GASKET

- thermostat housing

1шт.

7

A7634

THERMOSTAT

ASSY. - WATER (180 deg. TO 195 deg.), Includes: Ref. 8

1шт.

8

A11423

SEAL

- thermostat

1шт.

Catalog error not furnished with A7634, need to order seperately.

1шт.

9

214-256

HOSE CLAMP,#20, 0.81" - 1.75", Type F Worm

CLAMP - hose, 1-3/16" to 1-3/4"

2шт.

10

A23110

HOSE,1.25" ID x 3.25", SAE 20R2 Class R

SAE 20R4 Class R Grade 2 - Water by-pass (Was A28115) 1.25" ID x 3.25", SAE 20R2 Class R

1шт.

11

113-221

BOLT,Hex, 3/8" - 16 x 7/8", Gr 5

1шт.

12

13-618

BOLT,Hex, 3/8" - 16 x 1-1/8", Gr 5

1шт.

13

A22317

WASHER

- adapter (23/64 x 11/16 x 18 ga. copper)

1шт.

14

A34441

ADAPTER

- water pump (1st used eng. ser. no. 2205978)

1шт.

15

A22583

ADAPTER

- water pump & final fuel filter (used prior to eng. ser. no. 2205978)

1шт.

16

A57596

GASKET

- adapter mounting (Replaces A27899)

1шт.

Part of water pump repair kit P/N A40744

1шт.

17

A22600

GASKET

- water pump mounting

1шт.

Part of water pump repair kit P/N A40744

1шт.

18

A33997

STUD

- mtg., water pump & adapter (3/8" N.C. x 3-9/16")

1шт.

19

A7391

STUD

- mtg., generator strap (3/8" N.C./N.F. x 1)

1шт.

20

13-620

BOLT,Hex, 3/8" - 16 x 1-1/4", Gr 5, Full Thd

1шт.

21

25-106

NUT,3/8"-16, G5

- 3/8" N.C. hex

2шт.

25

A34009

PUMP

ASSY. - water, Includes: Ref. 26 thru 35

1шт.

26

A33999

IMPELLER

- water

1шт.

Part of water pump repair kit P/N A40744

1шт.

27

A34000

SEAL

SEAT ASSY. - impeller

1шт.

Part of water pump repair kit P/N A40744

1шт.

28

A24995

SEAL

- pump shaft

1шт.

Part of water pump repair kit P/N A40744

1шт.

29

A21044

SHAFT

- water pump

1шт.

Part of water pump repair kit P/N A40744

1шт.

30

A21045

BALL BEARING,19.99mm ID x 47mm OD x 14mm W

BEARING - pump shaft

2шт.

Part of water pump repair kit P/N A40744

1шт.

31

A24600

SPACER

- bearing

1шт.

Part of water pump repair kit P/N A40744

1шт.

32

219-54

LUBE NIPPLE,65 Degree Elbow, 1/8" - 27 NPTF

FITTING - grease, 1/8" P.T. x 67-1/2"

1шт.

33

A22572

SNAP RING,1.85", Int, #185

Ring, Snap, , brg 1.85", Int, #185

1шт.

Part of water pump repair kit P/N A40744

1шт.

34

A21075

KEY

-, Serial Range: pulley-shaft

1шт.

Part of water pump repair kit P/N A40744

1шт.

35

131-580

LOCK NUT,5/8"-18

NUT - flex, thin, 5/8" N.F. hex

1шт.

40

A40744

KIT

- water pump repair, Includes: Ref. 16, 17, 26 thru 31, 33 and 34

1шт.

41

A34115

PULLEY

- water pump & fan

1шт.

42

A16529

NIPPLE, LUBE

NIPPLE - water pump to cooler hose

1шт.

43

214-256

HOSE CLAMP,#20, 0.81" - 1.75", Type F Worm

CLAMP - hose, 1-3/16" to 1-3/4"

2шт.

44

A21093

HOSE,9.75", SAE 20R4

1.00" ID x or SAE 20R2, Water Pump to Cooler 9.75", SAE 20R4

1шт.

46

NS

NOT SERVICED

COOLER & FILTER ASSY. - oil, (Repairs P.7)

1шт.

47

221-12

PLUG,Sq Hd, 1/4"-18

- pipe, 1/4" sq. hd.

1шт.

48

A21084

GASKET

- cooler &, Serial Range: filter-block

1шт.

49

13-824

BOLT,Hex, 1/2" - 13 x 1-1/2", Gr 5, Full Thd

1шт.

50

15-888

BOLT

- 1/2 x 5-1/2" N.C. hex

1шт.

51

193-9

LOCK WASHER,Ext Tooth, 5/16"

WASHER, LOCK, Ext Tooth, 5/16"

12шт.

52

92-6

LOCK WASHER,3/8"

6шт.

53

92-8

LOCK WASHER,1/2"

2шт.

Выбрано товаров: 56