Запчасти Case 1150 (030) - MUFFLER AND DRY TYPE AIR CLEANER (01) - ENGINE

Схема запчастей Case 1150 - (030) - MUFFLER AND DRY TYPE AIR CLEANER (01) - ENGINE
15
16
12
14
20
27
11
29
15
10
33
1
18
17
28
32
13
5
19
23
8
12
22
4
26
25
30
24
2
34
6
21
3
9
31
7
FIT
1:1
100%

Артикул

Название

Примечание

Количество

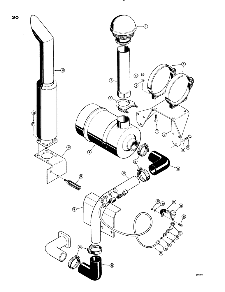
1

A10872

CAP

- screen, air cleaner

1шт.

2

D34631

TUBE

STACK - air cleaner

1шт.

3

A19955

CLAMP

- stack

1шт.

4

D36261

CLEANER

AIR CLEANER - dry type, standard (Parts list Figure 34) See Figure 34 for optional air cleaner

1шт.

5

70973

BRACKET

CLAMP - mounting, air cleaner

2шт.

6

D36267

BRACKET

- air cleaner

1шт.

7

13-512

BOLT,Hex, 5/16" - 18 x 3/4", Gr 5

4шт.

8

92-5

LOCK WASHER,5/16"

med sect. 5/16"

4шт.

9

9635082

NUT,5/16" - 18, Gr 5

- hex (5/16" - 18 NC)

4шт.

10

13-616

BOLT,Hex, 3/8" - 16 x 1", Gr 5, Full Thd

6шт.

11

92-6

LOCK WASHER,3/8"

med. sect. 3/8"

6шт.

12

D36262

LARGE HOSE

ELBOW - hose

2шт.

13

D36265

TUBE - air, Serial Range: cleaner-manifold

1шт.

14

A19955

CLAMP

- tube

1шт.

15

214-264

HOSE CLAMP,#52, 2.81" - 3.75", Type F Worm

CLAMP - hose

4шт.

16

D36271

SHIELD - manifold heat

1шт.

17

173-201

SCREW,Rnd Hd, 1/4" - 20 x 1/2"

RHMS - 1/4" - 20 NC x 1/2" (Zinc Plated)

2шт.

18

D41011

INDICATOR

FILTER INDICATOR - air cleaner

1шт.

D41011 FILTER INDICATOR, AIR CLEANER. ORDER PT. NO. D47217.

1шт.

19

D45064

CLAMP,1 3/8", Insul, 1/4" Bolt

- indicator

1шт.

20

92-4

LOCK WASHER,1/4"

WASHER, LOCK, 1/4"

2шт.

21

25-104

NUT,1/4"-20, G5

2шт.

22

221-366

ELBOW UNION,45 Degree, 1/4" NPT

ELBOW - female, pipe (45deg.) 1/4" NPT

1шт.

23

221-51

SUN VISOR,Hex, 1/4" x 1/8" NPT

BUSHING - reducing, 1/4" NPT x 1/8" NPT

1шт.

D35816

CONNECTOR, ELEC

CONNECTOR ASSEMBLY - male, straight (Flex tube), Includes: Ref. 24 - 26

1шт.

24

NSS

NOT SOLD SEPARAT

CONNECTOR - male, straight

1шт.

25

D37176

SLEEVE

- connector

1шт.

26

D37362

TUBE NUT

- connector

1шт.

27

D41644

TUBE

- indicator to inlet tube

1шт.

D35091

PIPE FITTING

CONNECTOR ASSEMBLY - female, Includes: Ref. 28 - 30

1шт.

28

D37362

TUBE NUT

- connector

1шт.

29

D37176

SLEEVE

- connector

1шт.

30

NSS

NOT SOLD SEPARAT

CONNECTOR - female

1шт.

31

D36264

FITTING

CONNECTOR - special, filter type

1шт.

32

D35766

MUFFLER

- exhaust

1шт.

33

131-906

NUT

- hex,. Seez-Pruf (1/2" - 13 NC)

4шт.

34

D35768

SPLIT PIN/SAFETY PIN

BRACKET - clamp mounting

1шт.

Выбрано товаров: 37