Запчасти Case 1150 (094) - TRACK FRAME AND RECOIL SYSTEM (04) - UNDERCARRIAGE

Схема запчастей Case 1150 - (094) - TRACK FRAME AND RECOIL SYSTEM (04) - UNDERCARRIAGE
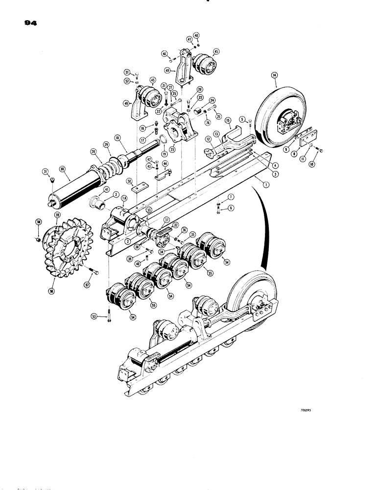
58
53
26
49
36
16
33
54
13
1
32
2
15
55
45
25
31
7
27
14
50
30
54
25
28
43
8
42
21
49
37
29
41
6
35
9
3
48
12
45
19
24
55
59
54
17
18
20
47
38
52
23
54
11
1a
10
5
22
4
57
40
22
39
56
2
51
44
46
34
FIT
1:1
100%

Артикул

Название

Примечание

Количество

1

R24082

FRAME

- track, R.H. (Std. Track Dozer Models), Includes: Ref. 1A and 2

1шт.

1

R24117

FRAME - track, R.H. (Wide Track Dozer Models), Includes: Ref. 1A and 2

1шт.

1

R24080

FRAME

- track, R.H. (Loader Models), Includes: Ref. 1A and 2

1шт.

R5005

BLOCK

KIT - pivot block, R.H. track frames, Includes: Ref. 1A and 2

1шт.

1a

NSS

NOT SOLD SEPARAT

BLOCK - pivot, R.H., Includes: Ref. 2

1шт.

2

D36379

BUSHING,76.33mm ID x 82.58mm OD x 76.2mm L

BUSHING - block

2шт.

1

R24083

FRAME

- track, L.H. (Std. Track Dozer Models), Includes: Ref. 1A and 2

1шт.

1

R24116

FRAME - track, L.H. (Wide Track Dozer Models), Includes: Ref. 1A and 2

1шт.

1

R24081

FRAME

- track, L.H. (Loader Models), Includes: Ref. 1A and 2

1шт.

R5006

BLOCK

KIT - pivot block, L.H. track frames, Includes: Ref. 1A and 2

1шт.

1a

NSS

NOT SOLD SEPARAT

BLOCK - pivot, L.H., Includes: Ref. 2

1шт.

2

D36379

BUSHING,76.33mm ID x 82.58mm OD x 76.2mm L

BUSHING - block

2шт.

3

D35276

PLATE

- wear

4шт.

4

D35290

STRIP

SHIM - wear plate, .0149" thick

1шт.

5

13-1028

BOLT,Hex, 5/8" - 11 x 1-3/4", Gr 5, Full Thd

4шт.

6

13-1020

BOLT,Hex, 5/8" - 11 x 1-1/4", Gr 5, Full Thd

4шт.

7

92-10

LOCK WASHER,5/8"

WASHER, LOCK, 5/8"

4шт.

8

D36063

PLATE

- guide, idler wheel

4шт.

9

D36064

SHIM,.0478" Thk

Plate .0478" Thk

1шт.

10

13-1028

BOLT,Hex, 5/8" - 11 x 1-3/4", Gr 5, Full Thd

16шт.

11

92-10

LOCK WASHER,5/8"

WASHER, LOCK, 5/8"

16шт.

12

13-828

BOLT,Hex, 1/2" - 13 x 1-3/4", Gr 5

HHCS - 1/2" - 13 NC x 1-3/4"

8шт.

13

92-8

LOCK WASHER,1/2"

8шт.

14

D43268

X

IDLER WHEEL - R.H. (Parts list Figure 102)

1шт.

D43267

FRONT IDLER

IDLER WHEEL - L.H. (Parts list Figure 102)

1шт.

15

D36360

YOKE

- idler wheel

2шт.

16

219-1

LUBE NIPPLE,1/8" - 27 NPTF

FITTING - grease, straight (1/8" NPT)

2шт.

17

D35287

CHECK VALVE,5/8" - 18

CHECK BALL ASSEMBLY - track adjuster

2шт.

18

D36642

ADJUSTER

TRACK ADJUSTER - hydraulic (Parts list Figure 102)

2шт.

19

D36362

RING

- quad

2шт.

20

13-1228

BOLT,Hex, 3/4" - 10 x 1-3/4", Gr 5

6шт.

21

13-1280

BOLT,Hex, 3/4" - 10 x 5", Gr 5

2шт.

22

D34666

WASHER,33.34mm ID x 63.5mm OD x 2.38mm Thk

- special

8шт.

23

D43264

HOUSING

RECOIL HOUSING - front, R.H., Includes: Ref. 24

1шт.

D43265

HOUSING

RECOIL HOUSING - front, L.H., Includes: Ref. 24

1шт.

24

D35850

BUSHING

- housing

1шт.

25

14-1032

BOLT,Hex, 5/8" - 18 x 2", Gr 5

10шт.

26

92-10

LOCK WASHER,5/8"

WASHER, LOCK, 5/8"

8шт.

27

NLS

NO LONGER SERVICED

- special

2шт.

28

R18708

SPRING

- recoil

2шт.

29

R21494

O-RING,0.139" Thk x 7.234" ID, -263, Cl 6, 90 Duro

SEAL - "O"ring

2шт.

30

R20109

HOUSING

- recoil spring

2шт.

31

R14777

PLUG

- filler

2шт.

32

D40808

COVER

- pivot shaft

2шт.

33

CASD41288

GASKET

SHIM - cover,.005" thick

8шт.

34

219-1

LUBE NIPPLE,1/8" - 27 NPTF

FITTING - grease, straight (1/8" NPT)

2шт.

35

13-824

BOLT,Hex, 1/2" - 13 x 1-1/2", Gr 5, Full Thd

10шт.

36

92-8

LOCK WASHER,1/2"

10шт.

37

D44185

PLATE

- lock

2шт.

38

R13087

SHIM,.031" Thk

Pivot shaft .031" Thk

1шт.

39

R13420

BOLT

HHCS - 5/8" - 18 NF x 1-3/4"

6шт.

40

R13538

ELECTRICAL WIRE

WIRE - tie

2шт.

41

D41447

SEAL

- oil, pivot block housing

2шт.

42

13-820

BOLT,Hex, 1/2" - 13 x 1-1/4", Gr 5, Full Thd

(Loader Models only) Hex, 1/2"-13 x 1 1/4", G5, Full Thd

4шт.

43

92-8

LOCK WASHER,1/2"

Loader Models only 1/2"

4шт.

44

D36467

STOP

BLOCK - stop (Loader Models only)

2шт.

45

REF

INSTRUCTION

ROLLER - track carrier (See Figure 100 for rollers)

4шт.

46

13-848

BOLT,Hex, 1/2" - 13 x 3", Gr 5

HHCS - 1/2" - 13 NC x 3"

4шт.

47

92-8

LOCK WASHER,1/2"

4шт.

48

25-108

NUT,1/2"-13, G5

- hex, (1/2" - 13 NC)

4шт.

49

D36363

BRACKET

- track carrier roller

4шт.

50

D36385

BUSHING

SPACER - bracket

4шт.

51

26-1240

BOLT,Hex, 3/4" - 10 x 2-1/2", Gr 8

HHCS - 3/4" - 10 NC x 2-1/2"

8шт.

42

D34666

WASHER,33.34mm ID x 63.5mm OD x 2.38mm Thk

- special

8шт.

53

14-1248

BOLT,Hex, 3/4" - 16 x 3", Gr 5

HHCS - 3/4" - 16 NF x 3"

48шт.

54

REF

INSTRUCTION

ROLLER - track, single flange (See Figures 101A and 101C for proper rollers)

8шт.

55

REF

INSTRUCTION

ROLLER - track, double flange (See Figures 101A and 101C for proper rollers)

4шт.

56

D36170

DRIVE SPROCKET

SPROCKET - drive

2шт.

57

70119

BOLT,Hex, 3/4" - 16 x 2.75", Gr 5

- sprocket

14шт.

58

232-46112

LOCK NUT,3/4"-16, GC

NUT - hex., lock (3/4" - 16 NF)

14шт.

59

D45344

GUARD

- seal, final drive

2шт.

44

D36467

STOP

BLOCK - stop (Loader Models only)

2шт.

Выбрано товаров: 72