Запчасти Case 1150 (146) - LOADER HYDRAULICS, PUMP SUCTION AND PRESSURE LINE HYDRAULICS (07) - HYDRAULIC SYSTEM

Схема запчастей Case 1150 - (146) - LOADER HYDRAULICS, PUMP SUCTION AND PRESSURE LINE HYDRAULICS (07) - HYDRAULIC SYSTEM
28
5
18
2
3
24
19
17
29
12
34
31
31
11
30
13
21
1
7
30
14
32
4
3
15
27
25
23
33
22
2
26
30
FIT
1:1
100%

Артикул

Название

Примечание

Количество

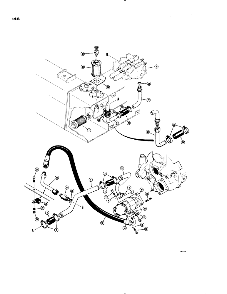
1

D42995

FILTER

- hydraulic tank, suction line

1шт.

2

214-261

HOSE CLAMP,#40, 2.06" - 3", Type F Worm

CLAMP - hose

4шт.

3

D43354

HOSE

- low pressure

2шт.

4

D43330

TUBE - hydraulic tank to pump, suction

1шт.

5

D45873

TUBE

- suction, at pump

1шт.

6

A14157

FLANGE

- split

2шт.

7

13-824

BOLT,Hex, 1/2" - 13 x 1-1/2", Gr 5, Full Thd

4шт.

8

92-8

LOCK WASHER,1/2"

4шт.

9

A14515

O-RING,0.139" Thk x 1.859" ID, -225, Cl 5, 75 Duro

SEAL - "O"ring

1шт.

10

D43363

PUMP

- hydraulic, 52 G.P.M. at 1850 R.P.M. at 1650 P.S.I. (Parts list Figure 206)

1шт.

11

D45312

STUD

- 1/2" - 13 NC x 3-1/2"

4шт.

12

92-8

LOCK WASHER,1/2"

4шт.

13

25-108

NUT,1/2"-13, G5

- hex (1/2" - 13 NC)

4шт.

14

A14157

FLANGE

- split

2шт.

15

13-824

BOLT,Hex, 1/2" - 13 x 1-1/2", Gr 5, Full Thd

4шт.

16

92-8

LOCK WASHER,1/2"

4шт.

17

A14515

O-RING,0.139" Thk x 1.859" ID, -225, Cl 5, 75 Duro

SEAL - "O"ring

1шт.

18

D43350

HOSE

- special, pump outlet valve (54" long)

1шт.

19

D43289

- pump to valve inlet

1шт.

20

D43364

CLAMP

- tube

1шт.

21

13-816

BOLT,Hex, 1/2" - 13 x 1", Gr 5, Full Thd

1шт.

22

92-8

LOCK WASHER,1/2"

1шт.

23

25-108

NUT,1/2"-13, G5

- hex (1/2" - 13 NC)

1шт.

24

D43379

ADAPTER

CONNECTOR - special, tube to valve inlet, Includes: Ref. 25

1шт.

25

218-5011

O-RING,0.118" Thk x 1.475" ID, -920, Cl 6, 90 Duro

SEAL - "O"ring

1шт.

26

REF

INSTRUCTION

VALVE - equipment control (See Figures 178 and 180 for proper valve

1шт.

27

D42939

TUBE

- return, valve outlet to hydraulic tank

1шт.

28

218-5011

O-RING,0.118" Thk x 1.475" ID, -920, Cl 6, 90 Duro

SEAL - "O"ring

1шт.

29

D47536

LARGE HOSE

HOSE - low pressure

1-2шт.

30

214-258

HOSE CLAMP,#28, 1.31" - 2.25", Type F Worm

2-4шт.

31

D42940

TUBE - return, valve to hydraulic tank, Serial Range: -7109332

1шт.

D46987

TUBE

- return, valve to hydraulic tank, Start Serial: 7109332

1шт.

32

D35996

VALVE PRESSURE RELIE

VALVE - pressure relief

1шт.

33

D35995

STRAINER ELEMENT

FILTER - return line, hydraulic tank

1шт.

34

D48678

DEFLECTOR

- oil

1шт.

Выбрано товаров: 35