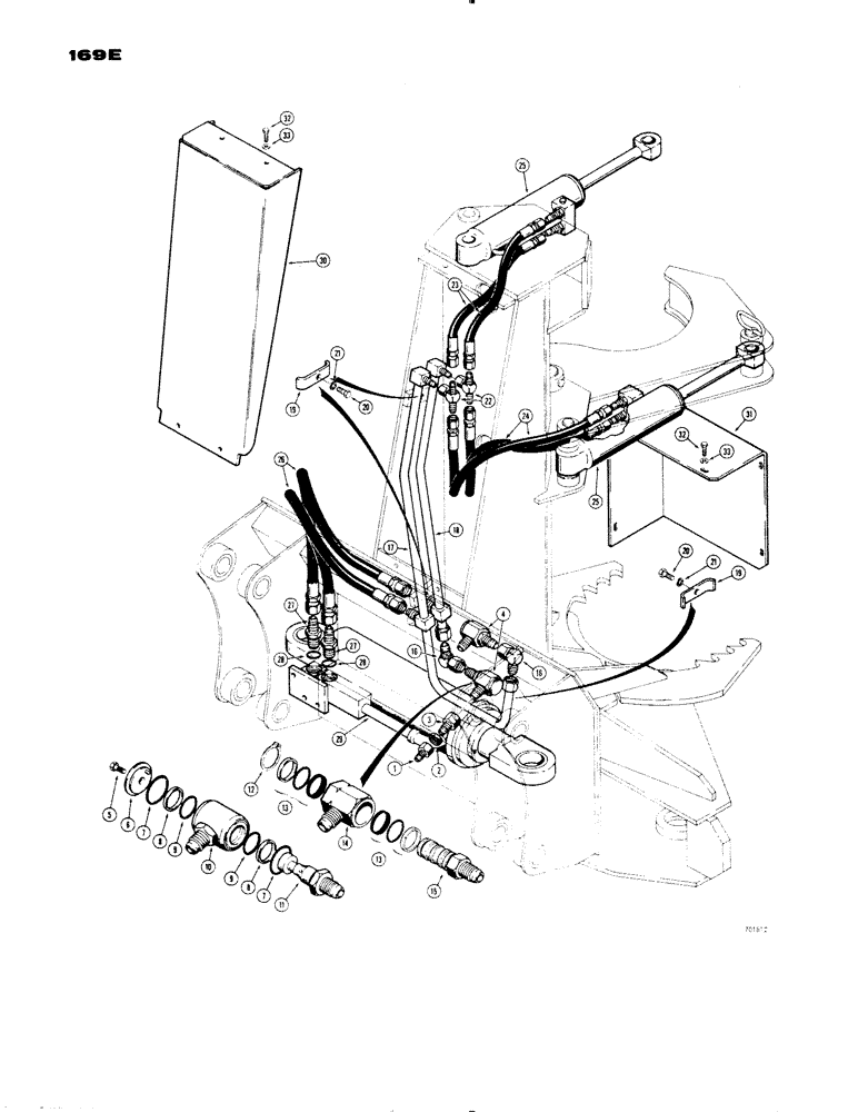
Запчасти Case 1150 (169E) - FELLER BUNCHER, HYDRAULIC LINES AND CYLINDERS (07) - HYDRAULIC SYSTEM

Схема запчастей Case 1150 - (169E) - FELLER BUNCHER, HYDRAULIC LINES AND CYLINDERS (07) - HYDRAULIC SYSTEM
3
16
19
25
7
23
24
17
10
2
28
31
9
13
13
21
12
25
33
27
29
7
15
26
30
18
19
33
32
22
5
6
16
8
28
20
1
11
4
32
20
21
14
9
8
27
FIT
1:1
100%

Артикул

Название

Примечание

Количество

1

218-785

REDUCER,37 Degree, 1 1/16"-12, Fem x 7/8"-14 Male

- tube, complete with nut (3/4" JIC x 5/8" JIC)

2шт.

2

218-348

TUBE NUT,37 Degree, 1 5/16"-12, Type B

NUT - tube reducer (1" JIC)

2шт.

3

218-797

REDUCER,37 Degree, 1" x 3/4" Tube

- tube (1" JIC to 3/4" JIC)

2шт.

4

S205533

FITTING ASSEMBLY - swivel, Includes: Ref. 5 - 15

2шт.

5

13-48

BOLT,Hex, 1/4" - 20 x 1/2", Gr 5

(Mason type) Hex, 1/4"-20 x 1/2", G5, Full Thd

1шт.

6

S7992

GUARD

- grit (Mason type)

1шт.

7

T13224

O-RING,1.484" ID x 1.762" OD x 0.139"

SEAL - "O" ring, large (Mason type)

2шт.

8

S81854

RING, SNAP

WASHER - leather backup (Mason type)

2шт.

9

A7560

O-RING,0.139" Thk x 1.296" ID, -219, Cl 5, 75 Duro

SEAL - "O" ring, small (Mason type)

2шт.

10

NSS

NOT SOLD SEPARAT

BODY - fitting (Mason type)

1шт.

11

NSS

NOT SOLD SEPARAT

STEM - fitting (Mason type)

1шт.

12

S79928

RING, SNAP

RING - snap (Eastman type)

1шт.

13

S79932

KIT

- seal (Eastman type)

1шт.

14

NSS

NOT SOLD SEPARAT

BODY - fitting (Eastman type)

1шт.

15

NSS

NOT SOLD SEPARAT

SHAFT - fitting (Eastman type)

1шт.

16

218-5234

ELBOW,90 Degree, 1 5/16"-12, 37 Degree x 1 5/16"-12, 37 Degree Fem Sw

- 90deg. swivel (1" JIC) (Eastman type)

2шт.

17

S502269

TUBE - to grab arm cylinders (With U-bend) (Eastman type) 1" OD

1шт.

18

S502270

TUBE - to grab arm cylinders (Eastman type) 1" OD x 4.8, 34.58" L

1шт.

19

S46397

CLAMP

- tube (Eastman type)

3шт.

20

13-832

BOLT,Hex, 1/2" - 13 x 2", Gr 5

(Eastman type) Hex, 1/2"-13 x 2", G5

3шт.

21

92-8

LOCK WASHER,1/2"

(Eastman type) 1/2"

3шт.

22

218-840

TEE,37 Degree, 3/4"-16 x 3/4"-16, Fem Sw Br

- branch (1/2" JIC) (Eastman type)

2шт.

23

S88684

HOSE - to top grab arm cylinder (35" long) (Eastman type)

2шт.

24

S76788M1

HOSE - to bottom grab arm cylinder (32" long) (Eastman type)

2шт.

25

S504748

CYLINDER - hydraulic, grab arm (Parts list figure 209C) (Eastman type)

2шт.

26

D44752

HOSE

- to shear cylinder (28" long) (Eastman type)

2шт.

27

218-5077

HYD CONNECTOR,1-1/16" - 12 Male JIC x 1-5/16" - 12 Male ORB

CONNECTOR - swivel, 3/4" JIC x 1" JIC, Incl. Ref. 28, (Eastman type)

2шт.

28

218-5010

O-RING,0.116" Thk x 1.171" ID, -916, Cl 6, 90 Duro

SEAL - "O" ring, 218-5077 connector (Eastman type)

1шт.

29

S502258M2

CYLINDER - hydraulic, shear (Parts list figure 209C) (Eastman type)

1шт.

30

S217628

GUARD - hydraulic lines, upper (Eastman type)

1шт.

31

S505011

GUARD - hydraulic lines, lower (Eastman type)

1шт.

32

13-822

BOLT,Hex, 1/2" - 13 x 1-3/8", Gr 5, Full Thd

(Eastman type) Hex, 1/2"-13 x 1 3/8", G5, Full Thd

8шт.

33

195-33

WASHER,1/2"

- flat, (Eastman type) 1/2"

8шт.

Выбрано товаров: 33