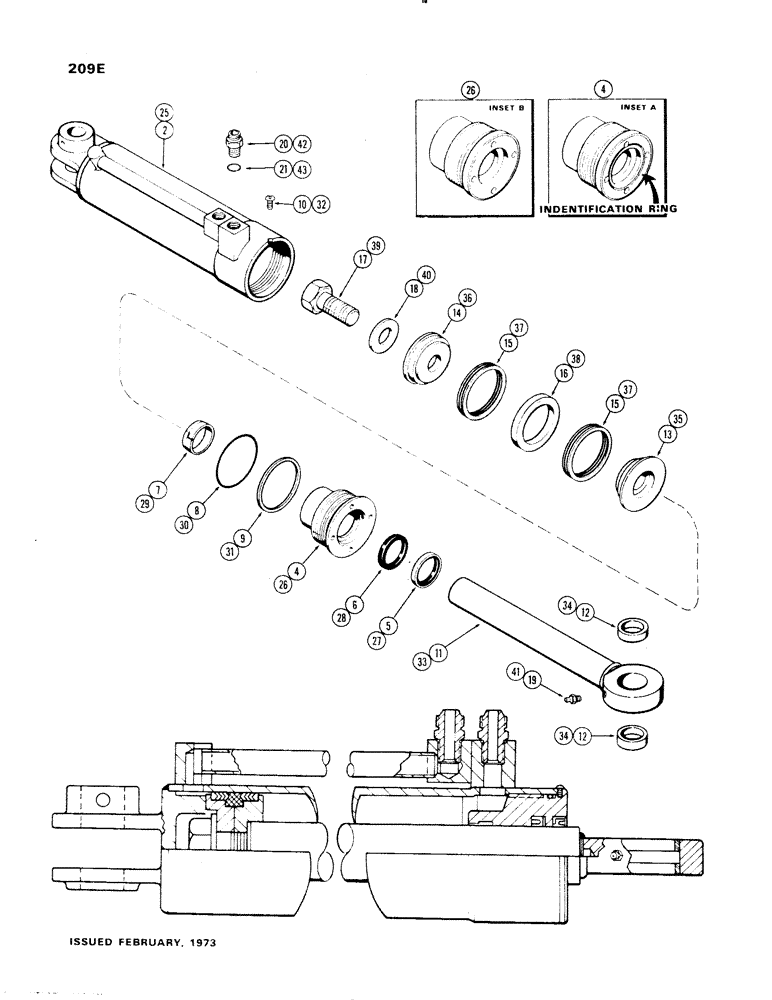
Запчасти Case 1150 (209E) - G33624 AND G33625 CLAM CYLINDERS, 4" DIA. CYLINDER WITH 10" STROKE USED W/SOLID OUTER WIPER (07) - HYDRAULIC SYSTEM

Схема запчастей Case 1150 - (209E) - G33624 AND G33625 CLAM CYLINDERS, 4" DIA. CYLINDER WITH 10" STROKE USED W/SOLID OUTER WIPER (07) - HYDRAULIC SYSTEM
39
26
37
38
26
4
17
9
13
36
29
34
18
41
4
34
12
37
33
15
31
40
14
8
10
30
35
20
6
27
7
15
43
16
19
25
28
32
12
11
21
2
5
FIT
1:1
100%

Артикул

Название

Примечание

Количество

G33624

CYLINDER

ASSY. - clam, left hand, Includes: Ref. 2 - 21

1шт.

G33625

HYDRAULIC CYLINDER

CYLINDER ASSY. - clam, right hand, Includes: Ref. 2 - 21

1шт.

2

G31965

HYD TUBE

TUBE - cylinder body, left hand

1шт.

2

G31964

HYD TUBE,18.69" L

TUBE - cylinder body, right hand

1шт.

G33640

GLAND

ASSY., Includes: Ref. 4 - 9

1шт.

4

NSS

NOT SOLD SEPARAT

GLAND - (w/identification ring) (See Inset A)

1шт.

5

D95144

WIPER SEAL,50.77mm ID x 63.52mm OD x 7.92mm Thk

Wiper - piston rod, outer (2 x 2-1/2 x 5/16")

1шт.

Part of seal kit cylinder repair P/N G32299

1шт.

6

D36971

RING

SEAL - piston rod (2 x 2-1/2 x 7/16")

1шт.

Part of seal kit cylinder repair P/N G32299

1шт.

7

D27380

SCRAPER RING

WIPER - piston rod, inner (split type)

1шт.

Part of seal kit cylinder repair P/N G32299

1шт.

8

A27507

O-RING,0.139" Thk x 3.984" ID, -242, Cl 5, 75 Duro

"O" RING - gland (4 x 4-1/4 x 1/8")

1шт.

Part of seal kit cylinder repair P/N G32299

1шт.

9

G32176

BACK-UP RING,101.22mm ID x 107.32mm OD x 1.4mm Thk

- Gland "O" Ring

1шт.

Part of seal kit cylinder repair P/N G32299

1шт.

10

187-1031

SELF-TAP SCREW,Pan, 0.164"-32 x 1/4"

SCREW - gland lock (#8-32 x 1/4" self tapping)

1шт.

11

G33626

ROD

ASSY. - piston (2-1/4" dia.) (w/identification ring), Includes: Ref. 12

1шт.

12

D33127

BUSHING,38.33mm ID x 47.63mm OD x 12.7mm L

- piston rod

2шт.

13

G33159

PISTON

- split (rod end) (w/identification ring)

1шт.

14

D46930

PISTON

- split (bolt end)

1шт.

15

D47204

PACKING,89.15mm ID x 100.86mm OD

ASSY. - piston ("V" type)

2шт.

Part of seal kit cylinder repair P/N G32299

1шт.

16

D47209

BEARING,3.006" ID x 3.987" OD x 0.631"

RING - center bearing

1шт.

17

28-2040

BOLT,Hex, 1-1/4" - 12 x 2-1/2", Gr 8

- Hex, 1-1/4"-12 NF x 2-1/2", G8, Piston

1шт.

18

G32351

WASHER

- piston bolt (1-3/8 x 2-1/2 x 9/64")

1шт.

19

219-1

LUBE NIPPLE,1/8" - 27 NPTF

FITTING - grease (1/8" P.T. str.)

1шт.

20

218-5066

HYD CONNECTOR,7/8" - 14 Male JIC x 3/4" - 16 Male ORB

CONNECTOR, HYD., , Assy, Incl. Ref. 21 7/8"-14, 37º x 3/4"-16, O-Ring

2шт.

21

237-6010

O-RING,0.097" Thk x 0.755" ID, -910, Cl 6, 90 Duro

"O" RING - connector (3/4 x 1 x 3/32")

1шт.

G32671

CYLINDER

ASSY. - clam, left hand, Includes: Ref. 25 - 31

1шт.

G32672

CYLINDER

ASSY. - clam, right hand, Includes: Ref. 25 - 31

1шт.

25

G31964

HYD TUBE,18.69" L

TUBE - cylinder body, right hand, G32671 and G32672 clam, without gland identification ring

1шт.

25

G31965

HYD TUBE

TUBE - cylinder body, left hand, G32671 and G32672 clam, without gland identification ring

1шт.

G32737

GLAND

ASSY., G32671 and G32672 clam cylinder without identification ring, Includes: Ref. 26 - 31

1шт.

26

NSS

NOT SOLD SEPARAT

GLAND - (w/o identification ring) (See Inset B), G32671 and G32672 clam cylinder

1шт.

27

D95144

WIPER SEAL,50.77mm ID x 63.52mm OD x 7.92mm Thk

Wiper - piston rod, outer (2 x 2-1/2 x 5/16"), G32671 and G32672 clam cylinder without gland identification ring

1шт.

Part of seal kit cylinder repair P/N G32299

1шт.

28

D36971

RING

SEAL - piston rod (2 x 2-1/2 x 7/16"), G32671 and G32672 clam cylinder without gland identification ring

1шт.

Part of seal kit cylinder repair P/N G32299

1шт.

29

D27380

SCRAPER RING

WIPER - piston rod, inner (split type), G32671 and G32672 clam cylinder without gland identification ring

1шт.

Part of seal kit cylinder repair P/N G32299

1шт.

30

A27507

O-RING,0.139" Thk x 3.984" ID, -242, Cl 5, 75 Duro

"O" RING - gland (4 x 4-1/4 x 1/8"), G32671 and G32672 clam cylinder without gland identification ring

1шт.

Part of seal kit cylinder repair P/N G32299

1шт.

31

G32176

BACK-UP RING,101.22mm ID x 107.32mm OD x 1.4mm Thk

- Gland "O" Ring , G32671 and G32672 Clam cylinder without identification ring

1шт.

Part of seal kit cylinder repair P/N G32299

1шт.

32

187-1031

SELF-TAP SCREW,Pan, 0.164"-32 x 1/4"

SCREW - gland lock (#8-32 x 1/4" self tapping), G32671 and G32672 clam cylinder without identification ring

1шт.

33

G31974

ROD

ASSY. - piston (2-1/4" dia.) (w/o identification ring) (Order Rod Assy. G33626, Piston G33159 and Gland Assy. G33640), G32671 and G32672 clam cylinder without identification ring, Includes: Ref. 34

1шт.

34

D33127

BUSHING,38.33mm ID x 47.63mm OD x 12.7mm L

- piston rod, G32671 and G32672 clam cylinder without gland identification ring

2шт.

35

D46424

PISTON

- split (rod end) (w/o identification ring), G32671 and G32672 clam cylinder

1шт.

36

D46930

PISTON

- split (bolt end), G32671 and G32672 clam cylinder without gland identification ring

1шт.

37

D47204

PACKING,89.15mm ID x 100.86mm OD

ASSY. - piston ("V" type), G32671 and G32672 clam cylinder without gland identification ring

2шт.

Part of seal kit cylinder repair P/N G32299

1шт.

38

D47209

BEARING,3.006" ID x 3.987" OD x 0.631"

RING - center bearing, G32671 and G32672 clam cylinder without gland identification ring

1шт.

39

28-2040

BOLT,Hex, 1-1/4" - 12 x 2-1/2", Gr 8

- Hex, 1-1/4"-12 NF x 2-1/2", G8, Piston, G32671 and G32672 clam cylinder without gland identification ring

1шт.

40

G32351

WASHER

- piston bolt (1-3/8 x 2-1/2 x 9/64"), G32671 and G32672 clam cylinder without gland identification ring

1шт.

41

219-1

LUBE NIPPLE,1/8" - 27 NPTF

FITTING - grease (1/8" P.T., str.), G32671 and G32672 clam cylinder without gland identification ring

1шт.

42

218-5066

HYD CONNECTOR,7/8" - 14 Male JIC x 3/4" - 16 Male ORB

CONNECTOR, HYD., , Assy, Incl. Ref. 43, G32671 and G32672 clam cylinder without gland identification ring 7/8"-14, 37º x 3/4"-16, O-Ring

2шт.

43

237-6010

O-RING,0.097" Thk x 0.755" ID, -910, Cl 6, 90 Duro

"O" RING - connector (3/4 x 1 x 1/8"), G32671 and G32672 clam cylinder without gland identification ring

1шт.

G32299

KIT

SEAL KIT - cylinder repair, Incl. Refs. 5, 6, 7, 8, 9, 15, 27, 28, 29, 30, 31 and 37

1шт.

Выбрано товаров: 59