Запчасти Case 1150 (038) - DRY TYPE AIR CLEANER AND EXTENSIONS (01) - ENGINE

Схема запчастей Case 1150 - (038) - DRY TYPE AIR CLEANER AND EXTENSIONS (01) - ENGINE
3
20
18
4
6
19
7
12
15
17
1
10
14
8
9
21
20
21
5
11
13
2
16
19
FIT
1:1
100%

Артикул

Название

Примечание

Количество

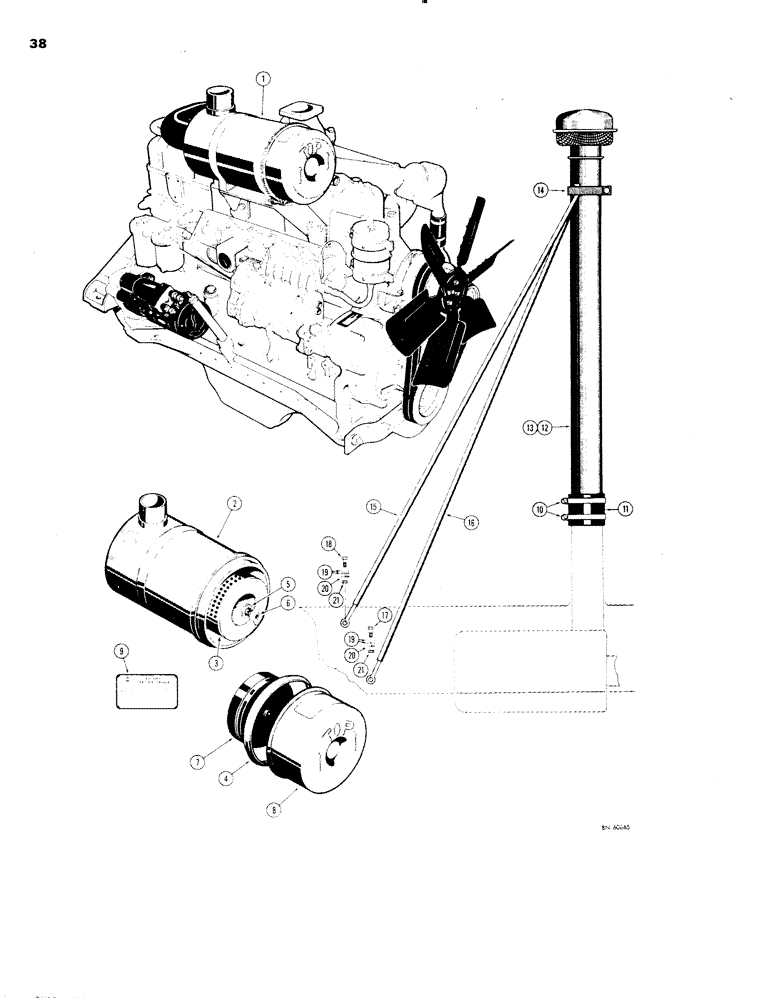
1

D36261

CLEANER

AIR CLEANER - dry type, standard, Includes: Ref. 2 - 9

1шт.

2

NSS

NOT SOLD SEPARAT

BODY - air cleaner

1шт.

3

D37975

FILTER

ELEMENT - air cleaner

1шт.

4

R15731

CLAMP

- air cleaner

1шт.

F91761

WING NUT

AND WASHER ASSEMBLY - air cleaner, Includes: Ref. 5 and 6

1шт.

5

NSS

NOT SOLD SEPARAT

GASKET - winged nut

1шт.

6

NSS

NOT SOLD SEPARAT

NUT - winged

1шт.

7

D37979

BAFFLE

- air cleaner

1шт.

8

D37980

CUP

- air cleaner

1шт.

9

321-1731

DECAL

- service instructions

1шт.

10

214-264

HOSE CLAMP,#52, 2.81" - 3.75", Type F Worm

CLAMP - hose

2шт.

11

R19030

HOSE

- air, Serial Range: cleaner-extension

1шт.

12

R19036

TUBE - extension, 36" (Use with dry type air cleaner only)

1шт.

13

R19037

TUBE

- extension, 72" (Use with dry type air cleaner only)

1шт.

14

R19604

CLAMP

- brace

1шт.

15

R19594

BRACE

- extension, R.H.

1шт.

16

R19593

BRACE - extension, L.H.

1шт.

17

13-624

BOLT,Hex, 3/8" - 16 x 1-1/2", Gr 5

HHCS - 3/8" - 16 NC x 1-1/2"

1шт.

18

13-620

BOLT,Hex, 3/8" - 16 x 1-1/4", Gr 5, Full Thd

1шт.

19

195-25

WASHER,3/8"

- plain () 3/8"

4шт.

20

92-6

LOCK WASHER,3/8"

2шт.

21

25-106

NUT,3/8"-16, G5

- hex. (3/8" - 16 NC)

2шт.

Выбрано товаров: 22