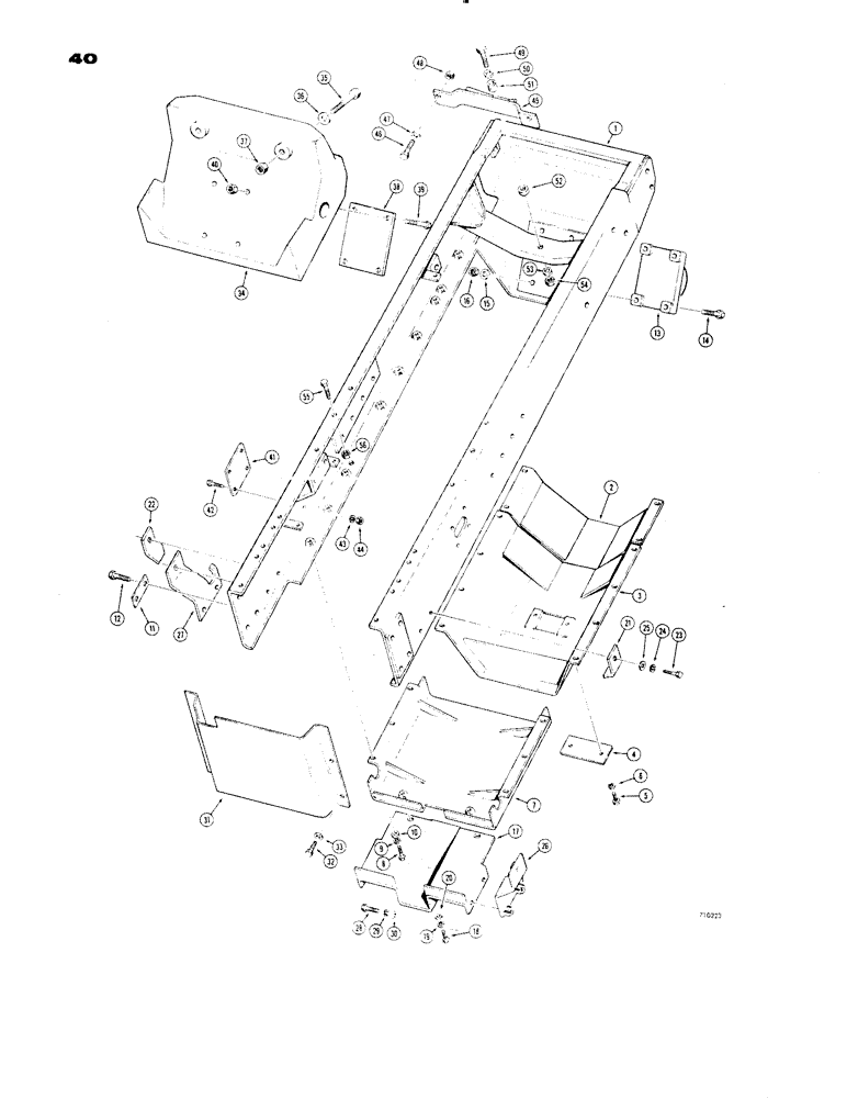
Запчасти Case 1150 (040) - ENGINE FRAME AND RELATED PARTS (01) - ENGINE

Схема запчастей Case 1150 - (040) - ENGINE FRAME AND RELATED PARTS (01) - ENGINE
53
1
52
28
30
26
38
6
15
10
39
21
44
8
3
11
45
14
24
54
31
4
18
50
35
41
48
7
13
20
17
56
36
29
40
5
23
12
2
46
27
25
34
33
55
49
32
37
16
51
19
43
47
9
42
22
FIT
1:1
100%

Артикул

Название

Примечание

Количество

1

D47820

FRAME - engine

1шт.

2

D36451

GUARD - radiator cleanout

1шт.

3

D36459

GUARD - crankcase, front

1шт.

4

R20471

COVER - access, front guard

1шт.

5

13-820

BOLT,Hex, 1/2" - 13 x 1-1/4", Gr 5, Full Thd

2шт.

6

92-8

LOCK WASHER,1/2"

2шт.

7

D44299

GUARD

- torque converter

1шт.

8

13-1028

BOLT,Hex, 5/8" - 11 x 1-3/4", Gr 5, Full Thd

18шт.

9

92-10

LOCK WASHER,5/8"

WASHER, LOCK, 5/8"

18шт.

10

195-41

WASHER,5/8"

18шт.

11

72289

PLATE

LOCK PLATE - final drive bolts

4шт.

12

D30057

BOLT

- special

8шт.

13

71671

PLATE ASSY.

HOOK - pull, front

1шт.

14

13-1240

BOLT,Hex, 3/4" - 10 x 2-1/2", Gr 5

4шт.

15

D34666

WASHER,33.34mm ID x 63.5mm OD x 2.38mm Thk

- special

4шт.

16

25-1012

NUT,3/4"-10, G5

4шт.

17

D44317

GUARD

- undercarriage, rear

1шт.

18

13-824

BOLT,Hex, 1/2" - 13 x 1-1/2", Gr 5, Full Thd

2шт.

19

92-8

LOCK WASHER,1/2"

2шт.

20

195-33

WASHER,1/2"

- plain () 1/2"

2шт.

21

D44422

SUPPORT - undercarriage guard, R.H.

1шт.

22

D44423

SUPPORT - undercarriage guard, L.H.

1шт.

23

13-826

BOLT,Hex, 1/2" - 13 x 1-5/8", Gr 5

4шт.

24

92-8

LOCK WASHER,1/2"

4шт.

25

195-33

WASHER,1/2"

- plain () 1/2"

4шт.

26

D44420

PLATE

BRACKET - guard mounting, R.H.

1шт.

27

D44421

BRACKET

- guard mounting, L.H.

1шт.

28

13-824

BOLT,Hex, 1/2" - 13 x 1-1/2", Gr 5, Full Thd

4шт.

29

92-8

LOCK WASHER,1/2"

4шт.

30

195-33

WASHER,1/2"

- plain () 1/2"

4шт.

31

D36477

GUARD

- transmission rear

1шт.

32

13-1224

BOLT,Hex, 3/4" - 10 x 1-1/2", Gr 5

4шт.

33

D34666

WASHER,33.34mm ID x 63.5mm OD x 2.38mm Thk

- special

4шт.

34

D44418

COUNTERWEIGHT - front, 1000 lbs.

1шт.

35

13-1688

BOLT,Hex, 1" - 8 x 5-1/2", Gr 5

2шт.

36

95-16

WASHER,1 1/16" x 2 1/2" x .164"

- plain (1")

2шт.

37

25-1016

NUT,1"-8, G5

2шт.

38

74621

WEIGHT

PLATE - counterweight (Used when pull hook is not installed)

1шт.

39

13-1264

BOLT,Hex, 3/4" - 10 x 4", Gr 5

(Used with counterweight plate only) Hex, 3/4"-10 x 4", G5

4шт.

39

13-1272

BOLT,Hex, 3/4" - 10 x 4-1/2", Gr 5

(Used with pull hook only) Hex, 3/4"-10 x 4 1/2", G5

4шт.

40

25-1012

NUT,3/4"-10, G5

4шт.

41

R19420

PLATE - cover

1шт.

42

13-620

BOLT,Hex, 3/8" - 16 x 1-1/4", Gr 5, Full Thd

(4 per plate) Hex, 3/8"-16 x 1 1/4", G5, Full Thd

1шт.

43

92-6

LOCK WASHER,3/8"

1шт.

44

25-106

NUT,3/8"-16, G5

- hex. (3/8" - 16 NC)

1шт.

45

D47811

MOUNTING PARTS

MOUNT - engine, front

1шт.

46

13-1244

BOLT,Hex, 3/4" - 10 x 2-3/4", Gr 5

2шт.

47

D34666

WASHER,33.34mm ID x 63.5mm OD x 2.38mm Thk

- special

2шт.

48

230-41112

LOCK NUT,3/4"-10, GA

NUT - lock (3/4" - 10 NC)

2шт.

49

13-1248

BOLT,Hex, 3/4" - 10 x 3", Gr 5

1шт.

50

D31328

WASHER

- special, top

1шт.

51

D36157

BUSHING

SPACER - mount

1шт.

52

R32663

SPACER

WASHER - special, middle

1шт.

53

D34666

WASHER,33.34mm ID x 63.5mm OD x 2.38mm Thk

- special, bottom

1шт.

54

230-41112

LOCK NUT,3/4"-10, GA

NUT - lock (3/4" - 10 NC)

1шт.

55

13-1248

BOLT,Hex, 3/4" - 10 x 3", Gr 5

(Rear engine mounting) Hex, 3/4"-10 x 3", G5

2шт.

56

230-41112

LOCK NUT,3/4"-10, GA

NUT - lock (3/4" - 10 NC) Rear engine mounting

2шт.

Ref. 50 thru 56, Ref. 55 Bolt (mid frame) to mount the rear engine to the Flywheel Housing. See art work on Fig. 96 Ref.33 is where rear engine mounts.

1шт.

Выбрано товаров: 58