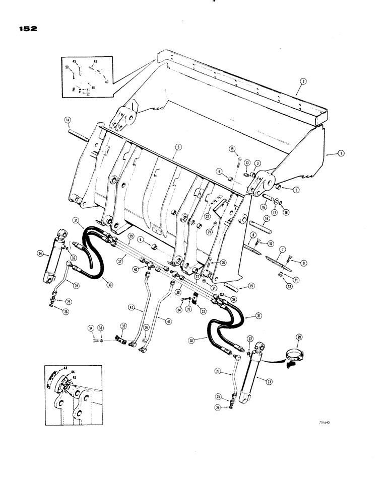
Запчасти Case 1150 (152) - D51605 4-IN-1 BUCKET (05) - UPPERSTRUCTURE CHASSIS

Схема запчастей Case 1150 - (152) - D51605 4-IN-1 BUCKET (05) - UPPERSTRUCTURE CHASSIS
32
5
28
13
44
24
17
36
31
47
7
38
40
9
41
39
20
22
45
29
1
33
2
35
4
3
26
27
8
48
12
52
21
35
50
43
19
15
37
25
31
25
14
18
6
46
16
49
30
36
42
11
26
21
32
37
30
10
23
33
34
3
34
14
51
FIT
1:1
100%

Артикул

Название

Примечание

Количество

D51605

BUCKET - complete, 1-3/4 cu. yd. (Machinery Item), Includes: Ref.1 - 22

1шт.

1

D51243

CLAM - bucket, Includes: Ref. 2 - 4

1шт.

2

D51889

EDGE

BLADE - one piece

1шт.

3

D51545

BUSHING,63.75mm ID x 76.2mm OD x 38.1mm L

- clam pivot

4шт.

4

D37392

BUSHING,44.68mm ID x 53.98mm OD x 31.75mm L

- cylinder pivot

4шт.

5

D50513

MOLDBOARD - bucket, Includes: Ref. 6

1шт.

6

D40091

BUSHING,51.02mm ID x 63.5mm OD x 47.6mm L

- bucket mounting

8шт.

7

D50492

BLADE

- moldboard, end

2шт.

8

D50497

BLADE

- moldboard, center

1шт.

9

19-1240

CARRIAGE BOLT,#3, 3/4" - 10 x 2 1/2", Gr 5

BOLT - plow (3/4" - 10 NC x 2-3/4")

4шт.

10

19-1236

CARRIAGE BOLT,#3, 3/4" - 10 x 2 1/4", Gr 5

BOLT - plow (3/4" 10 NC x 2-1/2")

11шт.

11

92-12

LOCK WASHER,3/4"

WASHER, LOCK, 3/4"

15шт.

12

25-1012

NUT,3/4"-10, G5

15шт.

13

219-1

LUBE NIPPLE,1/8" - 27 NPTF

FITTING - grease, straight (1/8" NPT)

2шт.

14

D50491

PIN

- pivot

2шт.

15

13-672

BOLT,Hex, 3/8" - 16 x 4-1/2", Gr 5

HHCS - 3/8" - 16 NC x 4-1/2"

2шт.

16

D38481

PIN

- rod eye

2шт.

17

95-28

WASHER,1 7/8" x 4" x .179"

- flat

4шт.

18

D25280

SNAP RING,#175, Ext

RING - snap, #175, Ext

4шт.

19

D50490

PIN

- cylinder eye

2шт.

20

13-664

BOLT,Hex, 3/8" - 16 x 4", Gr 5

2шт.

21

131-352

LOCK NUT,3/8"-16, GA

NUT - hex. (3/8" - 16 NC)

4шт.

22

321-1706

DECAL

- bucket

1шт.

23

G32279

CYLINDER - clam, R.H. (Parts list figure 209A)

1шт.

24

G32278

CYLINDER

- clam, L.H. (Parts list figure 209A)

1шт.

25

218-5063

HYD CONNECTOR,7/8" - 14 Male JIC x 1-1/16" - 12 Male ORB

CONNECTOR - straight, male, Includes: Ref. 26

2шт.

26

237-6010

O-RING,0.097" Thk x 0.755" ID, -910, Cl 6, 90 Duro

10-1, 90 Duro, .755" ID x .097" Thk

1шт.

27

D51306

TUBE

- R.H. cylinder, closed end

1шт.

28

D51304

TUBE

- L.H. cylinder, closed end

1шт.

29

214-275

HOSE CLAMP,#92, 5.38" - 6.25", Type F Worm

CLAMP - tube

2шт.

30

D27073

HOSE

- hydraulic, lower (26" long)

2шт.

31

D51320

HOSE,12.7mm ID x 812.8mm L, SAE 100R2

- hydraulic, upper (26" long), Includes: Ref. 32

2шт.

32

218-5008

O-RING,0.116" Thk x 0.924" ID, -912, Cl 6, 90 Duro

SEAL - "O" ring

1шт.

33

D40236

CLAMP

- tube

4шт.

34

13-624

BOLT,Hex, 3/8" - 16 x 1-1/2", Gr 5

HHCS - 3/8" - 16 NC x 1-1/2"

4шт.

35

92-6

LOCK WASHER,3/8"

4шт.

36

D33552

BUSHING

SPACER - clamp

4шт.

37

D51258

TUBE

- hydraulic (R.H. upper and L.H. lower)

2шт.

38

D51254

TUBE

- hydraulic, R.H. lower

1шт.

39

D51256

TUBE

- hydraulic, L.H. upper

1шт.

40

218-595

TEE,7/8"-14, 37 Degree

- male

2шт.

41

D51250

TUBE - hydraulic, R.H. vertical

1шт.

42

D51252

TUBE - hydraulic, L.H. vertical

1шт.

43

321-1705

DECAL - bucket position

1шт.

44

D51708

INDICATOR - bucket position

1шт.

45

D51707

PIN

POINTER - bucket position

1шт.

D49545

TOOTH

(OPTIONAL), Includes: Ref. 46 - 48

8шт.

46

NSS

NOT SOLD SEPARAT

SHANK - tooth, bucket

1шт.

47

L32089

POINT

- tooth, bucket

1шт.

48

L32090

PIN

PIN - flex, bucket tooth

1шт.

49

13-1056

BOLT,Hex, 5/8" - 11 x 3-1/2", Gr 5

HHCS - 5/8" - 11 NC x 3-1/2", bucket tooth

8шт.

50

13-1044

BOLT,Hex, 5/8" - 11 x 2-3/4", Gr 5

HHCS - 5/8" 11 NC x 2-3/4", bucket tooth

8шт.

51

92-10

LOCK WASHER,5/8"

WASHER, LOCK, , Bucket tooth 5/8"

16шт.

52

25-1010

NUT,5/8"-11, G5

Bucket tooth 5/8"-11, G5

16шт.

Выбрано товаров: 54