Запчасти Case 1150 (178) - POWER TILT DOZER (05) - UPPERSTRUCTURE CHASSIS

Схема запчастей Case 1150 - (178) - POWER TILT DOZER (05) - UPPERSTRUCTURE CHASSIS
38
16
1
31
9
14
12
17
29
24
26
32
6
28
13
33
4
22
25
35
36
3
11
14
19
5
9
39
20
10
2
23
14
18
17
30
15
37
13
7
27
7
13
34
15
8
17
21
FIT
1:1
100%

Артикул

Название

Примечание

Количество

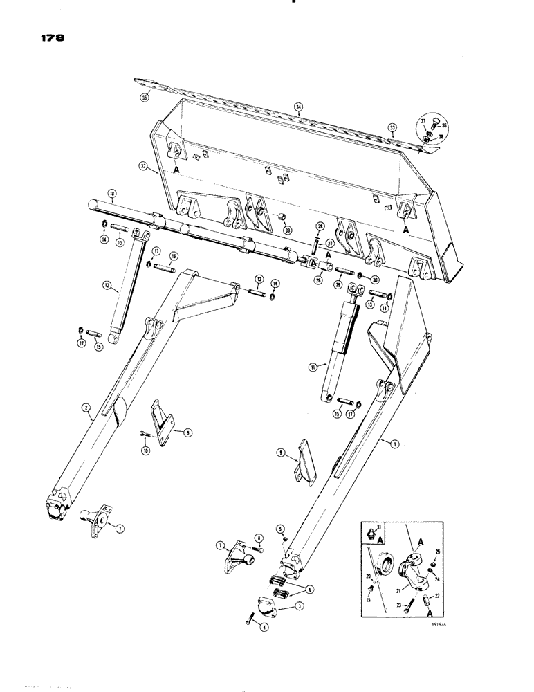
1

D45729

BEAM - push, R.H., Includes: Ref. 3 - 6

1шт.

2

D45730

BEAM - push, L.H., Includes: Ref. 3 - 6

1шт.

70396

KIT

- "C" Frame, cap (1 Kit required per beam)

1шт.

3

NSS

NOT SOLD SEPARAT

CAP - push beam

1шт.

4

13-1064

BOLT,Hex, 5/8" - 11 x 4", Gr 5

HHCS - 5/8" - 11 NC x 4"

4шт.

5

131-656

LOCK NUT,5/8"-11, GB

NUT - hex. (5/8" - 11 NC)

4шт.

6

D49981

SHIM,1/32" Thk

1шт.

7

R18645

TRUNNION

- push

2шт.

8

13-1236

BOLT,Hex, 3/4" - 10 x 2-1/4", Gr 5

8шт.

9

D44191

BRACKET

- rub

2шт.

10

13-1236

BOLT,Hex, 3/4" - 10 x 2-1/4", Gr 5

4шт.

11

D36182

KEY

CYLINDER - tilt (See figures 214 and 215A for cylinders)

1шт.

12

R21554

STRUT - moldboard

1шт.

13

D32933

PIVOT PIN,31.75mm OD x 127mm L

PIN - mounting

4шт.

14

D26918

SNAP RING,#125, Ext

RING - snap, #125, Ext

8шт.

15

D25078

PIN

- mounting

2шт.

16

D42611

PIN

- mounting

2шт.

17

D25279

SNAP RING,M35, Int

RING - snap

8шт.

18

REF

INSTRUCTION

CYLINDER - lift (See figures 217C and 217E for cylinders)

2шт.

19

D28481

PLUG

- special

2шт.

20

211-17

BALL,3/4" Dia

- trunnion retaining

50шт.

21

D36175

YOKE

- trunnion, lift cylinder

2шт.

22

D36176

PIN,38.1mm OD x 63.5mm L

- mounting

4шт.

23

13-664

BOLT,Hex, 3/8" - 16 x 4", Gr 5

4шт.

24

92-6

LOCK WASHER,3/8"

4шт.

25

25-106

NUT,3/8"-16, G5

- hex. (3/8" - 16 NC)

4шт.

26

70328

YOKE

JOINT - universal, lift, Serial Range: cylinder-moldboard

2шт.

27

D32933

PIVOT PIN,31.75mm OD x 127mm L

PIN - mounting

2шт.

28

D26918

SNAP RING,#125, Ext

RING - snap, #125, Ext

4шт.

29

D33769

PIN

- mounting

2шт.

30

D26918

SNAP RING,#125, Ext

RING - snap, #125, Ext

4шт.

31

219-1

LUBE NIPPLE,1/8" - 27 NPTF

FITTING - grease (1/8" NPT)

12шт.

32

D44332

MOLDBOARD - standard, 96", Includes: Ref. 33 - 39

1шт.

32

D44333

MOLDBOARD - standard, 104", Includes: Ref. 33 - 39

1шт.

33

R31855

EDGE, CUTTING

BLADE - end, HD cutting (R.H.) (With 5 Bolt Holes)

1шт.

34

D29981

BLADE

- center, cutting (96" moldboard)

1шт.

34

R22973

KNIFE

BLADE - center, cutting (104" moldboard)

1шт.

35

R31854

EDGE, CUTTING

BLADE - end, HD cutting (L.H.) (With 5 Bolt Holes)

1шт.

36

19-1036

PLOW BOLT,5/8" - 11 x 2 1/4", Gr 5

BOLT - plow, 5/8" - 11 NC x 2-1/4"

26шт.

37

92-10

LOCK WASHER,5/8"

WASHER, LOCK, 5/8"

26шт.

38

25-1010

NUT,5/8"-11, G5

26шт.

39

D32789

BUSHING,31.98mm ID x 41.27mm OD x 19.05mm L

- moldboard

4шт.

Выбрано товаров: 42