Запчасти Case 1150B (242) - DIVERSION VALVE AND CONTROLS (07) - HYDRAULIC SYSTEM

Схема запчастей Case 1150B - (242) - DIVERSION VALVE AND CONTROLS (07) - HYDRAULIC SYSTEM
8
16
20
9
3
6
12
7
17
4
23
11
1
13
10
12
25
18
18
26
6
15
5
24
21
14
2
17
19
8
19
14
13
7
22
FIT
1:1
100%

Артикул

Название

Примечание

Количество

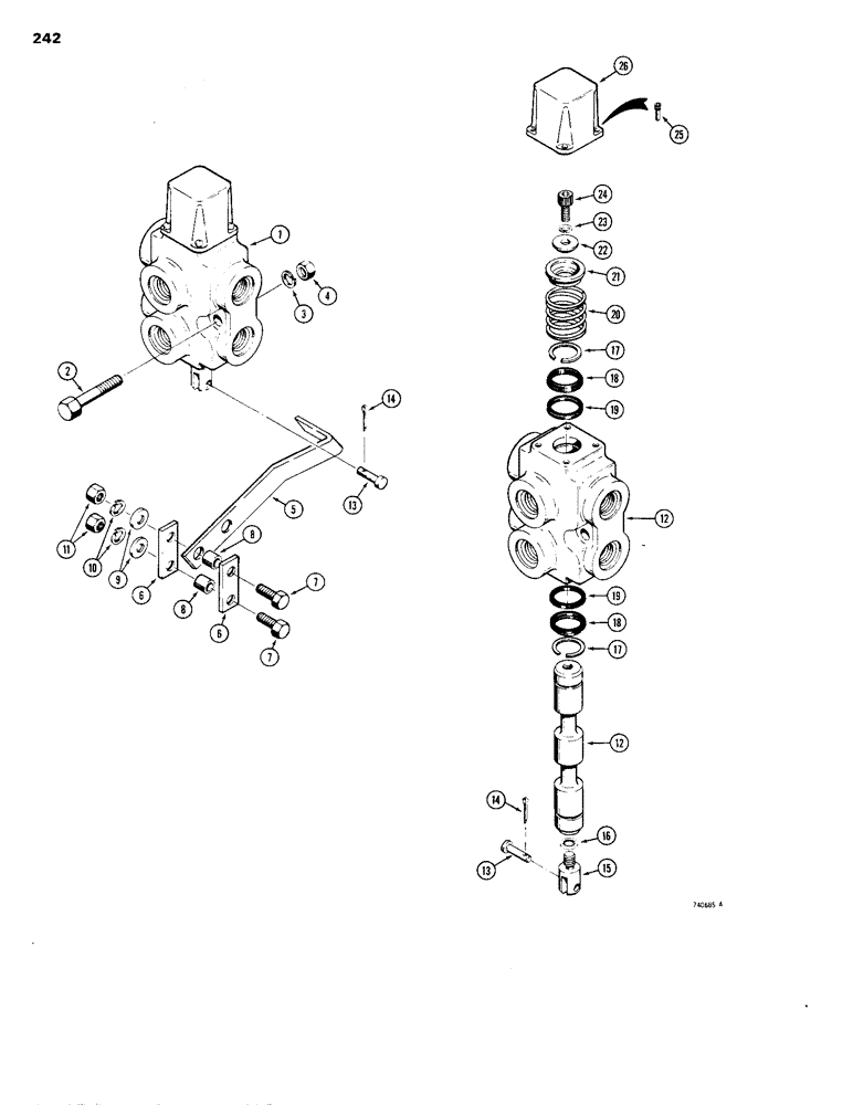
1

R24819

VALVE

- diversion, parts list below

1шт.

2

13-648

BOLT,Hex, 3/8" - 16 x 3", Gr 5

HHCS - 3/8" - 16 NC x 3"

2шт.

3

92-6

LOCK WASHER,3/8"

WASHER - lock, 3/8"

2шт.

4

25-106

NUT,3/8"-16, G5

- hex, 3/8" - 16 NC

2шт.

5

R27516

HANDLE

- valve

1шт.

6

R27514

LINK

- handle to heel plate

2шт.

7

13-420

BOLT,Hex, 1/4" - 20 x 1-1/4", Gr 5

2шт.

8

R30545

BUSHING

SPACER - valve handle links

2шт.

9

95-4

WASHER,1/4"

- flat, 1/4"

2шт.

10

92-4

LOCK WASHER,1/4"

WASHER, LOCK, 1/4"

2шт.

11

25-104

NUT,1/4"-20, G5

2шт.

R24819

VALVE

- diversion, Includes: Refs. 12 - 26

1шт.

12

NSS

NOT SOLD SEPARAT

HOUSING AND SPOOL - R24819 diversion valve

1шт.

13

R24869

AXLE PIN

PIN - clevis, R24819 diversion valve

1шт.

14

132-5

COTTER PIN,1/16" x 1/2"

Pin, Split (Cotter), , R24819 diversion valve 1/16" x 1/2"

1шт.

15

R24867

CLEVIS

- spool top, R24819 diversion valve

1шт.

16

193-30

LOCK WASHER,Int Tooth, 3/8"

WASHER, LOCK, , R24819 diversion valve Int Tooth, 3/8"

1шт.

17

D23692

SNAP RING,#100, Ext, Crescent

Ring, Snap, , R24819 diversion valve #100, Ext, Crescent

2шт.

18

R24871

SEAL

- dust, R24819 diversion valve

2шт.

19

R24866

RING

SEAL - quad ring, R24819 diversion valve

2шт.

20

R30535

VALVE SPRING

SPRING, R24819 diversion valve

1шт.

21

R24872

SPRING SEAT

COLLAR - spool, R24819 diversion valve

1шт.

22

R33483

WASHER

- special, R24819 diversion valve

1шт.

23

92-4

LOCK WASHER,1/4"

WASHER, LOCK, , R24819 Diversion valve 1/4"

1шт.

24

61-48

HEX SOC SCREW,1/4"-20 x 1/2"

SCREW - fillister head, 1/4" - 20 NC x 1/2", R24819 diversion valve

1шт.

25

61-412

HEX SOC SCREW,1/4"-20 x 3/4"

- fillister head, 1/4" - 20 NC x 3/4", R24819 diversion valve

4шт.

26

D71490

CAP

- end, R24819 diversion valve

1шт.

Выбрано товаров: 27