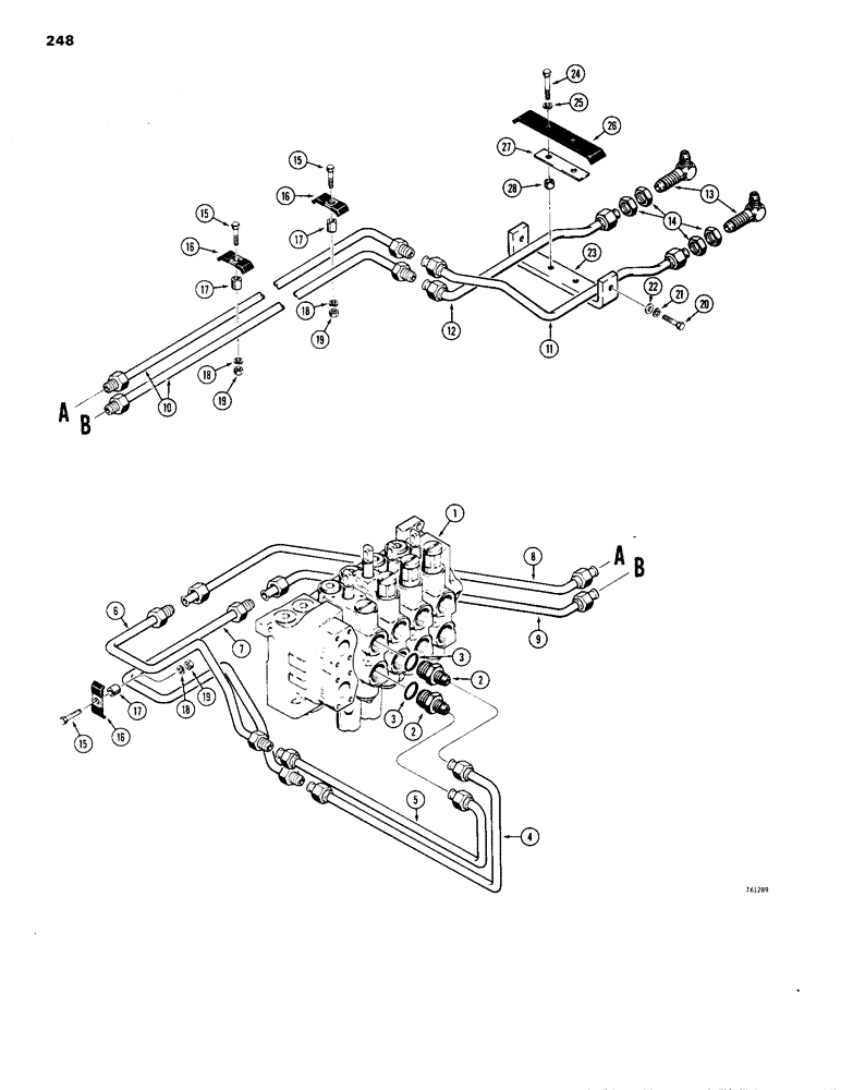
Запчасти Case 1150B (248) - DOZER ANGLING HYDRAULIC CIRCUIT, VALVE TO GRILLE - ON LH SIDE OF FRAME (07) - HYDRAULIC SYSTEM

Схема запчастей Case 1150B - (248) - DOZER ANGLING HYDRAULIC CIRCUIT, VALVE TO GRILLE - ON LH SIDE OF FRAME (07) - HYDRAULIC SYSTEM
19
25
13
17
16
14
18
19
16
26
4
1
21
2
5
17
20
3
6
16
15
7
18
15
17
23
9
28
24
3
8
27
11
15
12
22
2
FIT
1:1
100%

Артикул

Название

Примечание

Количество

1

REF

INSTRUCTION

VALVE - equipment control, Fig. 316 - 324

1шт.

2

218-5078

HYD CONNECTOR,7/8" - 14 Male JIC x 1-5/16" - 12 Male ORB

FITTING - straight, male, Includes: Ref. 3

2шт.

3

218-5010

O-RING,0.116" Thk x 1.171" ID, -916, Cl 6, 90 Duro

1шт.

4

R38265

TUBE,0.625" OD

- at valve, upper

1шт.

5

R38263

TUBE,0.625" OD

- at valve, lower

1шт.

6

R38259

TUBE,15.87 mm OD

- to upper valve port

1шт.

7

R38261

TUBE,15.87 mm OD

- to lower valve port

1шт.

8

R38298

TUBE,0.625" OD x 23.7, 19" L

- to upper valve port

1шт.

9

R38257

TUBE,0.625" OD x 17.34, 16.5" L

- to lower valve port

1шт.

10

R38326

TUBE,0.625" OD x 57.4, 2.7" L

- to both valve ports

2шт.

11

R38251

TUBE,0.625" OD

- to lower valve port

1шт.

12

R38253

TUBE,0.625" OD

- to upper valve port

1шт.

13

R41553

ELBOW

FITTING - special, 90 degree

2шт.

14

218-1251

BHD LOCK NUT,Blkhd, 7/8"-14

NUT, LOCK, Blkhd, 7/8"-14

4шт.

15

13-524

BOLT,Hex, 5/16" - 18 x 1-1/2", Gr 5

- 5/16"-18 NC x 1-1/2"

3шт.

16

D40236

CLAMP

- tube

3шт.

17

D33552

BUSHING

SPACER

3шт.

18

92-5

LOCK WASHER,5/16"

WASHER - lock, 5/16"

3шт.

19

9635082

NUT,5/16" - 18, Gr 5

- hex, 5/16" - 18 NC

3шт.

20

13-620

BOLT,Hex, 3/8" - 16 x 1-1/4", Gr 5, Full Thd

2шт.

21

92-6

LOCK WASHER,3/8"

WASHER - lock, 3/8"

2шт.

22

95-6

WASHER,3/8"

- flat, 3/8"

2шт.

23

R35905

SUPPORT

BRACKET - tube support

1шт.

24

413-632

BOLT,Hex, 3/8" - 16 x 2", Gr 5

2шт.

25

92-6

LOCK WASHER,3/8"

WASHER - lock, 3/8"

2шт.

26

R35910

CLAMP

- tube

1шт.

27

R35908

SPACER

1шт.

28

R29842

SPACER,3/8" Pipe x .469"

1шт.

Выбрано товаров: 28