Запчасти Case 1150B (338) - R36058 THREE SPOOL VALVE, ANGLE TILT PITCH DOZER (07) - HYDRAULIC SYSTEM

Схема запчастей Case 1150B - (338) - R36058 THREE SPOOL VALVE, ANGLE TILT PITCH DOZER (07) - HYDRAULIC SYSTEM
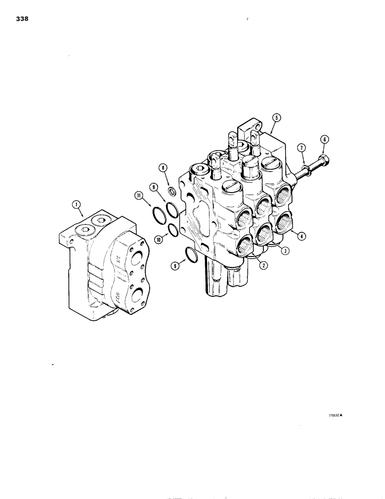
8
4
9
10
7
9
5
6
11
2
1
3
FIT
1:1
100%

Артикул

Название

Примечание

Количество

R36058

HYDRAULIC VALVE

VALVE ASSEMBLY, Includes: Refs. 1 - 11

1шт.

1

R38637

SECTOR

SECTION - inlet and outlet, identification no. 105, parts list Fig. 360

1шт.

1

D87071

VALVE

SECTION - inlet and outlet, identification no. 106, parts list Fig. 362

1шт.

2

R30151

HYD VALVE SECTION

SECTION - dozer tilt/pitch, identification no. 204, parts list Fig. 382

1шт.

2

D87073

SEGMENT

SECTION - dozer tilt/pitch, identification no. 217, parts list Fig. 384

1шт.

3

R30153

KNIFE SECTION

SECTION - dozer lift, identification no. 302, parts list Fig. 386

1шт.

3

D87074

VALVE

SECTION - dozer lift, identification no. 307, parts list Fig. 388

1шт.

4

R30151

HYD VALVE SECTION

SECTION - dozer angle, identification no. 204, parts list Fig. 382

1шт.

4

D87073

SEGMENT

SECTION - dozer angle, identification no. 217, parts list Fig. 384

1шт.

5

D74374

BOLT

- special

3шт.

7

92-7

LOCK WASHER,7/16"

3шт.

8

D77566

SHIM,.0030" Thk

4шт.

R37003

SEAL KIT

KIT - valve seal, Includes: Refs. 9 - 11

4шт.

9

NSS

NOT SOLD SEPARAT

O-RING - 1-5/16" (32 mm) OD

2шт.

10

NSS

NOT SOLD SEPARAT

O-RING - 1" (25 mm) OD

1шт.

11

NSS

NOT SOLD SEPARAT

O-RING - 1-1/2" (37 mm) OD

1шт.

Выбрано товаров: 16