Запчасти Case 1150B (356[1]) - R40909 FOUR SPOOL VALVE ANGLE TILT PITCH DOZER WITH RIPPER (07) - HYDRAULIC SYSTEM

Схема запчастей Case 1150B - (356[1]) - R40909 FOUR SPOOL VALVE ANGLE TILT PITCH DOZER WITH RIPPER (07) - HYDRAULIC SYSTEM
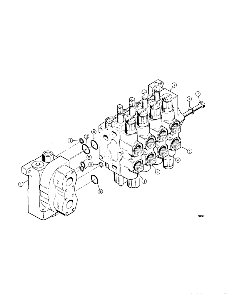
9
1
5
11
12
10
9
4
3
2
8
6
10
7
FIT
1:1
100%

Артикул

Название

Примечание

Количество

1

D87071

VALVE

SECTION - inlet and outlet, identification no. 106, parts list Fig. 362

1шт.

2

D87073

SEGMENT

SECTION - dozer tilt/pitch, identification no. 217, parts list Fig. 384

1шт.

3

D87074

VALVE

SECTION - dozer lift, identification no. 307, parts list Fig. 388

1шт.

4

D87073

SEGMENT

SECTION - dozer angle identification no. 217, parts list Fig. 384

1шт.

5

D87076

VALVE

SECTION - ripper, identification no. 216, parts list Fig. 380

1шт.

6

D87072

COVER ASSY

COVER - end

1шт.

7

D74375

BOLT

- special

3шт.

8

92-7

LOCK WASHER,7/16"

3шт.

9

D77566

SHIM,.0030" Thk

15шт.

R37003

SEAL KIT

KIT - seal, Includes: Refs. 10 - 12

5шт.

10

NSS

NOT SOLD SEPARAT

O-RING - 1-5/16" (32 mm) OD

2шт.

Part of Valve Seal Kit, P/N R37003

1шт.

11

NSS

NOT SOLD SEPARAT

O-RING - 1" (25 mm) OD

1шт.

Part of Valve Seal Kit, P/N R37003

1шт.

12

NSS

NOT SOLD SEPARAT

O-RING - 1-1/2" (37 mm) OD

1шт.

Part of Valve Seal Kit, P/N R37003

1шт.

Выбрано товаров: 16