Запчасти Case 1150B (054) - AIR CLEANER INDICATOR - ALL MODELS (01) - ENGINE

Схема запчастей Case 1150B - (054) - AIR CLEANER INDICATOR - ALL MODELS (01) - ENGINE
2
30
31
16
18
14
11
8
5
32
15
3
7
23
28
21
20
4
17
27
19
28
6
10
24
33
9
34
12
13
1
35
25
29
3a
36
22
FIT
1:1
100%

Артикул

Название

Примечание

Количество

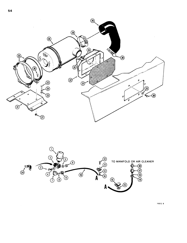
1

D47217

INDICATOR

FILTER INDICATOR - air cleaner

1шт.

2

173-202

SCREW,Rnd Hd, 1/4" - 20 x 3/4"

RHMS - 1/4" - 20 NC x 3/4", plated

1-2шт.

3

D45064

CLAMP,1 3/8", Insul, 1/4" Bolt

- indicator, early production

1шт.

3a

R33808

CLAMP

- indicator, late production

1шт.

4

195-18

WASHER,1/4"

- flat, , D45064 clamp only 1/4"

1шт.

5

92-4

LOCK WASHER,1/4"

WASHER, LOCK, 1/4"

1-2шт.

6

25-104

NUT,1/4"-20, G5

1-2шт.

D45588

FITTING

- special, 90 degree, Includes: Refs. 7 - 9

1шт.

7

NSS

NOT SOLD SEPARAT

BODY - 90 degree

1шт.

8

D37176

SLEEVE

- compression fitting

1шт.

9

D37362

TUBE NUT

- compression fitting

1шт.

10

R27253

PLASTIC-RUBBER TUBE,0.125" OD x 46" L

TUBE - nylon, indicator to manifold

1шт.

11

51200330

CLAMP

- tube

1шт.

12

13-820

BOLT,Hex, 1/2" - 13 x 1-1/4", Gr 5, Full Thd

1шт.

13

92-8

LOCK WASHER,1/2"

1шт.

14

25-108

NUT,1/2"-13, G5

- hex, 1/2" - 13 NC

1шт.

15

95-4

WASHER,1/4"

- flat, 1/4"

1шт.

16

D43839

CLAMP

- tube

2шт.

D35091

PIPE FITTING

FITTING - female, Includes: Refs. 17 - 19

1шт.

17

NSS

NOT SOLD SEPARAT

BODY

1шт.

18

D37362

TUBE NUT

- connector

1шт.

19

D37176

SLEEVE

- connector

1шт.

20

D36264

FITTING

CONNECTOR - special, filter type

1шт.

21

R27204

BRACKET

- air cleaner mounting, related parts-side intake turbocharged dozer & loader models

1шт.

22

13-616

BOLT,Hex, 3/8" - 16 x 1", Gr 5, Full Thd

Air cleaner & related parts-side intake turbocharged dozer & loader models Hex, 3/8"-16 x 1", G5, Full Thd

4шт.

23

195-25

WASHER,3/8"

- flat, , air cleaner & related parts-side intake turbocharged dozer & loader models 3/8"

4шт.

24

92-6

LOCK WASHER,3/8"

WASHER - lock, , air cleaner & related parts-side intake turbocharged dozer & loader models 3/8"

4шт.

25

A16574

BAND

CLAMP ASSEMBLY - air cleaner retaining, related parts-side intake turbocharged dozer & loader models

2шт.

26

13-612

BOLT,Hex, 3/8" - 16 x 3/4", Gr 5, Full Thd

Air cleaner & related parts-side intake turbocharged dozer & loader models Hex, 3/8"-16 x 3/4", G5, Full Thd

4шт.

27

131-179

LOCK NUT,3/8"-16, GA

NUT - hex, self lock, 3/8" - 16 NC, air cleaner & related parts-side intake turbocharged dozer & loader models

4шт.

28

214-267

HOSE CLAMP,#64, 3.56" - 4.5", Type F Worm

CLAMP - R26594 hose 2, R37337 hose 2, air cleaner & related parts-side intake turbocharged dozer & loader models

2шт.

28

214-272

HOSE CLAMP,#84, 4.88" - 5.75", Type F Worm

CLAMP - R37337 hose, air cleaner & related parts-side intake turbocharged dozer & loader models

1шт.

29

R26594

HOSE

- one element , air cleaner & related parts-side intake turbocharged dozer & loader models

1шт.

29

R37337

INTAKE AIR HOSE,3.00" ID, 5.00" ID x 10.50", SAE J200, SAE J14

- Two element, air cleaner & related parts-side intake turbocharged dozer & loader models 3.00" ID, 5.00" ID x 10.50", SAE J200, SAE J14

1шт.

30

13-616

BOLT,Hex, 3/8" - 16 x 1", Gr 5, Full Thd

Air cleaner & related parts-side intake turbocharged dozer & loader models Hex, 3/8"-16 x 1", G5, Full Thd

6шт.

31

R30051

FILTER SCREEN

SCREEN - air intake, air cleaner & related parts-side intake turbocharged dozer & loader models

1шт.

32

R30050

CHAMBER - air intake, air cleaner & related parts-side intake turbocharged dozer & loader models

1шт.

33

195-25

WASHER,3/8"

- flat, , air cleaner & related parts-side intake turbocharged dozer & loader models 3/8"

6шт.

34

92-6

LOCK WASHER,3/8"

WASHER - lock, , air cleaner & related parts-side intake turbocharged dozer & loader models 3/8"

6шт.

35

25-106

NUT,3/8"-16, G5

- hex, 3/8" - 16 NC, air cleaner & related parts-side intake turbocharged dozer & loader models

6шт.

36

REF

INSTRUCTION

AIR CLEANER - Fig.52, related parts-side intake turbocharged dozer & loader models

1шт.

R5745

KIT - converts side intake to top intake, machinery item; See figure 2 for ordering, air cleaner & related parts-side intake turbocharged dozer & loader models

1шт.

Выбрано товаров: 42