Запчасти Case 1150B (062) - AIR CLEANER MOUNTING AND MUFFLER, TURBOCHARGED LOADER MODELS (01) - ENGINE

Схема запчастей Case 1150B - (062) - AIR CLEANER MOUNTING AND MUFFLER, TURBOCHARGED LOADER MODELS (01) - ENGINE
25
27
11
13
1
6a
18
23
13
3
25
19
21
5
7
11
9
7
8
24
6b
15
3a
26
4
6
16
20
12
38
14
22
12
17
10
FIT
1:1
100%

Артикул

Название

Примечание

Количество

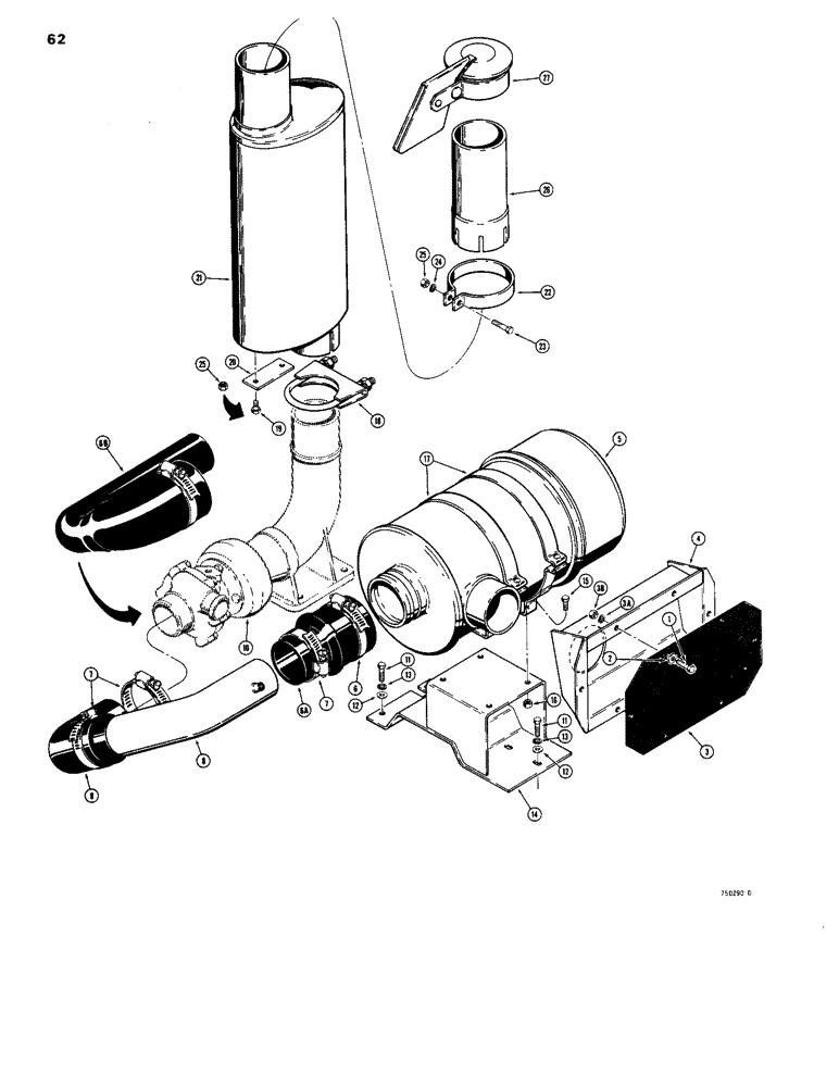
1

13-616

BOLT,Hex, 3/8" - 16 x 1", Gr 5, Full Thd

6шт.

2

195-25

WASHER,3/8"

- flat, 3/8"

6шт.

3

R30051

FILTER SCREEN

SCREEN - air intake, if used

1шт.

3a

92-6

LOCK WASHER,3/8"

WASHER - lock, 3/8"

6шт.

3b

25-106

NUT,3/8"-16, G5

- hex, 3/8" - 16 NC

6шт.

4

R34203

CHAMBER - air intake, if used

1шт.

5

REF

INSTRUCTION

AIR CLEANER - Fig. 52

1шт.

6

214-267

HOSE CLAMP,#64, 3.56" - 4.5", Type F Worm

CLAMP - worm screw type

1шт.

6a

A56094

HOSE

- one element air cleaner

1шт.

6b

R38933

INTAKE AIR HOSE,3.00" ID, 5.00" ID x 14.80", SAE 10R4, SAE SC-810

- Two element air cleaner 3.00" ID, 5.00" ID x 14.80", SAE 10R4, SAE SC-810

1шт.

7

214-264

HOSE CLAMP,#52, 2.81" - 3.75", Type F Worm

CLAMP - worm screw type

3шт.

8

R33883

TUBE

WASHER - lock, 1/2"

1шт.

9

D36262

LARGE HOSE

ELBOW - hose

1шт.

10

REF

INSTRUCTION

TURBOCHARGER

1шт.

11

13-616

BOLT,Hex, 3/8" - 16 x 1", Gr 5, Full Thd

4шт.

12

195-25

WASHER,3/8"

- flat, 3/8"

4шт.

13

92-6

LOCK WASHER,3/8"

WASHER - lock, 3/8"

4шт.

14

R33887

MOUNTING PARTS

MOUNT - air cleaner

1шт.

15

13-612

BOLT,Hex, 3/8" - 16 x 3/4", Gr 5, Full Thd

4шт.

16

131-179

LOCK NUT,3/8"-16, GA

NUT - hex, self lock, 3/8" - 16 NC

4шт.

17

A16574

BAND

CLAMP ASSEMBLY - air cleaner mounting

2шт.

18

A17851

CLAMP

ASSEMBLY - includes hardware

1шт.

19

13-68

SCREW,Hex, 3/8" - 16 x 1/2", Gr 5

HHCS - 3/8" - 16 NC x 1/2", A66199 muffler

2шт.

20

R33869

PLATE ASSY.

PLATE - muffler

1шт.

21

A66199

MUFFLER

- exhaust, use A66780 muffler and (2) 25-103 nuts

1шт.

21

A66780

MUFFLER

- exhaust, item 20 retained by nuts

1шт.

22

A76061

CLAMP

- stack

1шт.

23

113-208

BOLT,Hex, 3/8" - 16 x 1-1/4", Gr 5

1шт.

24

192-2

WASHER - lock, 3/8", plated

1шт.

25

129-103

NUT,Hex, 3/8" - 16, Gr 5

NUT, 3/8"-16, G5

1-3шт.

26

R35239

TUBE

STACK - exhaust

1шт.

27

S93398

CAP

ASSEMBLY - rain

1шт.

R6070

KIT - side intake to top intake with two element air cleaner, machinery item, see figure 2 for ordering

1шт.

Выбрано товаров: 33