Запчасти Case 1150B (064) - AIR CLEANER MOUNTING AND MUFFLER, TURBOCHARGED DOZER MODELS (01) - ENGINE

Схема запчастей Case 1150B - (064) - AIR CLEANER MOUNTING AND MUFFLER, TURBOCHARGED DOZER MODELS (01) - ENGINE
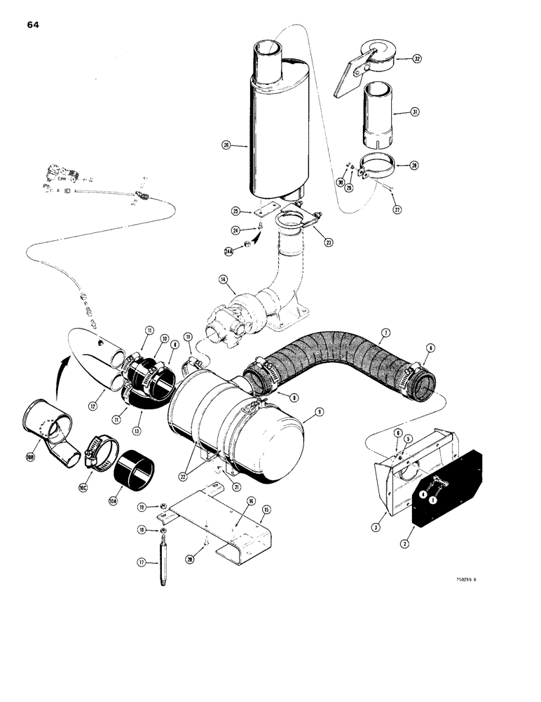
13
21
8
26
16
25
5
9
7
28
19
24a
11
14
29
32
12
8
6
10a
23
27
11
30
22
20
31
3
10
10b
11
10c
18
17
15
8
24
FIT
1:1
100%

Артикул

Название

Примечание

Количество

1

13-616

BOLT,Hex, 3/8" - 16 x 1", Gr 5, Full Thd

6шт.

2

R30051

FILTER SCREEN

SCREEN - air intake

1шт.

3

R33876

CHAMBER - air intake, if used

1шт.

4

195-25

WASHER,3/8"

- flat, 3/8"

6шт.

5

92-5

LOCK WASHER,5/16"

WASHER - lock, 3/8"

6шт.

6

25-106

NUT,3/8"-16, G5

- hex, 3/8" - 16 NC

6шт.

7

R33890

LARGE HOSE

HOSE - air intake, if used

1шт.

8

214-263

HOSE CLAMP,#48, 2.56" - 3.5", Type F Worm

CLAMP - worm screw type

3шт.

9

REF

INSTRUCTION

AIR CLEANER - see figure 52

1шт.

10

A56094

HOSE

- one element air cleaner

1шт.

10a

R39057

HOSE,5.00" ID x 3.00", SAE 20R1

Two Element Air Ceaner 5.00" ID x 3.00", SAE 20R1

1шт.

10b

39438

CHAMBER - two element air cleaner

1шт.

10c

214-272

HOSE CLAMP,#84, 4.88" - 5.75", Type F Worm

CLAMP

1шт.

11

214-264

HOSE CLAMP,#52, 2.81" - 3.75", Type F Worm

CLAMP - worm screw type

3шт.

12

R33873

TUBE - air cleaner

1шт.

13

D36262

LARGE HOSE

ELBOW - hose

1шт.

14

REF

INSTRUCTION

TURBOCHARGER

1шт.

15

R33871

MOUNT - air cleaner

1шт.

16

13-612

BOLT,Hex, 3/8" - 16 x 3/4", Gr 5, Full Thd

2шт.

17

A143235

JACK SCREW,1/2" - 13 x 0.12"

JACK SCREW

2шт.

18

25-148

JAM NUT,Jam, 1/2"-13, G5

- hex, lock, 1/2"-13 NC

2шт.

19

131-654

LOCK NUT,1/2"-13, GB

NUT - hex, self lock, 1/2" - 13 NC

2шт.

20

13-612

BOLT,Hex, 3/8" - 16 x 3/4", Gr 5, Full Thd

4шт.

21

131-179

LOCK NUT,3/8"-16, GA

NUT - hex, self lock, 3/8" - 16 NC

4шт.

22

A16574

BAND

CLAMP ASSEMBLY - air cleaner mounting

2шт.

23

A17851

CLAMP

ASSEMBLY - includes hardware

1шт.

24

13-68

SCREW,Hex, 3/8" - 16 x 1/2", Gr 5

HHCS - 3/8" - 16 NC x 1-1/2", A66199 muffler

2шт.

24a

129-103

NUT,Hex, 3/8" - 16, Gr 5

NUT, , A66780 muffler 3/8"-16, G5

2шт.

25

R33869

PLATE ASSY.

PLATE - muffler

1шт.

26

A66199

MUFFLER

- exhaust, use A66780 muffler and (2) 129-103 nuts

1шт.

26

A66780

MUFFLER

- exhaust, item 25 retained by nuts

1шт.

27

113-208

BOLT,Hex, 3/8" - 16 x 1-1/4", Gr 5

1шт.

28

A76061

CLAMP

- stack

1шт.

29

192-21

LOCK WASHER,3/8"

WASHER, LOCK, 3/8"

1шт.

30

129-103

NUT,Hex, 3/8" - 16, Gr 5

NUT, 3/8"-16, G5

1шт.

31

R35239

TUBE

STACK - muffler

1шт.

32

S93398

CAP

ASSEMBLY - rain

1шт.

R6070

KIT - side intake to top intake two element air cleaner, machinery item, Fig. 2 for ordering

1шт.

Выбрано товаров: 38