Запчасти Case 1150B (164) - TRANSMISSION BRAKE ADJUSTER & LEVER (03) - TRANSMISSION

Схема запчастей Case 1150B - (164) - TRANSMISSION BRAKE ADJUSTER & LEVER (03) - TRANSMISSION
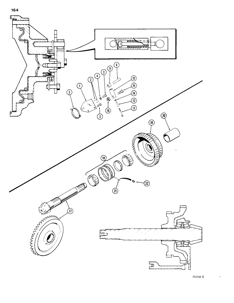
2
4
22
10
13
19
21
3
15
11
3
18
17
20
16
14
5
12
1
FIT
1:1
100%

Артикул

Название

Примечание

Количество

1

A50700

LEVER

- brake actuating

2шт.

2

138-130

LOCK PIN,1/4" x 3/4", Slotted

PIN, 1/4" x 3/4", Slotted

4шт.

3

13-616

BOLT,Hex, 3/8" - 16 x 1", Gr 5, Full Thd

4шт.

4

95-6

WASHER,3/8"

- flat, 3/8"

2шт.

5

A50701

SPRING

- brake lever return

2шт.

6

135-653

GROOVED PIN,1/2" x 3", Type D, Hardened

PIN - Grooved, 1/2" x 3", Type D, Hardened

2шт.

G100621

ADJUSTER

ASSEMBLY - brake, Includes: Refs. 10 - 14A

2шт.

10

NSS

NOT SOLD SEPARAT

BLOCK - adjuster, long

1шт.

11

NSS

NOT SOLD SEPARAT

BLOCK - adjuster, short

1шт.

12

138-820

ROLL PIN - 7/16" x 1-3/8"

1шт.

13

61-436

HEX SOC SCREW,1/4"-20 x 2 1/4"

SCREW - Ferry head, 1/4" x 20 NC x 2-1/2"

1шт.

14

25-104

NUT,1/4"-20, G5

1шт.

14a

41-1008

PLUG,Cup, 1/2"

- cup, adjuster block, 1/2"

1шт.

15

113-208

BOLT,Hex, 3/8" - 16 x 1-1/4", Gr 5

2шт.

16

25-146

JAM NUT,Jam, 3/8"-16, G5

- hex, jam, 3/8" - 16 NC

2шт.

17

G100100

PACKAGE, REPAIR

SHAFT AND GEAR SET - matched, right-hand, transmission bevel pinion

1шт.

17

G100101

GEAR-SET

SHAFT AND GEAR SET - matched, left-hand, transmission bevel pinion

1шт.

18

A50680

TAPERED BEARING,2.2505" ID x 4.251" OD x 2.5786"

ASSEMBLY - gear, transmission bevel pinion shaft

2шт.

19

G102298

GEAR WHEEL

GEAR - pinion shaft, transmission bevel gear

2шт.

20

A50682

BUSHING

SPACER - pinion shaft, transmission bevelgear

2шт.

21

G103158

PIN

- bearing retaining, no longer used, order G106157 pin, transmission bevel pinion shaft & gear

2шт.

22

G106157

HARDWARE

PIN - bearing retaining, transmission bevel pinion shaft & gear

2шт.

Выбрано товаров: 22