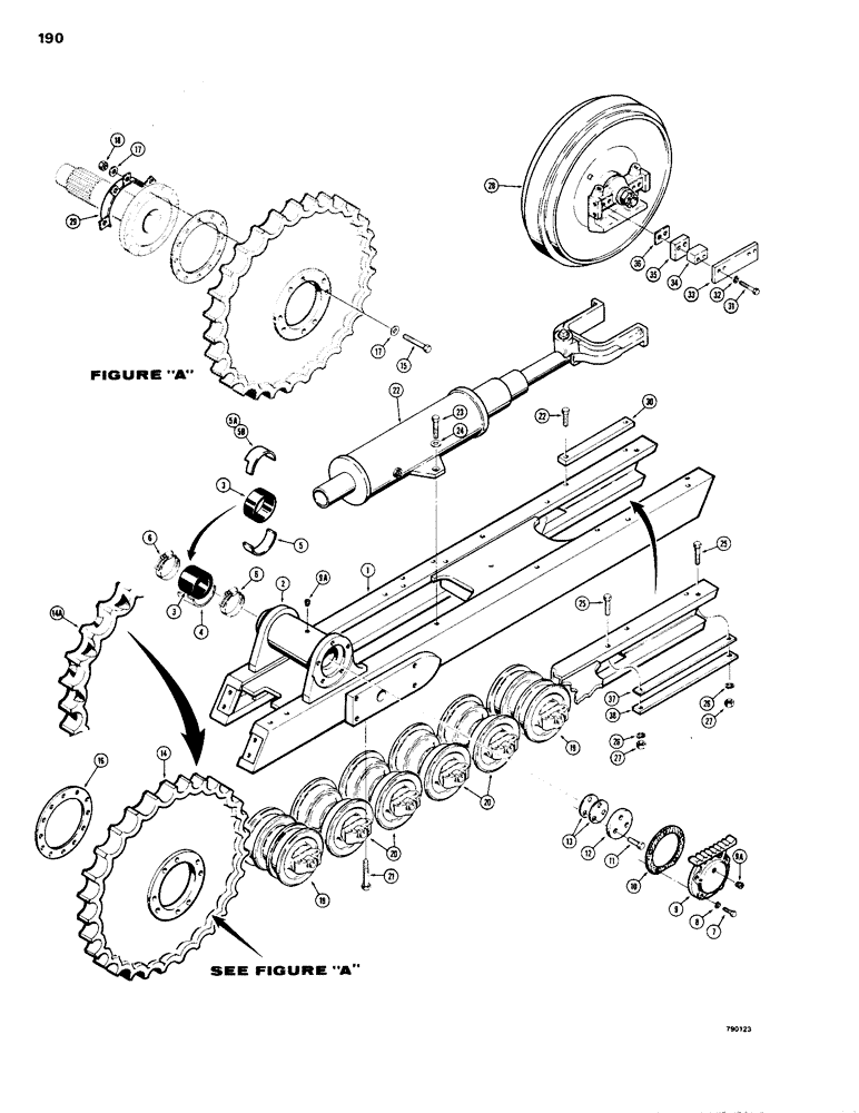
Запчасти Case 1150B (190) - DOZER TRACK FRAMES & RELATED PARTS, USED ON 62" (1575 MM) & 74" (1880 MM) GAUGE MODELS (04) - UNDERCARRIAGE

Схема запчастей Case 1150B - (190) - DOZER TRACK FRAMES & RELATED PARTS, USED ON 62" (1575 MM) & 74" (1880 MM) GAUGE MODELS (04) - UNDERCARRIAGE
24
14a
9a
36
21
22
33
3
25
35
5a
27
10
16
37
30
5
4
19
19
27
26
12
11
5b
31
6
13
32
38
25
9a
34
14
26
20
3
6
2
22
1
23
15
17
17
29
18
28
20
FIT
1:1
100%

Артикул

Название

Примечание

Количество

1

R27366

FRAME

- RH, all grousers except 34" (864 mm)

1шт.

1

R27365

FRAME

- LH, all grousers except 34" (864 mm)

1шт.

1

R32961

FRAME - RH, 34" (864 mm) grousers, used on 74" (1880 mm) guage models

1шт.

1

R32960

FRAME - LH, 34" (864 mm) grousers, used on 74" (1880 mm) guage models, Includes: Ref. 2

1шт.

2

NSS

NOT SOLD SEPARAT

BLOCK - pivot, all frames, used on 74" (1880 mm) guage models

1шт.

3

R35267

SEAL

- shaft, used on all models

2шт.

4

R30282

GUARD - seal, use (2) R29257, (1) R29255 or (1) R29256, used on all models

4шт.

5

R29257

GUARD

- seal, used on all models

4шт.

5a

R29256

GUARD

- seal, RH top, used on all models

1шт.

5b

R29255

GUARD

- seal, LH top, used on all models

1шт.

6

214-267

HOSE CLAMP,#64, 3.56" - 4.5", Type F Worm

CLAMP - worm screw type, used on all models

4шт.

7

13-824

BOLT,Hex, 1/2" - 13 x 1-1/2", Gr 5, Full Thd

Used on all models Hex, 1/2"-13 x 1 1/2", G5, Full Thd

10шт.

8

92-8

LOCK WASHER,1/2"

used on all models 1/2"

10шт.

9

R27379

COVER

- pivot shaft, no plug port, use R38494 and 221-841, used on all models

2шт.

9

R38494

COVER

- pivot shaft, requires plug, used on all models

2шт.

9a

221-841

PLUG

- square socket, 1/4" NPT, used on all models

4шт.

10

R27377

GASKET,0.38mm Thk

- cover, used on all models

6шт.

11

28-1028

BOLT,Hex, 5/8" - 18 x 1-3/4", Gr 8

HHCS - 5/8" - 18 NF x 1-3/4", used on all models

6шт.

12

R36949

PLATE

- retaining, pivot shaft, used on all models

2шт.

13

R27540

SHIM,.031" Thk

(0.7874 mm), Used on all models .031" Thk

1шт.

14

R27240

DRIVE SPROCKET

SPROCKET - 62" (1575 mm) and 74" (1980 mm) all grousers except 34" (864 mm), used on all models

2шт.

14

R34136

DRIVE SPROCKET

SPROCKET - 74" (1810 mm) - 34" (864 mm) grousers, used on all models

2шт.

14a

R32725

DRIVE SPROCKET

SPROCKET - relieved, service option, 62" (1575 mm) 34" (864 mm) grousers, used on all models

2шт.

15

R27242

BOLT

- special, R27240 and R32725 sprockets, used on all models

16шт.

15

R31277

BOLT

- special, R34136 sprockets, used on all models

16шт.

16

R27241

SHIM,1/32" Thk

(7.62 mm), Used on all models 1/32" Thk

1шт.

17

D34666

WASHER,33.34mm ID x 63.5mm OD x 2.38mm Thk

- special, used on all models

32шт.

18

280375

NUT,3/4"-10, GC

NUT - hex, self lock, 3/4" - 10 NC, used on all models

16шт.

19

REF

INSTRUCTION

ROLLER - track, double flange, Figs. 198 & 200, used on all models

4шт.

20

REF

INSTRUCTION

ROLLER - track, single flange, Figs. 198 & 200, used on all models

8шт.

21

13-1248

BOLT,Hex, 3/4" - 10 x 3", Gr 5

Used on all models Hex, 3/4"-10 x 3", G5

48шт.

22

REF

INSTRUCTION

RECOIL SYSTEM - parts list Fig. 194, used on all models

2шт.

23

13-1228

BOLT,Hex, 3/4" - 10 x 1-3/4", Gr 5

Used on all models Hex, 3/4"-10 x 1 3/4", G5

12шт.

24

D34666

WASHER,33.34mm ID x 63.5mm OD x 2.38mm Thk

- special, used on all models

4шт.

25

13-1040

BOLT,Hex, 5/8" - 11 x 2-1/2", Gr 5

Used on all models Hex, 5/8"-11 x 2 1/2", G5

8шт.

26

92-10

LOCK WASHER,5/8"

WASHER, LOCK, , Used on all models 5/8"

8шт.

27

25-1010

NUT,5/8"-11, G5

Used on all models 5/8"-11, G5

8шт.

28

REF

INSTRUCTION

IDLER WHEEL ASSEMBLY - parts list Fig. 194, used on all models

2шт.

29

R36703

GUARD

- seal, if required, used on all models

2шт.

30

R25692

BAR

- slide, idler wheel, used on all models

4шт.

31

26-864

BOLT,Hex, 1/2" - 13 x 4", Gr 8

HHCS - 1/2" - 13 NC x 4", used on all models

16шт.

32

92-8

LOCK WASHER,1/2"

used on all models 1/2"

16шт.

33

R30204

BLOCK

- thrust, outer, used on all models

4шт.

34

R30203

SPACER

- block, used on all models

8шт.

35

R25694

BLOCK

- thrust, inner, used on all models

8шт.

36

R25693

SHIM,.0299" Thk

(0.7594 mm), Used on all models .0299" Thk

1шт.

37

R25691

SHIM

- .030" thick (0.762 mm), used on all models

1шт.

38

R25689

BAR

- wear, used on all models

4шт.

Выбрано товаров: 48