Запчасти Case 1150B (208) - POWER BRAKES (04) - UNDERCARRIAGE

Схема запчастей Case 1150B - (208) - POWER BRAKES (04) - UNDERCARRIAGE
16
6
12
31
1
30
11
25
19
14
18
28
1a
3
8
16
13
23
1a
29
20
5
27
10
22
29
18
19
18
17
28
27
12
24
5a
4
26
7
1b
15
35
2
36
34
33
15
32
FIT
1:1
100%

Артикул

Название

Примечание

Количество

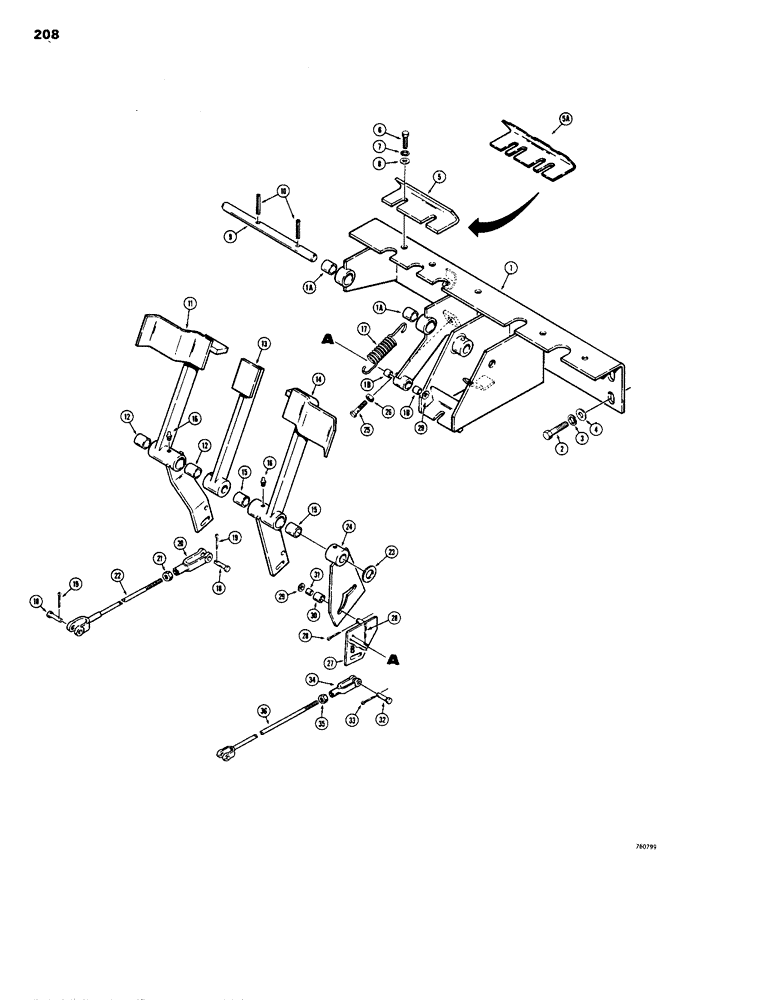
1

R27455

FRAME

- brake pedal support, use R33728 frame and R33694 follower, see Ref. 27

1шт.

1

R33728

FRAME

- brake pedal support, Ref. 27, Includes: Refs. 1A & 1B

1шт.

1a

R29752

BUSHING

- frame, pedal shaft

2шт.

1b

R27466

BUSHING

- frame, follower cam shaft

2шт.

2

13-1028

BOLT,Hex, 5/8" - 11 x 1-3/4", Gr 5, Full Thd

4шт.

3

92-10

LOCK WASHER,5/8"

WASHER, LOCK, 5/8"

4шт.

4

195-41

WASHER,5/8"

- flat, 5/8"

4шт.

5

R27496

PLATE

STOP - brake pedals, if used, order R37371 and R37517

1шт.

5a

R37371

SUPPORT

STOP - brake pedals, if used

1шт.

6

13-824

BOLT,Hex, 1/2" - 13 x 1-1/2", Gr 5, Full Thd

2шт.

7

92-8

LOCK WASHER,1/2"

2шт.

8

195-33

WASHER,1/2"

- flat, 1/2"

2шт.

9

R27495

SHAFT

- brake pedals

1шт.

10

138-137

LOCK PIN,1/4" x 1 3/8", Slotted

PIN, 1/4" x 1 3/8", Slotted

2шт.

11

R27472

PEDAL

- brake, LH, Includes: Ref. 12

1шт.

12

R29752

BUSHING

- pedal

2шт.

13

R27478

PEDAL

- modulator, Includes: Ref. 14 & 15

1шт.

14

R27482

PEDAL

- brake, RH

1шт.

15

R29752

BUSHING

- pedal

2шт.

16

219-4

LUBE NIPPLE,1/8" - 27 NPTF

FITTING - grease, straight, 1/8" NPT short

2шт.

17

R29843

SPRING

- pedal return

1шт.

18

141-3

CLEVIS PIN,5/16" x .940"

PIN, CLEVIS, 5/16" x .940"

4шт.

19

132-26

COTTER PIN

PIN - Split (Cotter), 3/32" x 3/4"

4шт.

20

213-3

ADJUSTABLE CLEVIS,5/16"-24

CLEVIS - rod end

2шт.

21

25-115

NUT,5/16"-24, G5

- hex, lock 5/16"-24 NF

2шт.

22

R27499

ROD

- brake control

2шт.

23

D35268

SHIM,1/32" Thk

(79 mm) 1/32" Thk

1шт.

24

R27491

CAM

- modulator

1шт.

25

13-828

BOLT,Hex, 1/2" - 13 x 1-3/4", Gr 5

HHCS - 1/2" - 13 NC x 1-3/4"

1шт.

26

25-108

NUT,1/2"-13, G5

- hex, 1/2" - 13 NC

1шт.

27

R27502

FOLLOWER - R27455 frame, B is 1-5/8" (41 mm) long

1шт.

27

R33694

BRACKET

FOLLOWER - R33728 frame, B is 2-1/2" (63.5 mm) long

1шт.

28

132-26

COTTER PIN

Pin, Split (Cotter), 3/32" x 3/4"

2шт.

29

195-25

WASHER,3/8"

- flat, 3/8"

2шт.

30

R27497

COLLAR

BOSS - cam, Includes: Ref. 1

1шт.

31

R27466

BUSHING

- boss

1шт.

32

141-2

CLEVIS PIN,1/4" x .770"

PIN - clevis, 1/4"

2шт.

33

132-5

COTTER PIN,1/16" x 1/2"

Pin, Split (Cotter), 1/16" x 1/2"

2шт.

34

213-2

ADJUSTABLE CLEVIS,1/4"-28 x 2"

CLEVIS - rod end

1шт.

35

25-114

NUT,1/4"-28, G5

- hex, lock, 1/4" - 28 NF

1шт.

36

R27500

ROD

- modulator control

1шт.

Выбрано товаров: 41