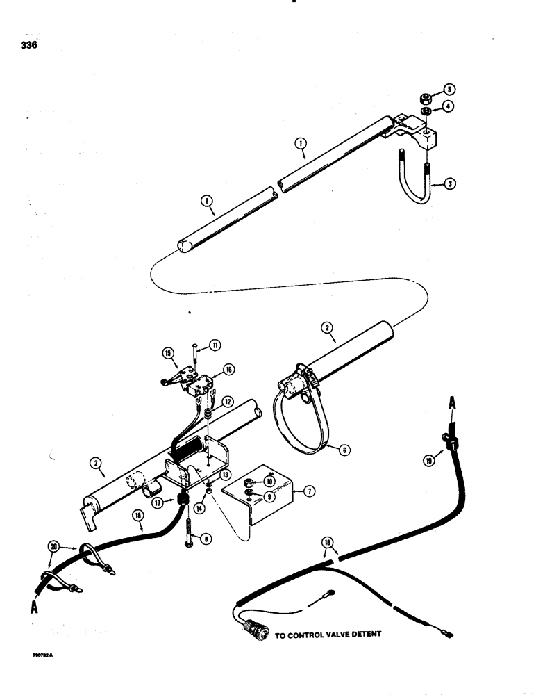
Запчасти Case 1150C (336) - LOADER RETURN-TO-DIG (09) - CHASSIS/ATTACHMENTS

Схема запчастей Case 1150C - (336) - LOADER RETURN-TO-DIG (09) - CHASSIS/ATTACHMENTS
16
7
5
18
6
8
13
9
15
1
17
10
14
18
1
19
2
20
2
12
11
3
4
FIT
1:1
100%

Артикул

Название

Примечание

Количество

1

R31484

SHAFT

ROD - return-to-dig actuator

1шт.

2

R41257

TUBE

- rod retaining

1шт.

3

R29760

BOLT

U-BOLT - rod retaining

1шт.

4

92-6

LOCK WASHER,3/8"

2шт.

5

25-106

NUT,3/8"-16, G5

- hex, 3/8" - 16 NC

2шт.

6

214-183

HOSE CLAMP,5-1/4" - 6-1/8", HD Worm

CLAMP - tube to cylinder

2шт.

7

R41264

COVER

- switch

1шт.

8

13-436

BOLT,Hex, 1/4" - 20 x 2-1/4", Gr 5

2шт.

9

92-4

LOCK WASHER,1/4"

WASHER, LOCK, 1/4"

2шт.

10

25-104

NUT,1/4"-20, G5

2шт.

11

169-143

SCREW,Sl Fil Hd, #6 - 32 x 1 1/2"

- No. 6 - 32 NC x 1-1/2"

2шт.

12

195-507

WASHER,#6

- flat, No. 6

1шт.

13

193-89

LOCK WASHER,Ext-Int Tooth, #6

WASHER, LOCK, Ext-Int Tooth, #6

2шт.

14

129-15

NUT,#6-32

2шт.

15

R33016

BRACKET

LEVER - switch

1шт.

16

R33015

SWITCH

- return-to-dig

1шт.

17

A23870

GROMMET

- harness

1шт.

18

R41261

HARNESS

- return-to-dig

1шт.

19

515-23127

CLAMP,1/2", Insul, 3/8" Bolt

- P-style, wiring harness at main frame upright

1шт.

20

L18337

CABLE TIE,9.95"-12.1" lg

STRAP - tie, 15 inch, nylon

2шт.

REFERENCE THE ILLUSTRATION FIGURE REF. 18 IN THE AREA THAT SAYS (TO CONTROL VALVE DETENT) THE PART NUMBER FOR THE PLUG IS N7518.

1шт.

Выбрано товаров: 21