Запчасти Case 1150C (450) - PRESSURIZED CAB, CONTROL PANEL AND WIRING (09) - CHASSIS/ATTACHMENTS

Схема запчастей Case 1150C - (450) - PRESSURIZED CAB, CONTROL PANEL AND WIRING (09) - CHASSIS/ATTACHMENTS
18
10
14
7
7
13
12
8
12
3
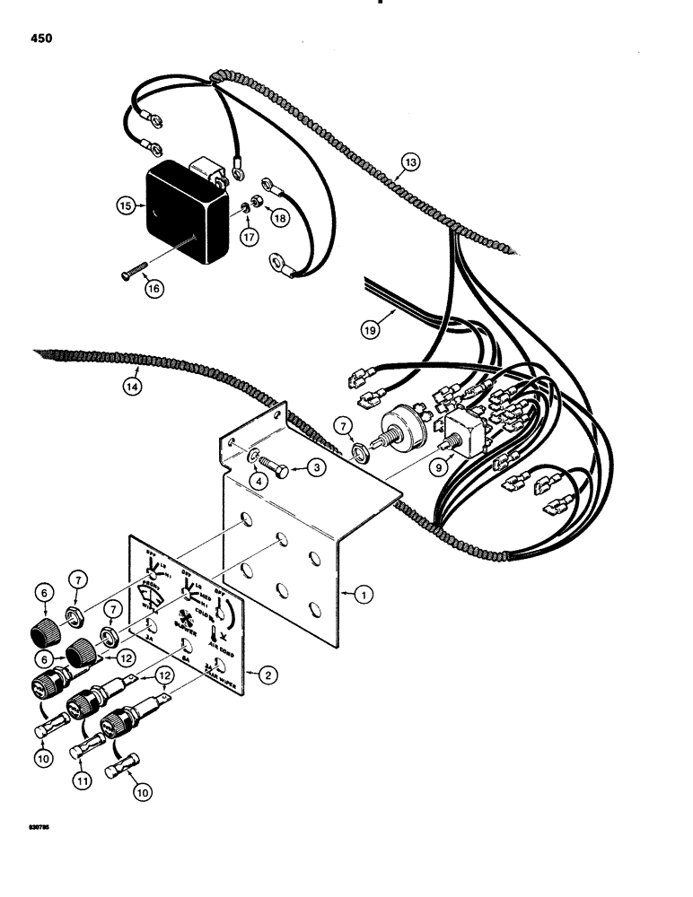
1
17
10
6
15
11
16
2
4
9
19
7
FIT
1:1
100%

Артикул

Название

Примечание

Количество

1

R44118

BRACKET

- control panel

1шт.

2

321-5854

LARGE PLATE

PLATE - control panel

1шт.

3

113-1

BOLT,Hex, 1/4" - 20 x 1/2", Gr 5

2шт.

4

192-19

LOCK WASHER,Helical Spring, 0.256" ID, CST, ZND

WASHER, LOCK, 1/4"

2шт.

6

A42578

KNOB

- controls

2шт.

7

A42561

JAM NUT,Hex, 7/16" - 28, RH Thd

- switch

3шт.

8

F43359

SWITCH

- front windshield wiper

1шт.

9

A42622

SWITCH

- blower

1шт.

10

223-38

FUSE,3 Amp, Type 3AG

- front and rear windshield wipers, 3 amperes, 3AG3

2шт.

11

223-35

FUSE,8 Amp, Type 3AG

- blower, 8 amperes, 3AG8

1шт.

12

A22874

HOLDER

- fuse

3шт.

13

R44263

HARNESS

- from tractor instrument panel to cab control panel and relay switch

1шт.

14

R44264

HARNESS

- control panel to cab accessories

1шт.

15

R44286

RELAY

- cab, electrical accessories

1шт.

16

182-549

SCREW,Slotted Pan Hd, #8-32 x 3/4"

- pan head slotted, No. 8 - 32 NC x 3/4", plated

2шт.

17

192-16

LOCK WASHER,Helical Spring, #8, 0.17" ID, CST, ZND

Washer, Lock, #8

2шт.

18

129-16

NUT,#8-32

2шт.

19

N7781

ELECTRICAL WIRE

HARNESS - front windshield wiper to front windshield wiper

1шт.

Выбрано товаров: 18