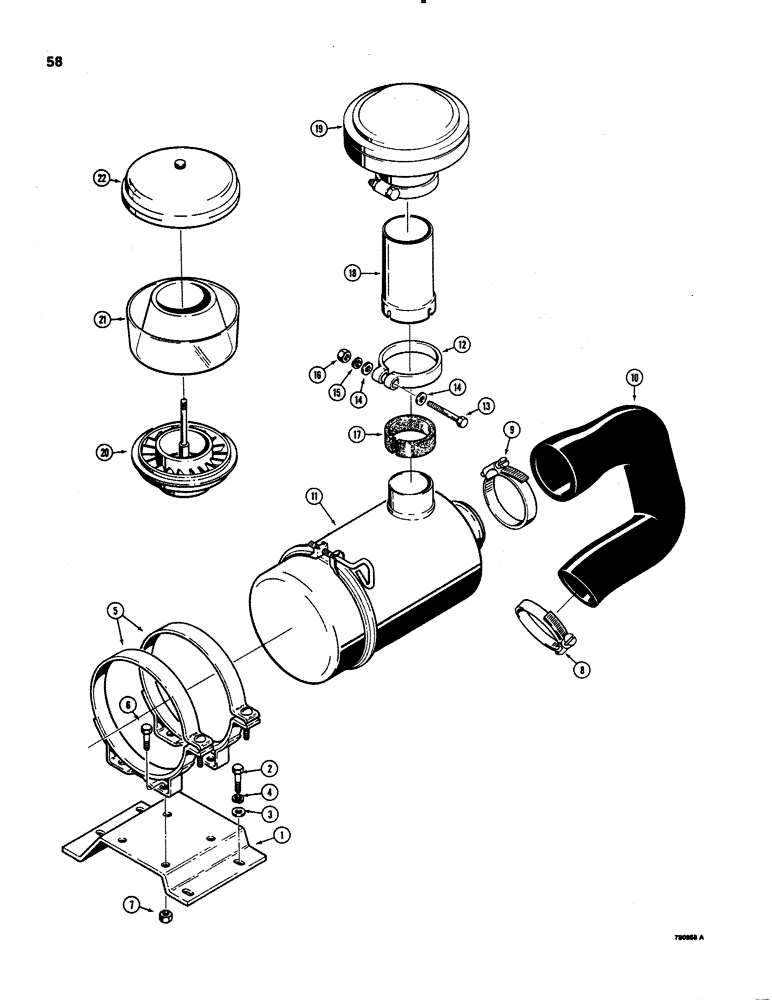
Запчасти Case 1150C (058) - AIR CLEANER MOUNTING, MODELS WITHOUT TURBOCHARGER (02) - ENGINE

Схема запчастей Case 1150C - (058) - AIR CLEANER MOUNTING, MODELS WITHOUT TURBOCHARGER (02) - ENGINE
2
15
1
3
22
6
14
21
7
9
10
20
18
19
17
12
4
8
11
5
13
14
16
FIT
1:1
100%

Артикул

Название

Примечание

Количество

1

R27204

BRACKET

- air cleaner mounting

1шт.

2

13-616

BOLT,Hex, 3/8" - 16 x 1", Gr 5, Full Thd

4шт.

3

195-25

WASHER,3/8"

- flat, 3/8"

4шт.

4

92-6

LOCK WASHER,3/8"

4шт.

5

A16574

BAND

CLAMP ASSEMBLY - includes hardware

2шт.

6

13-612

BOLT,Hex, 3/8" - 16 x 3/4", Gr 5, Full Thd

4шт.

7

131-179

LOCK NUT,3/8"-16, GA

NUT - hex, self-locking, 3/8" - 16 NC

4шт.

8

214-265

HOSE CLAMP,#56, 3.06" - 4", Type F Worm

CLAMP - hose, lower

1шт.

9

214-272

HOSE CLAMP,#84, 4.88" - 5.75", Type F Worm

CLAMP - hose, upper

1шт.

10

R37337

INTAKE AIR HOSE,3.00" ID, 5.00" ID x 10.50", SAE J200, SAE J14

- Air cleaner 3.00" ID, 5.00" ID x 10.50", SAE J200, SAE J14

1шт.

11

R36360

CLEANER

AIR CLEANER - parts list Figure 056

1шт.

12

R35673

CLAMP

- air cleaner stack

1шт.

13

13-652

BOLT,Hex, 3/8" - 16 x 3-1/4", Gr 5

- hex head, 3/8" - 16 NC x 3-1/4"

1шт.

14

195-25

WASHER,3/8"

- flat, 3/8"

2шт.

15

92-6

LOCK WASHER,3/8"

1шт.

16

25-106

NUT,3/8"-16, G5

- hex, 3/8" - 16 NC

1шт.

17

R43072

NOISE PROTECTION

PAD - seal

1шт.

18

R40837

MUFFLER

PIPE - air cleaner, may be 7-1/2" (190 mm) or 9-1/2" (241 mm) long

1шт.

19

L45486

AIR CLEANER

CAP ASSEMBLY - includes hardware

1шт.

A75056

FILTER

PRECLEANER ASSEMBLY - air cleaner, Includes: Ref. 20 - 22

1шт.

20

NSS

NOT SOLD SEPARAT

BODY - precleaner

1шт.

21

L30671

HOUSING

BOWL - precleaner

1шт.

22

L30669

COVER

- precleaner

1шт.

Выбрано товаров: 23