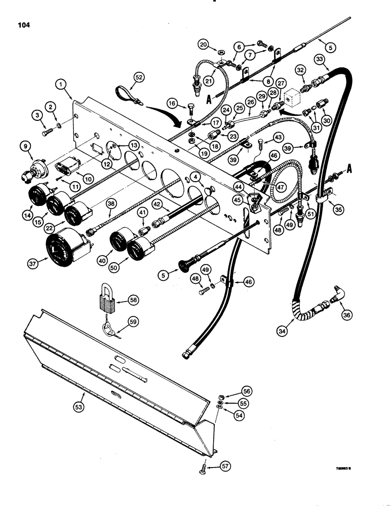
Запчасти Case 1150C (104) - INSTRUMENT PANEL (04) - ELECTRICAL SYSTEMS

Схема запчастей Case 1150C - (104) - INSTRUMENT PANEL (04) - ELECTRICAL SYSTEMS
50
48
8
5
40
19
14
24
54
1
39
7
11
22
34
47
5
20
21
10
3
49
15
56
35
55
49
16
25
2
6
41
9
29
38
52
53
58
32
44
23
39
45
42
46
43
36
57
28
12
18
26
33
4
46
59
48
37
13
17
31
51
30
27
FIT
1:1
100%

Артикул

Название

Примечание

Количество

1

R41316

PANEL

INSTRUMENT PANEL - gauges

1шт.

2

192-43

WASHER,3/8"

LOCK, 3/8"

4шт.

3

113-279

BOLT

- hex, head, 3/8" - 16 NC x 3/4" plated

4шт.

4

353-407

PLUG,Dome, .687" hole, Nylon

- button, if used

1шт.

5

R42035

CONTROL

- fuel shutoff

1шт.

6

13-612

BOLT,Hex, 3/8" - 16 x 3/4", Gr 5, Full Thd

2шт.

7

92-6

LOCK WASHER,3/8"

2шт.

8

515-23127

CLAMP,1/2", Insul, 3/8" Bolt

- fuel shutoff cable

2шт.

9

R27539

SWITCH

- instrument panel lamps

1шт.

10

L49907

GAUGE

HOURMETER - engine

1шт.

11

169-44

SCREW,Sl Fil Hd, #5 - 40 x 1/2"

MACHINE SCREW - Fillister head, No. 5 - 40 NC x 1/2"

2шт.

12

192-14

LOCK WASHER,Helical Spring, #5, 0.13" ID, CST, ZND

Washer, Lock, #5

2шт.

13

129-44

SQUARE NUT,Sq, #5-40

2шт.

14

R38643

ELECTRICAL GAUGE

AMMETER - electrical

1шт.

15

R42267

ELECTRICAL GAUGE

GAUGE - engine temperature

1шт.

16

13-616

BOLT,Hex, 3/8" - 16 x 1", Gr 5, Full Thd

1шт.

17

49838

CLAMP

- engine temperature cable

1шт.

18

92-6

LOCK WASHER,3/8"

1шт.

19

25-106

NUT,3/8"-16, G5

- hex, 3/8" - 16 NC

1шт.

20

195-29

WASHER,7/16"

- flat, 7/16"

1шт.

21

51200330

CLAMP

- engine temperature cable

1шт.

22

R46054

OIL PRESSURE GAUGE

GAUGE - engine oil pressure

1шт.

D35091

PIPE FITTING

ADAPTER - straight, compression, Includes: Ref. 23 - 25

1шт.

23

NSS

NOT SOLD SEPARAT

BODY - adapter

1шт.

24

D37176

SLEEVE

- compression

1шт.

25

D37362

TUBE NUT

- compression

1шт.

26

R37216

TUBE,152.4 mm L

- nylon, engine oil pressure gauge

1шт.

REF

INSTRUCTION

ADAPTER - straight, production part, for service order 222-400, see refs. 30 and 31, Includes: Ref. 27 - 29

1шт.

27

NSS

NOT SOLD SEPARAT

BODY - adapter

1шт.

28

D37176

SLEEVE

- adapter

1шт.

29

D37362

TUBE NUT

- adapter

1шт.

222-400

HYD CONNECTOR,1/8" NPT x 5/16"-24

ADAPTER - straight, service replacement, see refs. 27-29, Includes: Ref. 30 and 31

1шт.

30

NSS

NOT SOLD SEPARAT

BODY - adapter

1шт.

31

222-500

TUBE NUT,5/16" - 24 NPT

NUT AND SLEEVE - adapter

1шт.

32

218-441

HYD CONNECTOR,7/16" - 20 Male JIC x 1/8" - 27 Male NPTF

ADAPTER - straight, male

1шт.

33

D95116

HOSE

- engine oil pressure, 44" (1118 mm) long

1шт.

34

R12586

TAPE

GUARD - D95116 hose

1шт.

35

D49498

CLAMP

- engine oil pressure, uses intake manifold hardware

1шт.

36

218-481

ELBOW,90 Degree Elbow, 7/16" - 20 Male JIC x 1/8" - 27 Male NPTF

- male, 90 degree

1шт.

37

R27126

TACHOMETER

- engine rpm

1шт.

38

R27130

CABLE

- tachometer

1шт.

39

515-23127

CLAMP,1/2", Insul, 3/8" Bolt

- tachometer cable, see engine intake manifold and cylinder head pages for hardware used to mount clamp

2шт.

40

R38646

GAUGE

GUAGE - transmission oil pressure

1шт.

41

218-461

HYD CONNECTOR,7/16" - 20 Male JIC x 1/8" - 27 Female NPTF

ADAPTER - straight

1шт.

42

R35323

HOSE

- 100" (2540 mm), if used

1шт.

42

R43230

HOSE

- 90" (2286 mm) long, if used

1шт.

43

13-616

BOLT,Hex, 3/8" - 16 x 1", Gr 5, Full Thd

1шт.

44

92-6

LOCK WASHER,3/8"

1шт.

45

25-106

NUT,3/8"-16, G5

- hex. 3/8" - 16 NC

1шт.

46

49838

CLAMP

- transmission oil pressure hose, 1/2" (13 mm) ID

1-2шт.

47

49845

CLAMP

- torque converter temperature hose, 3/8" (9 mm) ID

1шт.

48

13-620

BOLT,Hex, 3/8" - 16 x 1-1/4", Gr 5, Full Thd

1-2шт.

49

92-6

LOCK WASHER,3/8"

1-2шт.

50

R38645

GAUGE

- torque converter temperature

1шт.

51

515-2348

CLAMP,4.8mm ID, 10.3mm Bolt Hole, P Type

- torque converter temperature cable

1шт.

52

L18337

CABLE TIE,9.95"-12.1" lg

STRAP - tie, 15 inch, nylon

1шт.

53

R42034

COVER

- instrument panel

1шт.

54

195-21

WASHER,5/16"

- flat, 5/16"

3шт.

55

92-5

LOCK WASHER,5/16"

3шт.

56

9635082

NUT,5/16" - 18, Gr 5

- hex, 5/16" - 18 NC

3шт.

57

A42923

CARRIAGE BOLT

- 5/16" - 18 NC x 27/32"

3шт.

58

D93753

PADLOCK

- instrument panel cover, includes two keys, if used, Includes: Ref. 59

1шт.

59

R29555

KEY

- for Master padlock only

2шт.

59

D93751

SET OF 2 KEYS

KEY - for Yale padlock only

2шт.

Выбрано товаров: 64