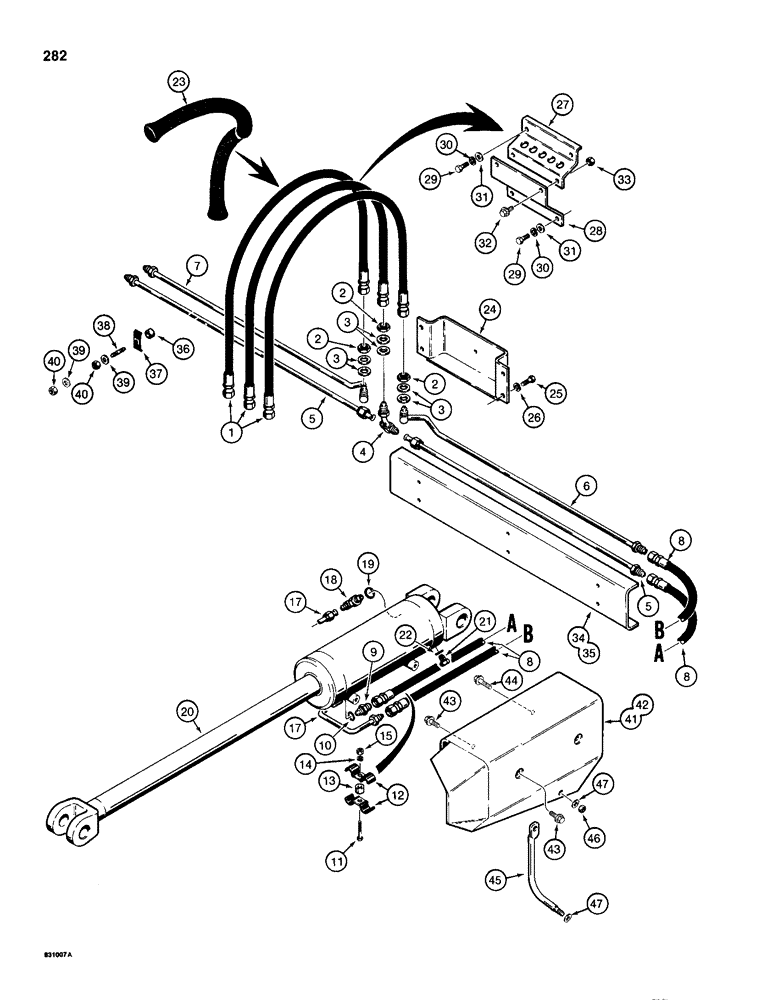
Запчасти Case 1150D (282) - DOZER TILT AND PITCH HYDRAULIC CIRCUIT, ANGLE TILT PITCH DOZER MODELS GRILLE TO CYLINDER (08) - HYDRAULICS

Схема запчастей Case 1150D - (282) - DOZER TILT AND PITCH HYDRAULIC CIRCUIT, ANGLE TILT PITCH DOZER MODELS GRILLE TO CYLINDER (08) - HYDRAULICS
19
25
39
40
37
2
27
9
8
35
41
6
43
4
2
46
33
2
29
15
3
30
5
21
28
18
43
17
47
29
22
5
7
31
47
10
14
24
20
13
42
34
12
26
38
30
44
1
36
39
40
31
3
45
23
11
8
8
32
3
17
FIT
1:1
100%

Артикул

Название

Примечание

Количество

1

W12226

HOSE

- 52" (1321 mm) long, grille to tubes, replaces shorter hoses used in production on some models

1шт.

2

218-1255

BHD LOCK NUT,Blkhd, 3/4"-16

NUT, LOCK, Blkhd, 3/4"-16

3шт.

3

D35268

SHIM,1/32" Thk

Washer, Special 1/32" Thk

6шт.

4

R45209

PIPE,12.7 mm OD x 39, 18 mm L

TUBE - tee, lower tubes

1шт.

5

R45189

PIPE,12.7 mm OD x 1024 mm L

TUBE - lower, 62" gauge dozer models

2шт.

5

R45306

PIPE,12.7 mm OD x 1182 mm L

TUBE - lower, 74" gauge dozer models

2шт.

6

R45217

PIPE,0.5" OD

TUBE - right-hand, upper, 62" (1575 mm) gauge dozer models

1шт.

6

R45286

PIPE,0.5" OD

TUBE - right-hand, upper, 74" (1880 mm) gauge dozer models

1шт.

7

R45215

PIPE,0.5" OD

TUBE - left-hand, upper, 62" (1575 mm) gauge dozer models

1шт.

7

R45284

PIPE,0.5" OD

TUBE - left-hand, upper, 74" (1880 mm) gauge dozer models

1шт.

8

36212

HOSE

- 23-1/2" (597 mm) long, to tilt cylinder

4шт.

9

218-5060

HYD CONNECTOR,3/4" - 16 Male JIC x 7/8" - 14 Male ORB

Adapter, straight, male, rod end of cylinder, Incl. Ref 10 3/4"-16, 37º x 7/8"-14, O-Ring

2шт.

10

237-6010

O-RING,0.097" Thk x 0.755" ID, -910, Cl 6, 90 Duro

- adapter

1шт.

11

113-209

BOLT,Hex, 3/8" - 16 x 1-1/2", Gr 5

2шт.

12

R15257

CLAMP

- hoses

4шт.

13

D38524

SPACER

- clamps

2шт.

14

192-21

LOCK WASHER,3/8"

WASHER, LOCK, 3/8"

2шт.

15

129-103

NUT,Hex, 3/8" - 16, Gr 5

NUT, 3/8"-16, G5

2шт.

16

R45219

PIPE,0.5" OD

TUBE - to closed end of cylinder, left-hand, not shown

1шт.

17

R46409

PIPE,0.5" OD

TUBE - to closed end of cylinder, right-hand

1шт.

18

R49847

ELBOW

- 90 degree, special, Includes: Ref. 19

2шт.

19

237-6010

O-RING,0.097" Thk x 0.755" ID, -910, Cl 6, 90 Duro

- elbow

1шт.

20

G105458

CYLINDER ASSY.

CYLINDER - tilt, parts list Fig. 306

2шт.

21

86512512

PLUG,7/8" - 14 ORB

Incl. Ref. 22 Hex Hd, 7/8"-14 ORB

2шт.

22

237-6010

O-RING,0.097" Thk x 0.755" ID, -910, Cl 6, 90 Duro

- plug

1шт.

23

R52544

HOSE PROTECTION

SLEEVE - nylon, hose protector

1шт.

24

R41555

GUARD ASSY.

GUARD - at grille

1шт.

25

113-410

BOLT,Hex, 1/2" - 13 x 1-1/2", Gr 5, Full Thd

4шт.

26

192-23

LOCK WASHER,1/2"

WASHER, LOCK, 1/2"

4шт.

27

R45028

PROTECTOR

GUARD - back of blade, upper

1шт.

28

R45031

PROTECTOR

GUARD - back of blade, lower

1шт.

29

113-424

BOLT,Hex, 1/2" - 13 x 1", Gr 5, Full Thd

4шт.

30

192-23

LOCK WASHER,1/2"

WASHER, LOCK, 1/2"

4шт.

31

195-533

WASHER,1/2", SAE

- flat, 1/2", plated

4шт.

32

121-428

FLANGE BOLT,Hex, 1/2" - 13 x 1", Gr 8, Full Thd

BOLT, Hex Flg, 1/2"-13 x 1", G8, Full Thd

2шт.

33

129-105

NUT,Hex, 1/2" - 13, Gr 5

2шт.

34

R45033

HOSE PROTECTION

GUARD - tubes, back of blade, 62" (1575 mm) gauge dozer models

2шт.

35

R45230

HOSE PROTECTION

GUARD - tubes, back of blade, 74" (1880 mm) gauge dozer models

2шт.

36

D76208

SPACER

- tubes

6шт.

37

R25528

CLAMP

- tubes

6шт.

38

R49736

STUD

- clamp mounting

6шт.

39

195-525

WASHER,3/8", SAE

- flat, 3/8", plated

24шт.

40

129-103

NUT,Hex, 3/8" - 16, Gr 5

NUT, 3/8"-16, G5

24шт.

41

R45050

PROTECTOR

GUARD - tilt cylinder, left-hand, not shown

1шт.

42

R45051

PROTECTOR

GUARD - tilt cylinder, right-hand

1шт.

43

121-428

FLANGE BOLT,Hex, 1/2" - 13 x 1", Gr 8, Full Thd

BOLT, Hex Flg, 1/2"-13 x 1", G8, Full Thd

6шт.

44

121-429

FLANGE BOLT,Hex, 1/2" - 13 x 1 1/4", Gr 8, Full Thd

BOLT, Hex Flg, 1/2"-13 x 1 1/4", G8, Full Thd

2шт.

45

R49827

ROD

- cylinder guard

2шт.

46

129-105

NUT,Hex, 1/2" - 13, Gr 5

2шт.

47

195-533

WASHER,1/2", SAE

- flat, 1/2", plated

4шт.

Выбрано товаров: 50