Запчасти Case 1150D (312) - EQUIPMENT CONTROL VALVE MOUNTING (08) - HYDRAULICS

Схема запчастей Case 1150D - (312) - EQUIPMENT CONTROL VALVE MOUNTING (08) - HYDRAULICS
1
6
8
2
5
3
4
3
7
2
FIT
1:1
100%

Артикул

Название

Примечание

Количество

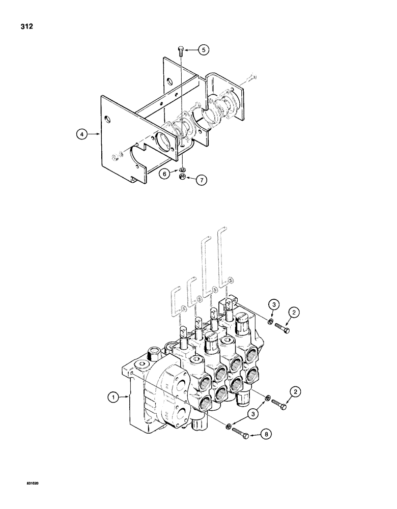
1

REF

INSTRUCTION

CONTROL VALVE - equipment, for correct assembly and components, Fig. 324 - 330

1шт.

2

113-209

BOLT,Hex, 3/8" - 16 x 1-1/2", Gr 5

2шт.

3

192-21

LOCK WASHER,3/8"

WASHER, LOCK, 3/8"

3шт.

4

R51224

SUPPORT

BRACKET - mounting, linkage

1шт.

5

113-207

BOLT,Hex, 3/8" - 16 x 1", Gr 5

4шт.

6

192-21

LOCK WASHER,3/8"

WASHER, LOCK, 3/8"

4шт.

7

129-103

NUT,Hex, 3/8" - 16, Gr 5

NUT, 3/8"-16, G5

4шт.

8

113-233

BOLT,Hex, 3/8" - 16 x 1-3/4", Gr 5

1шт.

Выбрано товаров: 8