Запчасти Case 1150D (324) - R45490 TWO SPOOL VALVE, LOADER MODELS (08) - HYDRAULICS

Схема запчастей Case 1150D - (324) - R45490 TWO SPOOL VALVE, LOADER MODELS (08) - HYDRAULICS
9
3
8
6
2
5
7
10
1
4
8
7
FIT
1:1
100%

Артикул

Название

Примечание

Количество

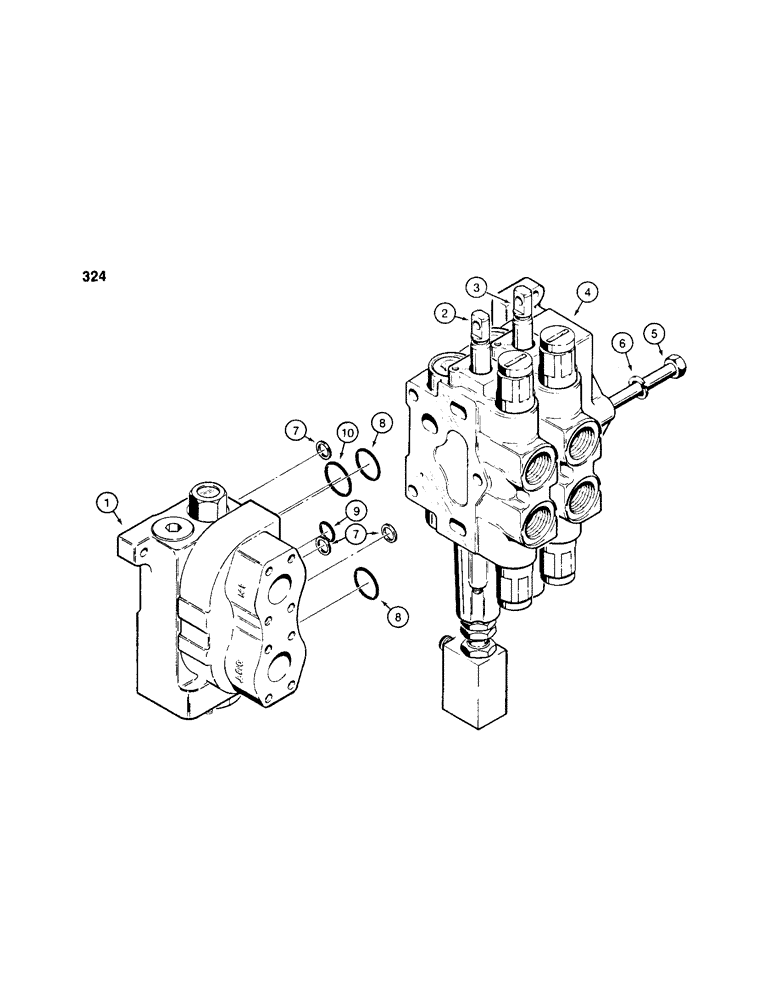
R45490

HYDRAULIC VALVE

CONTROL VALVE ASSEMBLY - two spool, loader models, Includes: Ref. 1 - 10

1шт.

1

D87071

VALVE

SECTION - inlet and outlet, identification No. 106, parts list Fig. 332

1шт.

2

D87083

VALVE

SECTION - bucket tilt, identification No. 409, parts list Fig. 338

1шт.

3

D87084

VALVE

SECTION - lift, identification No. 311, parts list Fig. 336

1шт.

4

D87072

COVER ASSY

COVER - end

1шт.

5

D74373

BOLT

- tie

3шт.

6

192-22

LOCK WASHER,7/16"

WASHER, LOCK, 7/16"

3шт.

7

D77566

SHIM,.0030" Thk

Sections .0030" Thk

9шт.

R37003

SEAL KIT

KIT - seal, Includes: Ref. 8 - 10

3шт.

8

NSS

NOT SOLD SEPARAT

O-RING - 1-5/16" (32 mm) OD

2шт.

9

NSS

NOT SOLD SEPARAT

O-RING - 1" (25 mm) OD

1шт.

10

NSS

NOT SOLD SEPARAT

O-RING - 1-1/2" (37 mm) OD

1шт.

Выбрано товаров: 12