Запчасти Case 1150D (026) - VALVE MECHANISM, 504BD AND 504BDT DIESEL ENGINES (02) - ENGINE

Схема запчастей Case 1150D - (026) - VALVE MECHANISM, 504BD AND 504BDT DIESEL ENGINES (02) - ENGINE
15
4
11
25
30
4
17
3
24
7
5
10
9
13
16
42
3
39
18
31
32
6
8
26
2
35
12
29
1
5
27
14
34
FIT
1:1
100%

Артикул

Название

Примечание

Количество

1

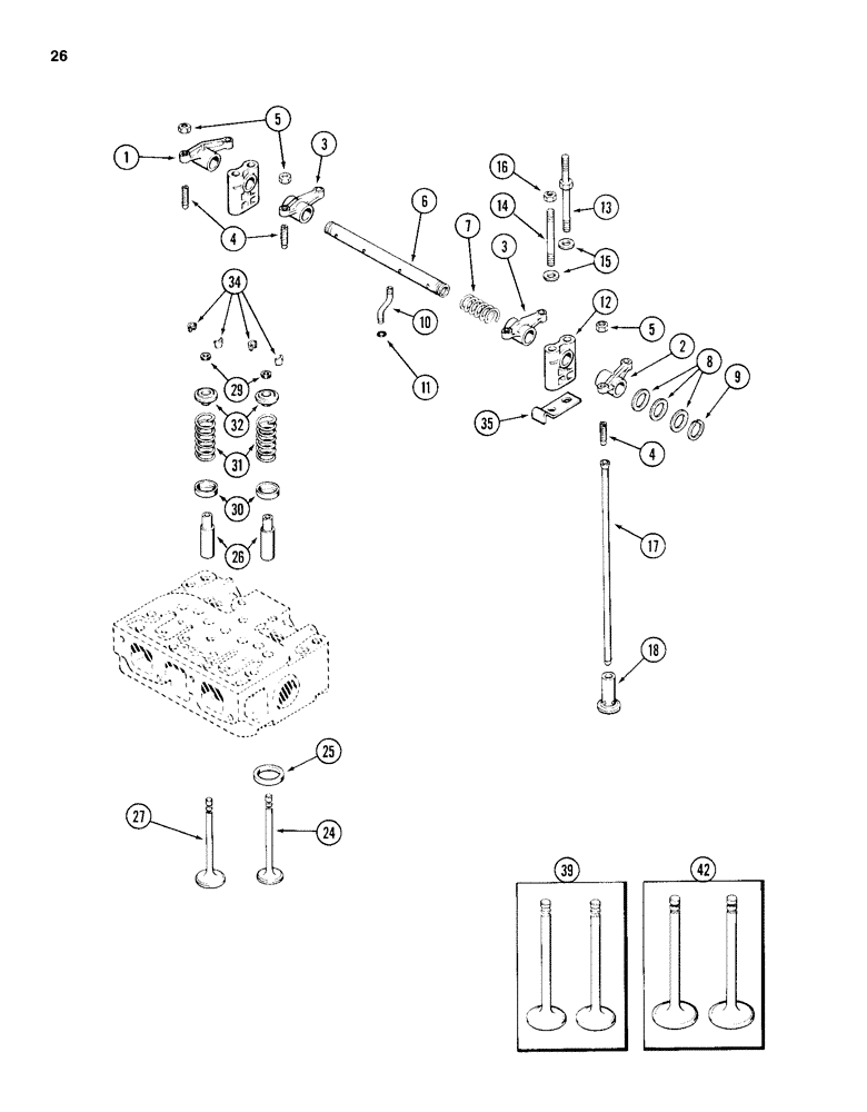
A148137

ROCKER ARM

ARM ASSEMBLY - rocker (Includes: Ref. 4 & 5) (Numbers 1, 3 and 5 exhaust valves)

3шт.

2

A148138

ARM

ASSEMBLY - rocker (Includes: Ref. 4 & 5) (Numbers 2, 4 and 6 exhaust valves)

3шт.

3

A148136

ARM

ASSEMBLY - rocker (intake valves), Includes: Ref. 4 & 5

6шт.

4

A21105

ADJUSTMENT SCREW,3/8" - 24 x 1 9/16"

SCREW - adjusting, rocker arm

1шт.

5

25-116

NUT,Hex, 3/8"-24, G5

- lock hex, 3/8 inch NF

1шт.

6

A150545

SHAFT

ASSEMBLY - rocker arms

3шт.

7

A27877

SPRING

- rocker shaft

3шт.

8

A27878

WASHER

- rocker shaft ends

1шт.

9

B18206

SNAP RING,#87, Ext

RING, Snap, , rocker shaft #87, Ext

6шт.

10

A58657

TUBE

- oil, rocker arms

3шт.

11

A27880

O-RING,0.07" Thk x 0.18" ID, -8, Cl 5, 75 Duro

- oil tube

3шт.

12

A61128

BRACKET

- rocker shaft

6шт.

13

A67121

STUD

- bracket, 7/16 NC x 6 inch

6шт.

14

A58659

STUD

- bracket, 7/16 NC x 4-5/16 inch

6шт.

15

195-29

WASHER,7/16"

- 1/2 x 15/16 x 1/16 inch (13 x 24 x 2 mm)

6шт.

16

25-107

NUT,7/16"-14, G5

- hex, 7/16 inch NC

6шт.

17

A157328

ROD

- push

12шт.

18

A20865

TAPPET

LIFTER - push rod

12шт.

18

A21857

TAPPET

LIFTER - push rod, 0.010 inch oversize (0.254 mm)

12шт.

24

NSS

NOT SOLD SEPARAT

VALVE - exhaust (Order Ref. 39) (Reference No. A58627)

6шт.

25

A58619

INSERT

- exhaust valve seat

6шт.

26

A41738

WHEEL

GUIDE - intake and exhaust valves

12шт.

26

A41783

GUIDE

- intake and exhaust valves, oversize

12шт.

27

NSS

NOT SOLD SEPARAT

VALVE - intake (Order Ref 42)(Reference No. A58626)

6шт.

29

A58628

SEAL,8mm ID x 13.77mm OD x 2.16mm Thk

- valve stem

12шт.

30

A66328

SEAT

- valve springs

12шт.

31

A66444

SPRING

- valves

12шт.

32

A66336

ROTATOR

RETAINER - exhaust and intake valves

12шт.

34

A27872

LOCK

- valve retainers

24шт.

35

A157197

STRAP

- gasket locator

6шт.

39

A41753

VALVE

KIT - exhaust (Set of 2)

3шт.

42

A41754

VALVE

KIT - intake (Set of 2)

3шт.

Выбрано товаров: 32