Запчасти Case 1150E (4-56) - FRONT WIPER AND WINDSHIELD WASHER, DOZER P.I.N. JAK0009016 OR LOADER PIN JAK0009982 & AFT (04) - ELECTRICAL SYSTEMS

Схема запчастей Case 1150E - (4-56) - FRONT WIPER AND WINDSHIELD WASHER, DOZER P.I.N. JAK0009016 OR LOADER PIN JAK0009982 & AFT (04) - ELECTRICAL SYSTEMS
26
17
13
10
5
22
2
21
24
25
15
18
11
1
23
23
20
12
3
16
14
24
19
9
6
4
7
8
25
FIT
1:1
100%

Артикул

Название

Примечание

Количество

A187672

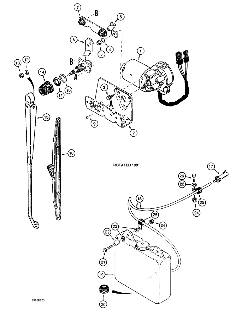
WIPER MOTOR

MOTOR ASSEMBLY - rear windshield wiper, with bracket, 24 volt, Includes: Ref. 1 - 9

1шт.

1

A187535

WIPER MOTOR

MOTOR - windshield wiper, 24 volt

1шт.

2

N8359

SUPPORT

BRACKET - windshield wiper assembly

1шт.

3

N8362

CAPTIVE WASHER SCREW,Hex, M6 x 18.50mm, Gr 10.9

SCREW - mounting, with washer, special

3шт.

4

N8361

SPRING WASHER

- Belleville, washer

1шт.

5

L112090

NUT

- hex, special, 8 mm, shaft end

1шт.

6

N8360

SUPPORT

ARM - drive

1шт.

7

N8358

LINK

LINK - wiper

1шт.

8

N14112

SHAFT

- wiper pivot

1шт.

9

N8356

SCREW,Phillips Drive, Flat HD, M5 x 8mm

- special, pivot shaft to bracket

4шт.

10

L112088

WASHER

- flat, special, large, shaft

1шт.

11

L112087

NUT

- special, specal, shaft

1шт.

12

L112089

WASHER

- wave, special, shaft end

1шт.

13

L112090

NUT

- hex, special, 8 mm, shaft end

1шт.

14

L112081

CAP

- pivot shaft end

1шт.

15

A186222

WIPER ARM,Single, 475mm L

ARM - wiper, front, 18-3/4 inch (475 mm) long, complete

1шт.

16

132024A1

WIPER BLADE

BLADE - wiper arm, complete, used in production, 19-11/16 inch (500 mm) long

1шт.

See Figures 4-50 and 4-52 for cab main wiring harness and connections.

1шт.

17

S117715

NOZZLE INJECTION

NOZZLE - windshield washer

1шт.

18

1999486C1

HOSE

- 228 inch (5790 mm) long, windshield washer

1шт.

19

A187527

RESERVOIR ASSY.

RESERVOIR - windshield wiper fluid, with pump, component parts not serviced separately

1шт.

20

A23870

GROMMET

- retainer

1шт.

21

413-640

BOLT,Hex, 3/8" - 16 x 2-1/2", Gr 5

- hex, 3/8 NC x 2-1/2 inch

2шт.

22

R58606

SPACER

- reservoir

2шт.

23

496-41041

WASHER,13/32" x 1 1/8" x .134"

- flat, 13/32 x 1-1/8 x 9/64 inch, hardened

5шт.

24

131-203

LOCK NUT,3/8"-16, GB, LH

NUT - light hex, self locking, 3/8 inch NC

3шт.

25

515-23127

CLAMP,1/2", Insul, 3/8" Bolt

P-type, Harness and tube 1/2", Insul, 3/8" Bolt

2шт.

26

413-612

BOLT,Hex, 3/8" - 16 x 3/4", Gr 5

1шт.

132025A1

WIPER BLADE

BLADE - rubber, refil, 500 mm long

1шт.

See Figures 4-50 and 4-52 for cab main wiring harness and connections.

1шт.

Выбрано товаров: 30