Запчасти Case 1150E (6-42) - TRANSMISSION SERVICE KITS, FINAL DRIVE OVERHAUL AND SEAL KITS (06) - POWER TRAIN

Схема запчастей Case 1150E - (6-42) - TRANSMISSION SERVICE KITS, FINAL DRIVE OVERHAUL AND SEAL KITS (06) - POWER TRAIN
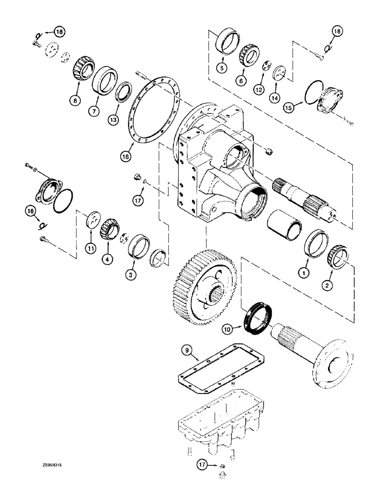
18
15
8
17
14
3
5
1
6
13
2
16
7
18
18
17
11
4
10
12
9
FIT
1:1
100%

Артикул

Название

Примечание

Количество

G101834

DRIVE

KIT - overhaul, Includes: Ref. 1 - 18

2шт.

1

L33731

BEARING CUP,154.9 mm OD x 27.9 mm

CUP - tapered roller bearing, outer, lower shaft

1шт.

2

L33736

ROLLER BEARING

BEARING - tapered roller, outer, lower shaft

1шт.

3

160301R1

BEARING ASSY,133.35mm OD x 32.55mm W

CUP - tapered roller bearing, inner, lower shaft

1шт.

4

1997115C1

TAPERED BEARING,82.575 mm ID x 39.738 mm

BEARING - tapered roller, inner, lower shaft

1шт.

5

107580R1

TAPERED BEARING,2.375" ID x 5.375" OD x 1.8125"

CUP - tapered roller bearing, outer, upper shaft

1шт.

6

1997116C1

TAPERED BEARING,82.575 mm ID x 39.738 mm

BEARING - tapered roller, outer, upper shaft

1шт.

7

921683C1

BEARING CUP,5.7087" OD x 1.6535"

CUP - tapered roller bearing, inner, upper shaft

1шт.

8

921684C1

BEARING ASSY,2.9528" ID x 5.7087" OD x 2.0079"

BEARING - tapered roller, inner, upper shaft

1шт.

G101833

KIT

- seal, Includes: Ref. 9 - 18

1шт.

9

A50540

GASKET

- bottom cover

1шт.

10

G109655

SEAL

- oil, final drive shaft

1шт.

11

G102001

PLATE

- end, final drive shaft

1шт.

12

G101997

SHIM,.005" Thk

(0.127 mm), End plate .005" Thk

6шт.

12

G101998

SHIM,.007" Thk

(0.178 mm), End plate .007" Thk

6шт.

12

G101999

SHIM,.020" Thk

(0.508 mm), End plate .020" Thk

3шт.

13

A32015

SEAL,82.55mm ID x 114.3mm OD x 11.91mm Thk

- oil, pinion shaft

1шт.

14

G102106

PLATE

- end, pinion shaft

2шт.

15

A27384

O-RING,0.139" Thk x 5.234" ID, -252, Cl 5, 75 Duro

- 5-1/4 ID x 1/8 inch wide

2шт.

16

A50725

SHIM,.007" Thk

(0.178 mm), Housing to transmission .007" Thk

3шт.

16

A50726

SHIM,.005" Thk

(0.127 mm), Housing to transmission .005" Thk

3шт.

17

G102141

SEALING WASHER

WASHER - copper, drain plug

2шт.

18

391-825

ELECTRICAL WIRE

WIRE - tie, not used on 1150E or 1155E Crawler

3шт.

Выбрано товаров: 23