Запчасти Case 1150E (8-014) - LOADER LIFT HYDRAULIC CIRCUIT (08) - HYDRAULICS

Схема запчастей Case 1150E - (8-014) - LOADER LIFT HYDRAULIC CIRCUIT (08) - HYDRAULICS
41
17
9
19
17
19
17
27
3
30
21
22
15
6
25
40
22
18
16
2
14
23
32
28
31
13
16
37
38
39
42
8
36
35
17
24
29
34
30
22
12
7
22
32
42
23
16
29
16
10
20
4
31
1
21
33
26
20
35
18
5
11
FIT
1:1
100%

Артикул

Название

Примечание

Количество

1

REF

INSTRUCTION

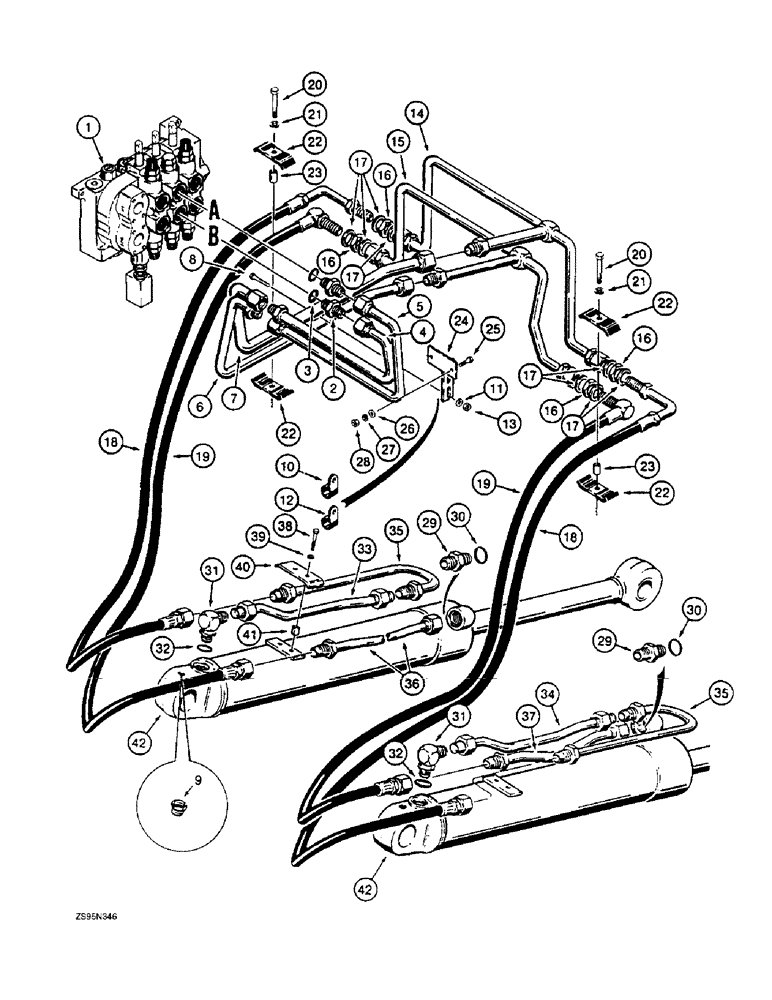
CONTROL VALVE - equipment, for correct assembly and components see Figure 8-106, 8-108, or 8-112

1шт.

2

218-5069

HYD CONNECTOR,1-5/16" - 12 Male JIC x 1-5/16" - 12 Male ORB

Adapter - straight, 1-5/16-12 inch flare x O-ring boss, male, Incl. Ref. 3

2шт.

3

237-6016

O-RING,0.116" Thk x 1.171" ID, -916, Cl 6, 90 Duro

- 1-11/64 ID x 7/64 inch wide, adapter

1шт.

4

R27782

PIPE,1" OD

TUBE - at control valve, lower, B port

1шт.

5

R42747

TUBE,1" OD

- at control valve, upper, A port

1шт.

6

R42749

- to crossover, lower, A port

1шт.

7

R27778

TUBE,1.25" OD

- to crossover, upper, B port

1шт.

8

413-612

BOLT,Hex, 3/8" - 16 x 3/4", Gr 5

2шт.

9

221-84

REDUCER,Hex, 1/4" x 1/8" NPT

- pipe, 1/4 male x 1/8 inch female

2шт.

For lubrication hose for loader lift cylinder mounting at main frame, see Figure 9-2.

1шт.

10

D40471

CLAMP

- tube Ref. 7, P-type, upper

1шт.

11

495-11041

WASHER,0.406" ID x 0.812" OD x 0.065" W

(Flat, 13/32 x 13/16 x 1/16") 3/8", SAE

2шт.

12

515-23254

CLAMP,1", Insul, 3/8" Bolt

Tube, Ref. 6, P-type, Lower 1", Insul, 3/8" Bolt

1шт.

13

232-1446

NUT,3/8"-16, GC

NUT, LOCK, 3/8"-16, GC

2шт.

14

R49504

PIPE,25.4 mm OD x 677.1, 343 mm L

TUBE - crossover, upper, front, B port

1шт.

15

R53272

PIPE,25.4 mm OD x 670, 316 mm L

TUBE - crossover, lower, rear, A port

1шт.

16

218-1250

BHD LOCK NUT,Blkhd, 1 5/16"-12

NUT, LOCK, Blkhd, 1 5/16"-12

4шт.

17

96-11081

WASHER,1 3/8" x 2" x .065", HDN

- flat, 1-3/8 x 2 x 1/16 inch, hardened

8шт.

18

R49547

HOSE

- 46 inch (1168 mm) long, outer

2шт.

19

R49546

HOSE,19.05mm ID x 1066.8mm L, SAE 100R12

- 42 inch (1067 mm) long, inner

2шт.

20

413-636

BOLT,Hex, 3/8" - 16 x 2-1/4", Gr 5

2шт.

21

492-11038

LOCK WASHER,3/8"

2шт.

22

R27809

CLAMP

- hoses

4шт.

23

F41626

SPACER

- clamps

2шт.

24

R36862

SUPPORT

BRACKET - tube support

1шт.

25

413-620

BOLT,Hex, 3/8" - 16 x 1-1/4", Gr 5

- hex, 3/8 NC x 1-1/4 inch

2шт.

26

495-11041

WASHER,0.406" ID x 0.812" OD x 0.065" W

(Flat, 13/32 x 13/16 x 1/16") 3/8", SAE

2шт.

27

492-11038

LOCK WASHER,3/8"

2шт.

28

425-106

NUT,3/8"-16, Cl 5

2шт.

29

218-5069

HYD CONNECTOR,1-5/16" - 12 Male JIC x 1-5/16" - 12 Male ORB

Adapter - straight, 1-5/16-12 inch flare x O-ring boss, male, Incl. Ref. 30

2шт.

30

237-6016

O-RING,0.116" Thk x 1.171" ID, -916, Cl 6, 90 Duro

- 1-11/64 ID x 7/64 inch wide, adapter

1шт.

31

218-5110

ELBOW,90 Degree Elbow, 1-5/16" - 12 Male JIC x 1-5/16" - 12 Male ORB

90º, 1-5/16-12 inch flare x adj. O-ring boss, male, adjustable, Incl. Ref. 32

2шт.

32

237-6016

O-RING,0.116" Thk x 1.171" ID, -916, Cl 6, 90 Duro

- 1-11/64 ID x 7/64 inch wide, elbow

1шт.

33

R31597

TUBE,1" OD x 20.15, 2" L

- at closed end of cylinder, left hand

1шт.

34

R31598

TUBE

- at closed end of cylinder, right hand

1шт.

35

R31460

PIPE,1" OD x 16.9, 40" L

TUBE - bent, to closed end of cylinder

2шт.

36

R31456

TUBE,1" OD x 24.95, 1.5" L

- to rod end of left hand lift cylinder

1шт.

37

R49220

PIPE,1" OD

TUBE - to rod end of right hand lift cylinder

1шт.

38

413-628

BOLT,Hex, 3/8" - 16 x 1-3/4", Gr 5

- hex, 3/8 NC x 1-3/4 inch

4шт.

39

492-11038

LOCK WASHER,3/8"

4шт.

40

R31466

CLAMP

- tube

2шт.

41

D143412

SPACER,10.31mm ID x 15.81mm OD x 23.88mm L

- tube clamp

4шт.

42

REF

INSTRUCTION

CYLINDER - loader lift, for correct assembly and components, see Figure 8-56

2шт.

Выбрано товаров: 43