Запчасти Case 1150E (8-106) - TWO SPOOL VALVE, LOADER & DOZER MODELS (08) - HYDRAULICS

Схема запчастей Case 1150E - (8-106) - TWO SPOOL VALVE, LOADER & DOZER MODELS (08) - HYDRAULICS
2
8
6
7
7
4
8
4
9
5
6
11
8
1
2
1
10
9
10
3
11
3
5
7
7
8
FIT
1:1
100%

Артикул

Название

Примечание

Количество

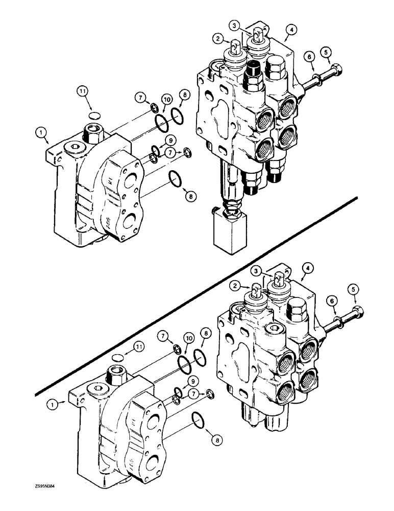
R49487

VALVE

ASSEMBLY - control, two spool, loader models, Includes: Ref. 1 - 10

1шт.

1

N14016

VALVE

SECTION ASSEMBLY - inlet and outlet, ID No. 110, parts list Figure 8-116

1шт.

2

N14027

HYD VALVE SECTION

SECTION ASSEMBLY - bucket tilt, ID No. 412, parts list Figures 8-122 and 8-124

1шт.

3

N14028

VALVE

SECTION ASSEMBLY - lift, ID No. 317, parts list Figure 8-120

1шт.

4

D87072

COVER ASSY

COVER ASSEMBLY - end

1шт.

5

D74373

BOLT

- tie

3шт.

6

492-11044

LOCK WASHER,7/16"

WASHER, LOCK, 7/16"

3шт.

7

D77566

SHIM,.0030" Thk

Sections .0030" Thk

9шт.

R37003

SEAL KIT

KIT - seal, Includes: Ref. 8 - 10

3шт.

8

NSS

NOT SOLD SEPARAT

O-RING - 1-5/16 inch (32 mm) OD

2шт.

9

NSS

NOT SOLD SEPARAT

O-RING - 1 inch (25 mm) OD

1шт.

10

NSS

NOT SOLD SEPARAT

O-RING - 1-1/2 inch (37 mm) OD

1шт.

11

D87075

COVER

CAP - dust, steel

1шт.

R49490

VALVE

ASSEMBLY - control, two spool

1шт.

1

N14016

VALVE

SECTION ASSEMBLY - inlet and outlet, ID No. 110, parts list Figure 8-116, 2 spool dozer models

1шт.

2

N14017

VALVE

SECTION ASSEMBLY - tilt, ID No. 252, parts list Figure 8-128, 2 spool dozer models

1шт.

3

N14018

VALVE

SECTION ASSEMBLY - dozer lift, ID No. 316, parts list Figure 8-126, 2 spool models

1шт.

4

D87072

COVER ASSY

COVER ASSEMBLY - end, 2 spool valve dozer models

1шт.

5

D74373

BOLT

- tie, 2 spool valve dozer models

3шт.

6

492-11044

LOCK WASHER,7/16"

WASHER, LOCK, , 2 spool valve dozer models 7/16"

3шт.

7

D77566

SHIM,.0030" Thk

Sections, 2 spool valve dozer models .0030" Thk

9шт.

R37003

SEAL KIT

KIT - seal, 2 spool valve dozer models

3шт.

8

NSS

NOT SOLD SEPARAT

O-RING - 1-5/16 inch (32 mm) OD, 2 spool valve dozer models

2шт.

9

NSS

NOT SOLD SEPARAT

O-RING - 1 inch (25 mm) OD, 2 spool valve dozer models

1шт.

10

NSS

NOT SOLD SEPARAT

O-RING - 1-1/2 inch (37 mm) OD, 2 spool valve dozer models

1шт.

11

D87075

COVER

CAP - dust, steel, 2 spool valve dozer models

1шт.

Выбрано товаров: 26