Запчасти Case 1150E (9-006) - LOADER RETURN-TO-DIG (09) - CHASSIS/ATTACHMENTS

Схема запчастей Case 1150E - (9-006) - LOADER RETURN-TO-DIG (09) - CHASSIS/ATTACHMENTS
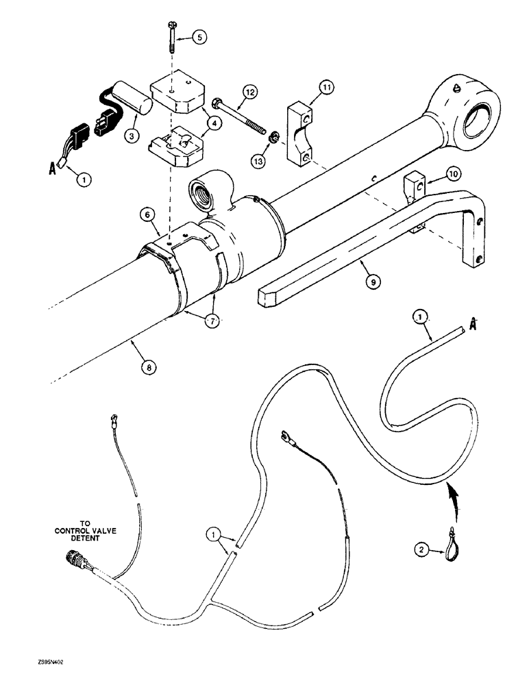
4
1
6
9
13
2
3
10
1
12
7
11
8
1
5
FIT
1:1
100%

Артикул

Название

Примечание

Количество

1

R53611

HARNESS

- return-to-dig, includes magnetic detent connector, use control valve mounting hardware for ground wire

1шт.

2

L18337

CABLE TIE,9.95"-12.1" lg

STRAP - tie, 15 inch, nylon

1шт.

3

R47120

SWITCH

- return-to-dig

1шт.

4

L117005

CLAMP

- return-to-dig switch, plastic

2шт.

5

470-12528

SCREW,Slotted Pan Hd, 1/4"-20 x 1 3/4"

- machine, pan head slotted, 1/4 NC x 1-3/4 inch

2шт.

6

R52656

LARGE PLATE

BRACKET - switch mounting

1шт.

7

214-3180

HOSE CLAMP,4-1/4" - 5-1/8", HD Worm

CLAMP - adj, 4-1/4 - 5-1/8 inch dia, switch mounting bracket to bucket cylinder

2шт.

8

G107039

CYLINDER ASSY.

CYLINDER ASSEMBLY - loader bucket, 4 (102) ID x 36-1/4 inch (921 mm) stroke, left-hand, parts list Figure 8-58

1шт.

9

R52776

ARM

- return-to-dig

1шт.

10

R48760

FIXING BRACKET

BLOCK - arm retaining, with locating pin

1шт.

11

R49034

FIXING BRACKET

BLOCK - arm retaining

1шт.

12

113-252

BOLT,Hex, 3/8" - 16 x 3-3/4", Gr 5

2шт.

13

492-11038

LOCK WASHER,3/8"

2шт.

Выбрано товаров: 13