Запчасти Case 1150E (9-036) - MAIN FRAME AND PIVOT SHAFT, DOZER AND DRAWBAR MODELS (09) - CHASSIS/ATTACHMENTS

Схема запчастей Case 1150E - (9-036) - MAIN FRAME AND PIVOT SHAFT, DOZER AND DRAWBAR MODELS (09) - CHASSIS/ATTACHMENTS
10
12
7
3
5
15
5
6
14
14
9
11
8
4
9
1
10
13
8
14
9
2
FIT
1:1
100%

Артикул

Название

Примечание

Количество

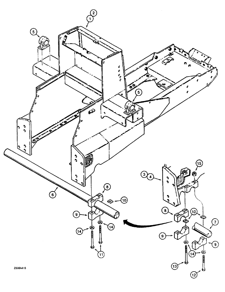
1

R51229

CHASSIS

FRAME - engine and main, 62 inch (1575 mm) gauge standard dozer and drawbar models, Includes: Ref. 5

1шт.

2

R57433

KIT

FRAME - engine and main, 62 inch (1575 mm) gauge long track dozer models, was R55010, Includes: Ref. 5

1шт.

3

R50617

CHASSIS

FRAME - engine and main, 74 inch (1880 mm) gauge LGP and wide track dozer models, Includes: Ref. 5

1шт.

4

R57202

FRAME

- engine and main, 74 inch (1880 mm) gauge long track angle tilt inside dozer models, Includes: Ref. 5

1шт.

5

R39921

BRACKET

BASE - ROPS mounting, included in all frames above

2шт.

6

R26860

SHAFT

- pivot, 62 inch (1575 mm) gauge dozer and drawbar models

1шт.

7

R31363

SHAFT

- pivot, 74 inch (1880 mm) gauge LGP and wide track dozer models

1шт.

8

R49332

CLAMP

- pivot shaft, upper (replaces R26859 clamp), 4 used on 62 inch (1575 mm) gauge dozer and drawbar models, 2 used on all 74 inch (1880 mm) gauge dozer models

2-4шт.

9

R49332

CLAMP

- pivot shaft, lower (replaces R26857 clamp), all models

4шт.

10

R26802

SPACER

- clamp

4шт.

11

13-16144

BOLT,Hex, 1" - 8 x 9", Gr 5

- hex, 1 NC x 9 inch, used on 62 inch (1575 mm) gauge dozer and drawbar models with weld nuts on frame, if used

8шт.

11

413-16136

BOLT,Hex, 1" - 8 x 8-1/2", Gr 5

- hex, 1 NC x 8-1/2 inch, used on 62 inch (1575 mm) gauge dozer and drawbar models with tapped holes on frame

8шт.

12

413-16128

BOLT,Hex, 1" - 8 x 8", Gr 5

- hex, 1 NC x 8 inch, used on all 74 inch (1880 mm) gauge dozer models, outer clamps

4шт.

13

13-16144

BOLT,Hex, 1" - 8 x 9", Gr 5

- hex, 1 NC x 9 inch, used on all 74 inch (1880 mm) gauge dozer models, inner clamps, with weld nuts on frame, if used

4шт.

13

413-16136

BOLT,Hex, 1" - 8 x 8-1/2", Gr 5

- hex, 1 NC x 8-1/2 inch, used on all 74 inch (1880 mm) gauge dozer models, inner clamps, with tapped holes in frame

4шт.

14

D30196

WASHER

- flat, special, 1 inch, hardened, all models

8шт.

15

425-1016

NUT,1"-8, G5

- hex, 1 inch NC, Used on all 74 inch (1880 mm) gauge dozer models, outer clamps

4шт.

Выбрано товаров: 17