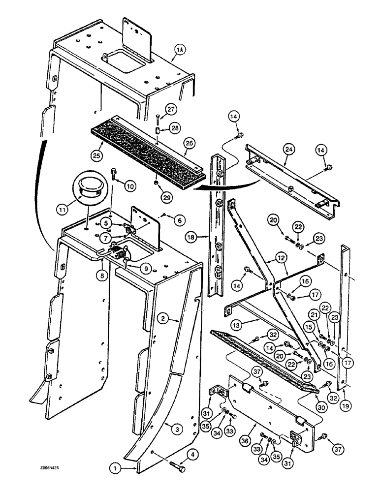
Запчасти Case 1150E (9-056) - RADIATOR SHROUD - LOADER MODELS (09) - CHASSIS/ATTACHMENTS

Схема запчастей Case 1150E - (9-056) - RADIATOR SHROUD - LOADER MODELS (09) - CHASSIS/ATTACHMENTS
31
16
28
32
23
1a
14
17
27
29
30
37
37
14
24
20
14
7
1
6
22
32
35
19
34
35
36
9
20
12
21
14
8
2
33
23
26
13
11
25
23
18
22
3
16
22
10
15
33
31
17
5
34
4
FIT
1:1
100%

Артикул

Название

Примечание

Количество

1

R54767

GUARD ASSY.

SHROUD - radiator, loader models, includes decals, used with R48285 bracket, Figure 9-60 ref 19, Includes: Ref. 2 & 3

1шт.

1

R57389

GUARD ASSY.

SHROUD - radiator, loader models, includes decals, used with R56938 bracket, Figure 9-60 ref 20, Includes: Ref. 2 & 3

1шт.

2

R52429

LARGE PLATE

PLATE - wear, upper, both sides, weld on

2шт.

3

R52683

LARGE PLATE

PLATE - guide, both sides, weld on

2шт.

4

413-1232

BOLT,Hex, 3/4" - 10 x 2", Gr 5

- hex, 3/4 NC x 2 inch

8шт.

5

L102515

LATCH

- radiator cap access

1шт.

6

70-1108

SCREW,Pan HD, #10 - 24 x 1/2"

- machine, pan head slotted, No. 10 NC x 1/2 inch

2шт.

7

F45165

SPECIAL NUT,#10-24

NUT - hex, self-locking, special, No. 10 NC

2шт.

8

D93753

PADLOCK

- radiator cap access, Includes: Ref. 9

1шт.

9

R29555

KEY

- for Master padlock only

2шт.

9

D93751

SET OF 2 KEYS

KEY - for Yale padlock only

2шт.

10

160-108

BOLT,Hex, 1/2" - 13 x 1 1/2", Gr 8, Full Thd

- hex flange, 1/2 NC x 1-1/2 inch, grade 8

2шт.

11

353-409

PLUG,Dome, .812" hole, Nylon

- button, 13/16 inch, if used

8шт.

12

R51097

SUPPORT

BRACE - shroud support

2шт.

13

R51213

SUPPORT

BRACE - cross piece, lower

1шт.

14

160-108

BOLT,Hex, 1/2" - 13 x 1 1/2", Gr 8, Full Thd

- hex flange, 1/2 NC x 1-1/2 inch, grade 8

12шт.

15

496-21053

WASHER,17/32" x 1 1/16" x .134"

- flat, 17/32 x 1-1/16 x 1/8 inch, hardened

2шт.

16

80679

LOCK WASHER,1/20.507 CST ZND

WASHER, LOCK, 1/2"

3шт.

17

425-108

NUT,1/2" - 13, Gr 5

NUT, , Hex 1/2"-13, G5

3шт.

18

R49934

ANGLE BAR

BRACKET - grille mounting, left-hand

1шт.

19

R49935

ANGLE BAR

BRACKET - grille mounting, right-hand

1шт.

20

413-824

BOLT,Hex, 1/2" - 13 x 1-1/2", Gr 5

4шт.

21

413-816

BOLT,Hex, 1/2" - 13 x 1", Gr 5

2шт.

22

80679

LOCK WASHER,1/20.507 CST ZND

WASHER, LOCK, 1/2"

6шт.

23

496-21053

WASHER,17/32" x 1 1/16" x .134"

- flat, 17/32 x 1-1/16 x 1/8 inch, hardened

6шт.

24

R54624

PANEL

- front, upper

1шт.

25

REF

INSTRUCTION

PAD - radiator baffle, upper, see Figure 9-86 for pad

1шт.

26

R49917

LARGE PLATE

STRIP - pad backing

1шт.

27

413-524

BOLT,Hex, 5/16" - 18 x 1-1/2", Gr 5

- hex, 5/16 NC x 1-1/2 inch

3шт.

28

D34244

SPACER

- bolt

3шт.

29

231-4115

NUT,5/16"-18, GB

NUT - hex, self-locking, 5/16 inch NC

3шт.

30

R53868

LARGE PLATE

PANEL - lower radiator baffle, includes pad, see Figure 9-86 for pad

1шт.

31

R27212

ANGLE

BRACKET - lower panel mounting, used with R51219 plate Ref 36 below

2шт.

32

160-109

BOLT,Hex, 1/2" - 13 x 1 3/4", Gr 8

- hex flange, 1/2 NC x 1-3/4 inch grade 8, if used

2шт.

33

413-820

BOLT,Hex, 1/2" - 13 x 1-1/4", Gr 5

- hex, 1/2 NC x 1-1/4 inch, if used

2шт.

34

80679

LOCK WASHER,1/20.507 CST ZND

WASHER, LOCK, , If used 1/2"

2шт.

35

496-21053

WASHER,17/32" x 1 1/16" x .134"

- flat, 17/32 x 1-1/16 x 1/8 inch, hardened, If used

2шт.

36

R51219

LARGE PLATE

PLATE - lower, grille and radiator baffle mounting, no longer used, order R57579 grille, Figure 9-58 ref 9

1шт.

37

160-108

BOLT,Hex, 1/2" - 13 x 1 1/2", Gr 8, Full Thd

- hex flange, 1/2 NC x 1-1/2 inch, grade 8

3-4шт.

Выбрано товаров: 39