Запчасти Case 1150E (9-072) - R49353 BOSTROM SUSPENSION SEAT ASSEMBLY (09) - CHASSIS/ATTACHMENTS

Схема запчастей Case 1150E - (9-072) - R49353 BOSTROM SUSPENSION SEAT ASSEMBLY (09) - CHASSIS/ATTACHMENTS
52
6
56
2
33
17
47
48
16
39
15
3
46
38
20
5
4
44a
59
12
16
5
49a
54a
50
51
24
36
2a
18
58
8
29
20
54
18
42
55
43
17
34
41
26
19
60
31
13
27
28
25
10
57
3
14
19
49
13
44
22
1
32
59
21
28
35
13
30
37
58
7
11
12
40
53
23
45
14
60
18
FIT
1:1
100%

Артикул

Название

Примечание

Количество

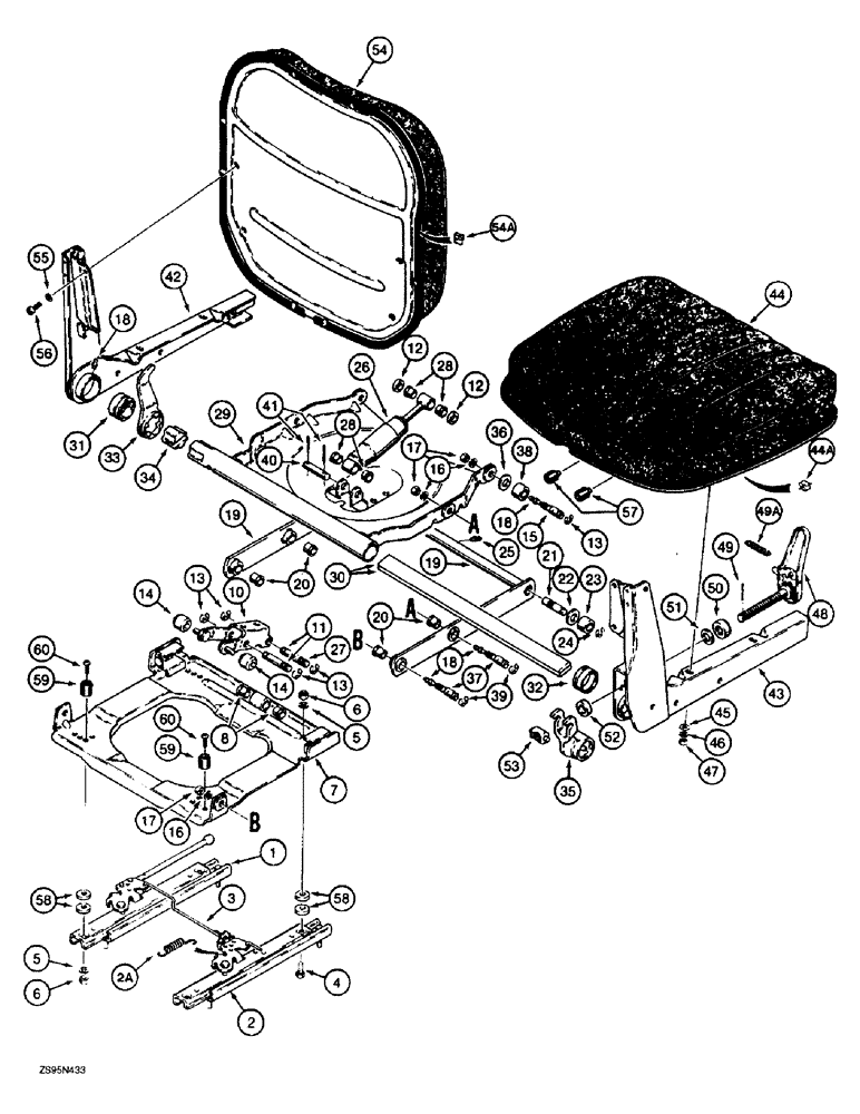
R49353

SEAT

ASSEMBLY - suspension, for mounting parts see Figure 9-70, Includes: Ref. 1 - 60

1шт.

D64865

KIT

- seat slide, Includes: Ref. 1 - 3

1шт.

1

NSS

NOT SOLD SEPARAT

SLIDE - left-hand, with handle

1шт.

2

NSS

NOT SOLD SEPARAT

SLIDE - right-hand

1шт.

2a

NSS

NOT SOLD SEPARAT

SPRING - right-hand

1шт.

3

D64866

BAR

- locking, seat adjustment

1шт.

4

113-185

BOLT,Hex, 5/16" - 18 x 1", Gr 8, Full Thd

- hex, 5/16 NC x 1 inch, grade 8

2шт.

5

492-11031

LOCK WASHER,5/16"

WASHER, LOCK, 5/16"

4шт.

6

425-105

NUT,5/16"-18, G5

- hex, 5/16 inch NC

4шт.

D74519

BASE

SUPPORT ASSEMBLY - seat, Includes: Ref. 7 & 8

1шт.

7

NSS

NOT SOLD SEPARAT

SUPPORT - seat, serial number attached

1шт.

8

D64843

FLANGED BEARING,0.508" ID x 0.753" OD x 0.562"

BUSHING - flanged, with flange

2шт.

D64853

LEVER

ASSEMBLY - shock absorber, Includes: Ref. 10 & 11

1шт.

10

NSS

NOT SOLD SEPARAT

LEVER - shock absorber

1шт.

11

D64854

SHAFT

- shock absorber hinge, one also included with D64855 shock absorber assembly, see Ref. 27 below

2шт.

12

495-81159

WASHER,33/64" x 7/8" x .180"

- flat, 33/64 x 7/8 x 3/16 inch, plated

2шт.

13

103-3350

SNAP RING,#50, .392" Dia, E-Type

Ring, Retaining, #50, .392" Dia, E-Type

6шт.

14

D64864

ROLLER

- nylon

2шт.

15

D66298

STUD

- base, seat adjustment

2шт.

16

492-11038

LOCK WASHER,3/8"

6шт.

17

425-106

NUT,3/8"-16, Cl 5

6шт.

18

219-411

LUBE NIPPLE,3/16" NPTF

FITTING - grease, straight, 3/16 drive type x 3/8 inch, no ball check

8шт.

D64844

LEVER

BRACE ASSEMBLY - seat support to adjustment base, Includes: Ref. 19 - 21

1шт.

19

NSS

NOT SOLD SEPARAT

BRACE - adjustment

1шт.

20

24-67

FLANGED BEARING,0.504" ID x 0.628" OD x 0.687"

BUSHING - flanged, with flange

4шт.

21

24-68

PIN

- drive

2шт.

22

195-533

WASHER,1/2", SAE

- flat, 17/32 x 1-1/16 x 3/32 inch, plated

2шт.

23

D66297

BEARING ASSY

BEARING - roller

2шт.

24

103-3350

SNAP RING,#50, .392" Dia, E-Type

Ring, Retaining, #50, .392" Dia, E-Type

2шт.

25

219-1

LUBE NIPPLE,1/8" - 27 NPTF

FITTING - grease, straight, 1/8 PT x 21/32 inch, straight

1шт.

D64855

SHOCK ABSORBER

ABSORBER ASSEMBLY - shock, seat, Includes: Ref. 26 - 28

1шт.

26

NSS

NOT SOLD SEPARAT

SHOCK ABSORBER - seat

1шт.

27

D64854

SHAFT

- shock absorber hinge

1шт.

28

24-88

FLANGED BEARING

BUSHING - flanged, with flange

4шт.

D64847

BASE

ASSEMBLY - seat adjustment, Includes: Ref. 29 - 33

1шт.

29

NSS

NOT SOLD SEPARAT

BASE - seat adjustment

1шт.

30

D64851

BAR

- torsion, set of two

1шт.

31

D64848

HOUSING

BUSHING - torsion bar, left-hand

1шт.

32

D64849

HOUSING

- torsion bar, right-hand

1шт.

33

D64850

LEVER

INDICATOR - seat level

1шт.

34

D64857

RETAINER

- torsion bar

1шт.

35

D64858

ADJUSTER

- yoke

1шт.

R49353

SEAT

ASSEMBLY - suspension

1шт.

36

195-533

WASHER,1/2", SAE

- flat, 17/32 x 1-1/16 x 3/32 inch

2шт.

37

D66298

STUD

- base, seat adjuster

4шт.

38

D66297

BEARING ASSY

BEARING - roller

2шт.

39

103-3350

SNAP RING,#50, .392" Dia, E-Type

Ring, Retaining, #50, .392" Dia, E-Type

4шт.

40

D66300

SHAFT

- retaining, shock absorber

1шт.

41

38-11216

LOCK PIN,3/16" x 1", Slotted

PIN, 3/16" x 1", Slotted

2шт.

42

D75832

SUPPORT

- seat cushion, left-hand

1шт.

43

D75833

SUPPORT

- seat cushion, right-hand

1шт.

44

N8683

CUSHION, SEAT

CUSHION - seat, Includes: Ref. 44A

1шт.

44a

24-126

CLIP

- cushion

6шт.

45

495-21038

WASHER,5/16"

(flat, 3/8 x 7/8 x 3/32") 5/16"

4шт.

46

492-11031

LOCK WASHER,5/16"

WASHER, LOCK, 5/16"

4шт.

47

425-105

NUT,5/16"-18, G5

- hex, 5/16 inch NC

4шт.

48

N8420

HANDLE

- seat adjustment, Includes: Ref. 49 & 49A

1шт.

49

135-936

GROOVED PIN,3/16" x 3/4", Type G

PIN, GROOVED, , Half length parallel groove with angular groove for spring retention 3/16" x 3/4", Type G

1шт.

49a

N9782

COIL SPRING

SPRING - handle

1шт.

50

D65136

BEARING

- thrust

1шт.

51

495-11066

WASHER,5/8", SAE

- flat, 21/32 x 1-5/16 x 3/32 inch, plated

1шт.

52

D64863

WASHER

- special

1шт.

53

D64862

PIN

RETAINER - handle, adjuster

1шт.

54

N8684

CUSHION ASSY.

CUSHION - backrest, Includes: Ref. 54A

1шт.

54a

24-126

CLIP

- backrest

6шт.

55

492-11031

LOCK WASHER,5/16"

WASHER, LOCK, 5/16"

4шт.

56

413-510

BOLT,Hex, 5/16" - 18 x 5/8", Gr 5

- hex, 5/16 NC x 5/8 inch

4шт.

57

D64867

BUMPER

- front

2шт.

58

195-2173

WASHER,3/8" x 1" x .180"

- flat, 3/8 x 1 x 3/16 inch, special

8шт.

59

N7911

BUMPER

- rear

2шт.

60

440-13116

SCREW,Cross Pan Hd, 5/16"-18 x 1"

- machine, pan Phillips, 5/16 NC x 1 inch

2шт.

Выбрано товаров: 71