Запчасти Case 1150E (9-080) - NOISE REDUCTION PADS (09) - CHASSIS/ATTACHMENTS

Схема запчастей Case 1150E - (9-080) - NOISE REDUCTION PADS (09) - CHASSIS/ATTACHMENTS
7
3
12
10
2
9
11
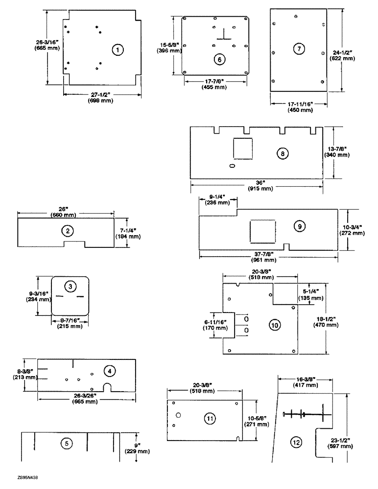
1
6
8
4
5
FIT
1:1
100%

Артикул

Название

Примечание

Количество

1

REF

INSTRUCTION

PAD - seat mounting plate, cut from R30870

1шт.

For additional noise reduction pads, see Figure 9-82.

1шт.

2

REF

INSTRUCTION

PAD - battery cover, cut from R30870

1шт.

For additional noise reduction pads, see Figure 9-82.

1шт.

3

REF

INSTRUCTION

PAD - control valve access cover, inner side of hydraulic reservoir frame, cut from R30870

1шт.

For additional noise reduction pads, see Figure 9-82.

1шт.

4

REF

INSTRUCTION

PAD - heel plate, cut from R30870

1шт.

For additional noise reduction pads, see Figure 9-82.

1шт.

5

REF

INSTRUCTION

PAD - top cover, instrument panel gauges, cut from R30870

1шт.

For additional noise reduction pads, see Figure 9-82.

1шт.

6

REF

INSTRUCTION

PAD - top cover, hydraulic reservoir frame, above control valve, cut from R30870

1шт.

For additional noise reduction pads, see Figure 9-82.

1шт.

7

REF

INSTRUCTION

PAD - hydraulic reservoir frame, outer side cover, cut from R30870

1шт.

For additional noise reduction pads, see Figure 9-82.

1шт.

8

REF

INSTRUCTION

PAD - lower side shield, loader models, cut from R30870

2шт.

For additional noise reduction pads, see Figure 9-82.

1шт.

9

REF

INSTRUCTION

PAD - lower side shield, dozer and drawbar models, cut from R30870

2шт.

For additional noise reduction pads, see Figure 9-82.

1шт.

10

REF

INSTRUCTION

PAD - left-hand floor plate, with brake pedals, cut from R30870

1шт.

For additional noise reduction pads, see Figure 9-82.

1шт.

11

REF

INSTRUCTION

PAD - right-hand floor plate, cut from R30870

1шт.

For additional noise reduction pads, see Figure 9-82.

1шт.

12

REF

INSTRUCTION

PAD - hydraulic reservoir frame, front, with control levers, cut from R30870

1шт.

For additional noise reduction pads, see Figure 9-82.

1шт.

R30870

PAD

- bulk, 54 (1372) x 72 (1829) x 1 inch (25 mm) thick

1шт.

For additional noise reduction pads, see Figure 9-82.

1шт.

345-55

LOCTITE

ADHESIVE - spray can, 19-1/2 fluid ounces

1шт.

Выбрано товаров: 27