Запчасти Case 1150E (9-084) - ROPS CAB, MOUNTING, FRONT CLOSURE PANELS, AND FLOORMAT (09) - CHASSIS/ATTACHMENTS

Схема запчастей Case 1150E - (9-084) - ROPS CAB, MOUNTING, FRONT CLOSURE PANELS, AND FLOORMAT (09) - CHASSIS/ATTACHMENTS
17
3
3
5
10
14
11
15
9
18
13
21
7
2
16
4
14
4
15
24
6
16
22
20
17
23
1
FIT
1:1
100%

Артикул

Название

Примечание

Количество

1

REF

INSTRUCTION

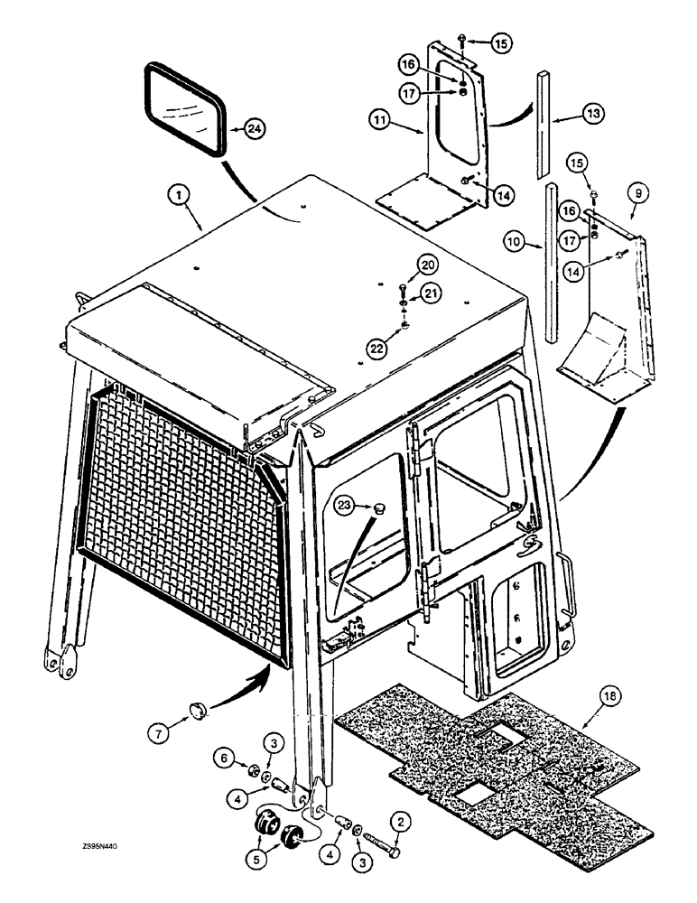
CAB - ROPS, machinery item, order from Machinery Price List

1шт.

2

413-12104

BOLT,Hex, 3/4" - 10 x 6-1/2", Gr 5

- hex, 3/4 NC x 6-1/2 inch

4шт.

3

T53681

WASHER,19.84mm ID x 44.5mm OD x 5.559mm Thk

- flat, special, 3/4 inch, hardened

8шт.

4

F44228

BUSHING,19.46mm ID x 38.1mm OD x 60.2mm L

- steel, mounting

8шт.

5

F44214

MOUNTING PARTS

INSULATOR - rubber, mounting

8шт.

6

232-41112

NUT,3/4"-10, GC

NUT, LOCK, 3/4"-10, GC

4шт.

7

353-407

PLUG,Dome, .687" hole, Nylon

- button, 11/16 inch, rear cab frame below screen

2шт.

8

R53214

PANEL, SIDE

PANEL ASSEMBLY - front closure, left-hand, loader models, Includes: Ref. 10

1шт.

9

R53215

PANEL, SIDE

PANEL ASSEMBLY - front closure, right-hand, loader models, Includes: Ref. 10

1шт.

10

R53218

SEAL

- foam, 1-1/4 (32) x 1-1/4 (32) x 30-5/16 inch (770 mm) long, foam, inner side of both front closure panels, loader models

2шт.

11

R53207

CHASSIS

PANEL - front closure, left-hand, dozer and drawbar models

1шт.

12

R53208

CHASSIS

PANEL - front closure, right-hand, dozer and drawbar models, not shown

1шт.

13

R53210

SEAL

- foam, 1 (25) x 1-1/4 (32) x 26-13/16 inch (680 mm) long, inner side of both front closure panels, dozer and drawbar models, cut from R53235 bulk seal, see below

2шт.

For front brush guards used with cab see page 9-81. For interior cover panels and control tower used with cab, see Figure 9-52. For glass used in dozer model front closure panels, see Figure 9-94 or 9-96.

1шт.

14

121-131

SERRATED BOLT,Hex, 5/16" - 18 x 1/2", Gr 5

22шт.

15

121-130

SERRATED BOLT,Hex, 5/16" - 18 x 3/4", Gr 5

4шт.

16

492-11031

LOCK WASHER,5/16"

WASHER, LOCK, 5/16"

4шт.

17

425-145

JAM NUT,Jam, 5/16"-18, G5

4шт.

18

R53392

CARPET

FLOORMAT - dozer and drawbar models

1шт.

19

R53393

CARPET

FLOORMAT - loader models, not shown

1шт.

20

413-512

BOLT,Hex, 5/16" - 18 x 3/4", Gr 5

- hex, 5/16 NC x 3/4 inch, used on models without air conditioning, if used

6шт.

21

F42778

WASHER

- special, sealing, used on models without air conditioning, if used

6шт.

22

231-1445

NUT,5/16"-18, GB

NUT - hex, self-locking, 5/16 inch NC, Used on models without air conditioning, if used

6шт.

23

353-413

PLUG,Dome, 1.187" hole, Nylon

- button, 1-3/16 inch, inner side of hydraulic reservoir, access to transmission fluid recovery bottle mounting bolts

2шт.

24

A177462

MIRROR

- rear view, interior, includes mounting hardware

1шт.

345-22

ADHESIVE

- 5 fluid ounces, Scotch Grip No. 1300, for attaching foam pads to metal panels

1шт.

345-23

ADHESIVE

- rubber, Scotch Grip 1300, 1 pint can, for attaching foam pads to metal panels

1шт.

R53235

SEAL

- foam, 29-15/16 inch (760 mm) long

1шт.

Выбрано товаров: 28