Запчасти Case 1150E (9-104) - AIR CONDITIONING SYSTEM, COVERS & MOUNTING ABOVE CAB ROOF, CONDENSER, RECIEVER, BLOWERS & INNER SEAL (09) - CHASSIS/ATTACHMENTS

Схема запчастей Case 1150E - (9-104) - AIR CONDITIONING SYSTEM, COVERS & MOUNTING ABOVE CAB ROOF, CONDENSER, RECIEVER, BLOWERS & INNER SEAL (09) - CHASSIS/ATTACHMENTS
8
8
6
14
8
28
9
29
19
8
18
12b
17
26
15
28
22
11a
11
8
12a
5
20
16
12
21
7
2
23
10
25
13
19
5
4
3
24
27
1
FIT
1:1
100%

Артикул

Название

Примечание

Количество

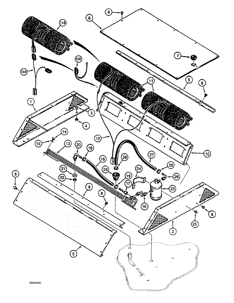
1

R48827

PANEL, SIDE

PANEL - with screens, left hand side

1шт.

2

R49731

PANEL, SIDE

PANEL - with screens, right hand side

1шт.

3

160-106

BOLT,Hex, 1/2" - 13 x 1", Gr 8, Full Thd

4шт.

4

231-1448

NUT,1/2"-13, GB

- hex, self locking, 1/2 inch NC

4шт.

5

R48829

SIEVE

SHIELD - perforated, front and rear

2шт.

6

R48832

COVER

- air conditioning system

1шт.

7

353-588

PLUG,1 3/4"

- button, plastic, 1-3/4 inch, at receiver-dryer sight gauge

1шт.

8

121-130

SERRATED BOLT,Hex, 5/16" - 18 x 3/4", Gr 5

44шт.

9

R48831

SUPPORT

- rear shield mounting

1шт.

10

R49055

SUPPORT

- blower mounting

1шт.

11

REF

INSTRUCTION

BLOWER ASSEMBLY - air conditioning condenser, with bullet type connector on F96902 motor, if used, parts list Figure 9-112

2шт.

11a

REF

INSTRUCTION

BLOWER ASSEMBLY - air conditioning condenser, with bullet type connector on A187600 motor, if used, parts list Figure 9-112

2шт.

12

R54506

ELECTRICAL WIRE

WIRE - blower motors to cab harness, to cab harness, with bullet type connectors for F96902 blower motors, if used

1шт.

For the main cab wiring harness see Figure 4-46 - 4-52.

1шт.

12a

A187767

HARNESS

WIRE - blower motors to cab harness, to cab harness, with molded terminals for A187600 blower motors, if used

1шт.

For the main cab wiring harness see Figure 4-46 - 4-52.

1шт.

12b

A187699

HARNESS

- adapter, for Ref. 11A blower motor with molded wire terminal to Ref. 12 wire with bullet type connectors, if used

2шт.

13

R49733

CONDENSER

- air conditioning

1шт.

14

413-48

BOLT,Hex, 1/4" - 20 x 1/2", Gr 5

- hex, 1/4 NC x 1/2 inch

4шт.

15

492-11025

LOCK WASHER,1/4"

WASHER, LOCK, 1/4"

4шт.

16

R44512

TUBE,0.375" OD x 3.15, 2.62" L

- condenser to receiver-drier

1шт.

17

R45089

FITTING

- barb, special

1шт.

18

R49385

A/C HOSE,10.32 mm ID x 325.00 mm, SAE J51 Type A

- To condenser, Cut from S118832X, See below 10.32 mm ID x 325.00 mm, SAE J51 Type A

1шт.

19

A65795

COLLAR CLAMP

CLAMP - adjustable, hose

2шт.

R45090

ELBOW

FITTING ASSEMBLY - barb, at cab roof

1шт.

20

NSS

NOT SOLD SEPARAT

FITTING - barb, elbow

1шт.

21

NSS

NOT SOLD SEPARAT

GASKET - roof seal

1шт.

22

NSS

NOT SOLD SEPARAT

NUT - hex, jam, 3/4 inch NF

1шт.

23

R48825

EVAPORATOR

RECEIVER-DRIER - air conditioning system

1шт.

24

R49734

MOUNTING CLIP

BRACKET - receiver-drier

1шт.

25

121-130

SERRATED BOLT,Hex, 5/16" - 18 x 3/4", Gr 5

2шт.

26

R45091

ELBOW

FITTING - barb, special, elbow

1шт.

27

R53836

HOSE,10.32 mm ID x 240.00 mm, SAE J51 Type A

From Receiver-Drier, Cut from S118832X, See Below 10.32 mm ID x 240.00 mm, SAE J51 Type A

1шт.

28

A65795

COLLAR CLAMP

CLAMP - adjustable, hose

2шт.

29

R48826

GROMMET

- hose and blower wire through roof, cut 9/16 inch (14 mm) (third ring from the end) when installing

1шт.

S118832X

HOSE

- 13/32 (10) x 29/32 (23) x 300 inch (7620 mm) long

1шт.

Выбрано товаров: 36