Запчасти Case 1150E (2-060) - CYLINDER BLOCK, 6T-830 ENGINE, SIX PISTON COOLING NOZZLES, PRIOR ENG SN 44487830 (02) - ENGINE

Схема запчастей Case 1150E - (2-060) - CYLINDER BLOCK, 6T-830 ENGINE, SIX PISTON COOLING NOZZLES, PRIOR ENG SN 44487830 (02) - ENGINE
6
12
7
10
28
21
3
13
27
14
7
20
23
4
2
25
15
22
24
14
9
1
5
8
17
7
26
19
12
16
18
7
8
11
14
FIT
1:1
100%

Артикул

Название

Примечание

Количество

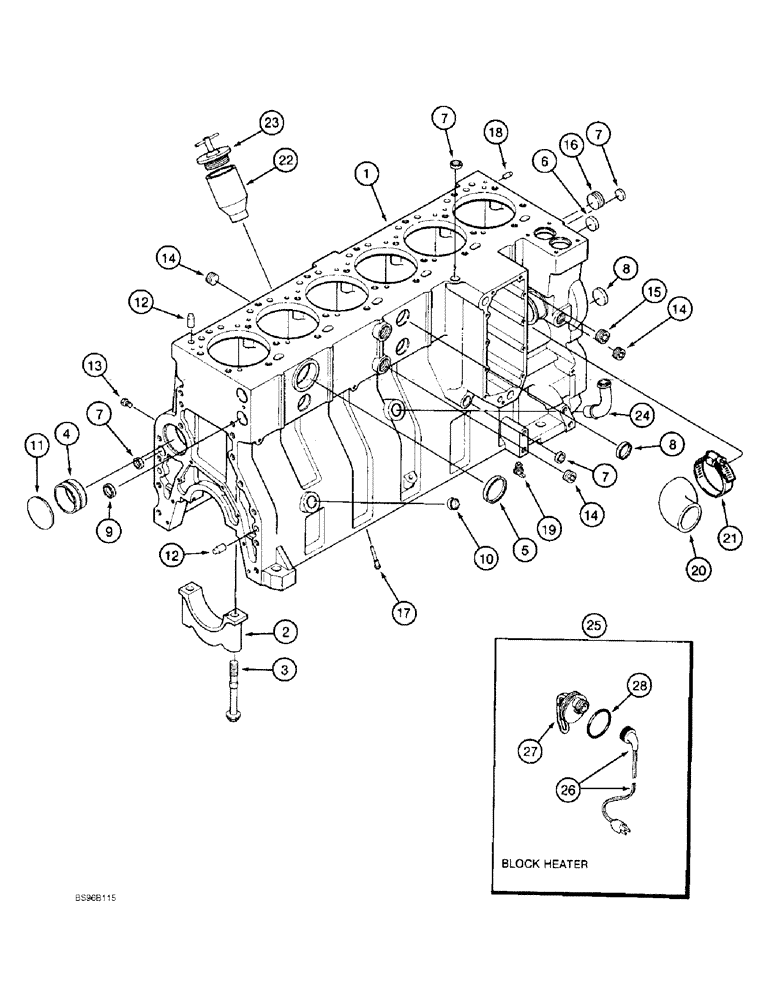
A174169

ENGINE ASSEMBLY

- complete, 6T-830, includes all parts except starter, alternator, fan, fan belt, air cleaner, muffler and exhaust pipe, uses item 1, piston sleeve and item 3, piston shown on Figure 2-96

1шт.

JR912531

ENGINE, EXCHANGE

BLOCK ASSEMBLY - short, engine, remanufactured, North America only, component parts shown on this Figure do not apply to the remanufactured assembly

1шт.

JC912531

CORE-SHORT ENGINE

RETURN NUMBER - use this part number to return block core for credit when using a remanufactured assembly

1шт.

J912531

SKELETON ENGINE

BLOCK ASSEMBLY - short, engine, new, includes stripped block, pistons, connecting rods and bearings, crankshaft and bearings

1шт.

Order J909415 hardware kit when ordering J912531 block assembly or J911898 stripped block. See Figure 2-96 for correct pistons and piston sleeves.

1шт.

JR911898

ENGINE, EXCHANGE

BLOCK ASSEMBLY - stripped, remanufactured, North America only, component parts shown on this Figure do not apply to the remanufactured assembly

1шт.

JC909414

CORE

RETURN NUMBER - use this part number to return stripped block core for credit when using a remanufactured assembly, prior to Engine Serial Number 44214570

1шт.

JC911898

SKELETON ENGINE

RETURN NUMBER - use this part number to return stripped block core for credit when using a remanufactured assembly, Engine Serial Number 44214570 through 44487830

1шт.

1

J911898

BASIC BLOCK

BLOCK ASSEMBLY - cylinder, stripped, new, Includes: Ref. 2 - 19

1шт.

Order J909415 hardware kit when ordering J912531 block assembly or J911898 stripped block. See Figure 2-96 for correct pistons and piston sleeves.

1шт.

2

J905397

CAP

- main bearing

7шт.

3

J906655

BOLT,Flng, M14 x 2 x 128.5mm, Cl 12.9

- hex flange, special, bearing cap

14шт.

4

REF

INSTRUCTION

BUSHING - camshaft, see Figure 2-50, Ref. 6

7шт.

5

J900965

PLUG

- expansion, 58 mm O.D.

1шт.

6

A77586

PLUG

- expansion, 28.9 mm O.D.

1шт.

7

A77506

PLUG

- expansion, 21 mm O.D.

4шт.

8

J905401

PLUG

- expansion, 35 mm O.D.

3шт.

J909415

KIT

- block hardware

1шт.

Order J909415 hardware kit when ordering J912531 block assembly or J911898 stripped block. See Figure 2-96 for correct pistons and piston sleeves.

1шт.

9

A77530

PLUG

- expansion, 30 mm O.D.

2шт.

10

A77439

PLUG

- expansion, 22 mm O.D.

1шт.

11

41-3044

PLUG,Exp, 2 3/4"

1шт.

12

J901846

PIN,12.01mm OD x 24mm L

- dowel

4шт.

13

J906619

PLUG,1/8" - 27

- hex, 1/8 inch PT

6шт.

14

A77429

PLUG

- hex socket, 1/2 inch PT

4шт.

15

A77505

PLUG

- hex socket, 3/4 inch PT

2шт.

16

A77533

PLUG

- hex socket, 1 inch PT

1шт.

17

J905928

NOZZLE INJECTION

NOZZLE - piston cooling

6шт.

18

J900257

PIN,10.01mm OD x 16mm L

- dowel, 16 mm long

2шт.

19

217-103

COCK, DRAIN

VALVE - 1/4 inch PT

1шт.

20

J920762

ELBOW

HOSE - elbow, replaces J909389 hose

1шт.

21

J918521

HOSE CLAMP,59mm - 83mm

CLAMP - adj, 1-13/16 - 2-3/4 inch dia.

1шт.

22

J905408

TUBE,35.13 mm ID x 52.39 mm OD x 100 mm L

- oil filler

1шт.

23

A77424

FILLER CAP

CAP - oil fill tube

1шт.

24

J903744

PIPE FITTING,22.42 mm ID x 28 mm OD x 90.2, 64 mm L

TUBE - turbocharger oil drain

1шт.

25

196804A1

KIT

- engine block heater, replaces A77595 kit

1шт.

26

196466A1

ELECTRIC CABLE

CABLE - engine block heater, replaces J905113

1шт.

27

NSS

NOT SOLD SEPARAT

ELEMENT - heater, 120 volt, 1000 watts

1шт.

28

J910517

O-RING

- heater sealing

1шт.

Выбрано товаров: 39