Запчасти Case 1150E (2-068) - CYLINDER BLOCK, 6T-830 ENGINE, TWELVE PISTON COOLING NOZZLES ENG SN 44706126 & AFT (02) - ENGINE

Схема запчастей Case 1150E - (2-068) - CYLINDER BLOCK, 6T-830 ENGINE, TWELVE PISTON COOLING NOZZLES ENG SN 44706126 & AFT (02) - ENGINE
14
16
14
16
4
5
14
12
8
9
6
10
3
8
15
20
2
26
24
22
1
19
13
17
12
28
7
11
27
21
7
23
25
7
7
FIT
1:1
100%

Артикул

Название

Примечание

Количество

1989001C2

ENGINE ASSEMBLY

- complete, 6T-830, includes all parts except starter, alternator, fan, fan belt, air cleaner, muffler and exhaust pipe, for service order 1989098C3 basic engine

1шт.

AR174398

REMAN-BASIC ENGINE

Remanufactured Basic Engine Assembly, assembly includes short block assembly, cylinder head, valve cover, front cover, oil pan, water pump, thermostat and gasket kit to transfer trim parts

1шт.

AC174398

CORE-BASIC ENGINE

Return Number. KNOWN POTENTIAL CORE VARIATIONS, REFER TO CORE CRITERIA FOR PROPER CORE IDENTIFICATION

1шт.

1989098C3

BASIC ENGINE

ENGINE ASSEMBLY, basic

1шт.

Includes all parts except starter, alternator, fan, fan belt, air cleaner, muffler, exhaust manifold, flywheel and housing, oil fill and dipstick, fuel injection pump, injectors and lines, front crank pulley and belt tensioner, uses item 1A, sleeve and item 3A, piston shown on Figure 2-97A, replaces 1989098C2 basic engine

1шт.

JR921843

ENGINE, EXCHANGE

Block Assembly, Short, Remanufactured, Component Parts Shown On This Figure Do Not Apply To The Remanufactured Assembly

1шт.

JC921843

CORE-SHORT ENGINE

Return Part Number, Use This Part Number To Return Basic Engine Core For Credit When Using a Remanufactured Assembly, Prior to Engine SN 44833938

1шт.

J926152

SKELETON ENGINE

BLOCK ASSEMBLY - short, new, includes stripped block, pistons, connecting rods and bearings, crankshaft and bearings, uses item 1A, sleeve and item 3A, piston shown on Figure 2-97A, replaces J921843 and J925488 short block assembly

1шт.

Order Refs. 9 - 19 when ordering J926152 short block or J929604 stripped block.

1шт.

JR919934

BLOCK

Assembly, Stripped, Remaufactured, Component Parts Shown on This Figure Do Not Apply To The Remanufactured Assembly, Engine Serial Number 44487830 Through 44536857, No Longer Available, Order J929604 Stripped Block Assembly

1шт.

JC919374

CORE-ENGINE

Return Part Number, Use This Part Number To Return Stripped Core For Credit When Using a Remanufactured Assembly

1шт.

JR925488

SKELETON ENGINE

Block Assembly, Short, Remanufactured, Component Parts Shown On This Figure Do Not Apply To The Remanufactured Assembly, Engine SN 44833938 and After

1шт.

JC925187

CORE-SHORT ENGINE

Return Part Number, Use This Part Number To Return Short Block For Credit When Using a Remanufactured Assembly

1шт.

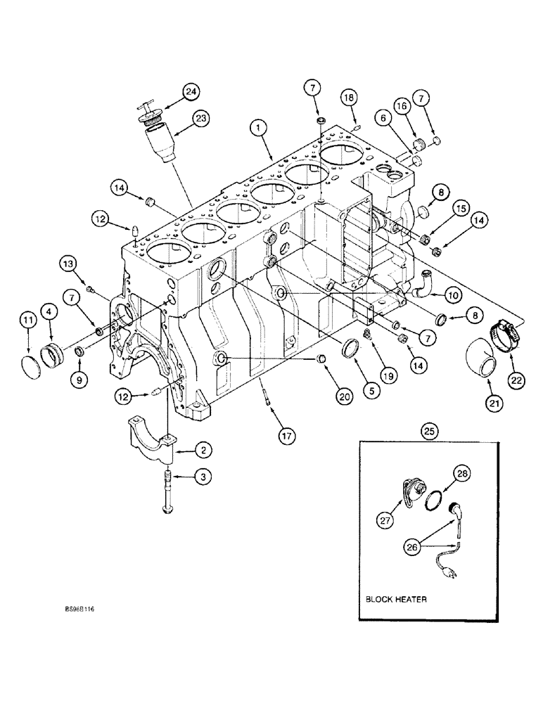
1

J929604

CRANKCASE

BLOCK ASSEMBLY - stripped engine, replaces J919934, J923289 and J926145 stripped block assembly

1шт.

Order Refs. 9 - 19 when ordering J926152 short block or J929604 stripped block.

1шт.

2

J917313

BEARING CAP

CAP - bearing, main

7шт.

3

J916369

FLANGE BOLT,Hex, M14 x 2 x 128mm, Cl 10.9

SCREW, Hex Flg Hd, M14 x 128

14шт.

4

REF

INSTRUCTION

BUSHING - camshaft, see Figure 2-50, Ref. 6

7шт.

5

A77782

PLUG

- expansion, 58 mm O.D.

1шт.

6

A77586

PLUG

- expansion, 28.9 mm O.D.

1шт.

7

A77506

PLUG

- expansion, 21 mm O.D.

4шт.

8

J905401

PLUG

- expansion, 35 mm O.D.

3шт.

A77716

BLOCK

KIT - block hardware, no longer available, order components separately

1шт.

Order Refs. 9 - 19 when ordering J926152 short block or J929604 stripped block.

1шт.

9

A77530

PLUG

- expansion, 30 mm O.D.

2шт.

10

J903744

PIPE FITTING,22.42 mm ID x 28 mm OD x 90.2, 64 mm L

TUBE - turbocharger oil drain

1шт.

11

41-3044

PLUG,Exp, 2 3/4"

Replaces J901969 Exp, 2 3/4"

1шт.

12

J901846

PIN,12.01mm OD x 24mm L

- dowel

4шт.

13

J906619

PLUG,1/8" - 27

- hex, 1/8 inch PT

6шт.

14

A77429

PLUG

- hex socket, 1/2 inch PT

5шт.

15

A77505

PLUG

- hex socket, 3/4 inch PT

2шт.

16

A77533

PLUG

- hex socket, 1 inch PT

1шт.

17

J919003

NOZZLE INJECTION

NOZZLE - piston cooling

12шт.

18

J900257

PIN,10.01mm OD x 16mm L

- dowel, 16 mm long

2шт.

19

217-103

COCK, DRAIN

VALVE - 1/4 inch PT, replaces A77425 valve

1шт.

20

A77439

PLUG

- expansion, 22 mm O.D.

1шт.

21

J920762

ELBOW

HOSE - elbow, replaces J909389 hose

1шт.

22

J918521

HOSE CLAMP,59mm - 83mm

CLAMP - adj, 1-13/16 - 2-3/4 inch dia.

1шт.

23

J905408

TUBE,35.13 mm ID x 52.39 mm OD x 100 mm L

- oil filler

1шт.

24

A77424

FILLER CAP

CAP - oil fill tube

1шт.

25

196804A1

KIT

- engine block heater, replaces A77595 kit

1шт.

26

196466A1

ELECTRIC CABLE

CABLE - engine block heater, replaces J905113 .

1шт.

27

NSS

NOT SOLD SEPARAT

ELEMENT - heater, 120 volt, 1000 watts

1шт.

28

J910517

O-RING

- heater sealing

1шт.

Выбрано товаров: 44